박주홍
(Joo-Hong Park)
1iD
노수진
(Sujin Noh)
2iD
조한욱
(Han-Wook Cho)
†iD
-
(Dept. of Convergence System Engineering, Chungnam National University, Republic of
Korea.)
-
(Convergence Engineering and Technology Research Institute, Chungnam National University,
Republic of Korea.)
Copyright © The Korea Institute for Structural Maintenance and Inspection
Key words
Magnetic bearing, Sliding mode control (SMC), Axial load support, Lyapunov stability, Full-state observer
1. 서 론
자기베어링(Magnetic Bearing)은 회전 기계에서 회전자를 지지하기 위해 전자기력을 활용하는 비접촉식 베어링 기술로, 마찰과 마모가 발생하지
않아 유지보수 비용을 절감하고 고속 회전(>10,000 rpm) 환경에서도 높은 신뢰성을 제공한다. 특히, 능동 자기 베어링 (Active Magnetic
Bearing, AMB)은 센서와 제어 시스템을 통해 회전자의 공극 변위를 실시간으로 제어하여 기계적 진동을 효과적으로 억제한다[1-5].
한편, 축방향 AMB에서 하중 용량을 높이기 위해 적용하는 대향면적 확장 설계방식은 설치 공간 제약으로 인해 물리적 한계가 있다. 즉, 자기회로 재설계
없이 하중 용량 증대 문제를 해결하기 위해서는 운전 중 실시간으로 공극의 길이를 미세하게 변화시켜 축방향 하중을 증대하는 동적 축위치 제어 방법이
적용되는 것이 필요하다. 그러나, 고속 회전 조건에서 회전자의 축방향 변위 제어시 발생하는 오버슈트(Overshoot)는 일반적으로 축방향 AMB의
공극을 초과하여 발생 가능하므로, 이에 대한 적절한 대책이 필요하다[6].
산업 현장에 적용되는 반경방향 및 축방향 AMB 시스템은 전통적인 PID 제어기로 공극 제어 구현이 가능하고, 이를 활용하여 다양한 형태의 응용처에
적용되고 있지만, 외란 (예-급격한 부하의 변동, 외력에 의한 공극 길이의 변화 등), 전자기력의 비선형성 등에 취약하며, 불확실한 동적 환경에서
강건한 성능을 보장하기 어려운 단점을 가진다. 이는 PID 제어기의 고정된 이득이 시스템 파라미터 변화에 빠르게 적응하지 못하기 때문이며, 특히,
대용량 축방향 하중이 지속적으로 요구되는 축방향 AMB에서는 PID제어기의 한계가 더욱 극명히 드러난다[7,8].
따라서, 본 논문에서는 대용량 축방향 하중이 지속적으로 요구되는 축방향 AMB의 동적 축변위 제어를 위하여 불확실성과 외란에 대한 높은 저항성을 가지며
제한된 시간 내에 지령 값에 수렴 가능한 특성을 갖는 슬라이딩 모드 제어 (Sliding Mode Control, SMC) 기법을 적용하고 전통적인
PID 제어기와 비교한다[9,10]. 제안된 제어 기법은 MATLAB/ Simulink 시뮬레이션을 통해 검증하였다.
2. 축방향 자기베어링 구조 및 수학적 모델링
2.1 축방향 자기베어링 시스템의 수학적 모델링
그림 1은 축방향 자기베어링의 기본 구조를 나타낸다. 그림에서, $F_{1}$, $F_{2}$는 회전자에 발생하는 전자기력을 각각 나타내며, $i_{0}$는
바이어스 (Bias) 전류, $i_{c}$은 제어 전류, $x_{0}$는 공극의 길이를 각각 나타낸다. 축방향 자기베어링에서 발생하는 전자기력 $F_{1}$과
$F_{2}$는 공극 자속밀도의 계산을 통해 얻을 수 있으며, 회전자에 작용하는 합성 전자기력 $F$는 주어진 부피 $V$ 내의 자기장에 저장된 에너지
$W_{\phi}$이며, 식 (1)과 같이 나타낼 수 있다.
그림 1. 축방향 자기베어링의 기본 구조
Fig. 1. Basic structure of axial magnetic bearing
식 (1)에서 미소 공극의 길이 변화량 $dg$에 대한 자기에너지 변화량 $d W_{\phi}$는 식 (2)와 같다.
이를 회전자를 이동시키는 데 한 일과 그 물체에 가해진 힘 사이의 관계로 나타내면 식 (3)과 같이 축방향 자기베어링의 전기적‧기계적 사양을 통해 나타낼 수 있다.
여기서, $A$는 자극의 단면적, $B_{g}$는 공극 자속 밀도, $\mu_{0}$는 진공투자율, $N$은 턴수를 각각 나타내며, $i$($=i_{0}\pm
i_{c}$)는 인가된 전류의 크기, $g$($= x_{0}\pm x$)는 공극의 길이를 각각 나타낸다.
자기베어링에서는 회전자를 일정한 공극을 갖는 정중앙의 위치에 유지하기 위해 바이어스 전류 $i_{0}$와 제어 전류 $i_{c}$을 이용하여 두 개의
전자기력 $F_{1}$과 $F_{2}$를 생성한다. 기계계의 운동방정식에 의해 외란 $F_{d}$를 고려한 힘의 균형 관계는 식
(4)와 같이 표현된다.
여기서, $K$는 자기베어링의 자기회로 구성 조건에 따라 주어지는 상수로서 $K =\mu_{0}N^{2}A$ 이고, $m$은 회전자의 질량을 각각
나타낸다.
그림 1의 자기베어링에서 전기계와 기계계가 결합된 시스템 방정식을 유도하기 위하여 키르히호프의 전압 법칙과 패러데이 법칙을 적용하면, 상수 $K$를 포함하는
각 코일 그룹에서의 전압 방정식은 식 (5)와 식 (6)과 같다.
여기서, $u_{1}$, $u_{2}$는 각 코일 그룹에 인가되는 전압을 나타내고, $i_{1}$, $i_{2}$는 각 코일 그룹에 흐르는 전류를
각각 가타낸다.
비선형 동역학 특성을 갖는 자기베어링 시스템에서 식 (5)와 식 (6)을 동작점 $(x_{0},\: i_{0},\: F_{d})$에서 선형 근사화 하기위하여 자코비안(Jacobian) 행렬을 이용하여 선형 근사된
상태 공간 모델링을 수행하면 식 (7)과 식 (8)로 표현된다.
여기서, 전압 $u=u_{1}-u_{2}$, 전류 $i=i_{1}-i_{2}$이고, $K_{x}$는 힘-변위(Force-displacement) 강성
계수, $K_{i}$는 힘-전류(Force-current) 강성 계수를 각각 나타낸다.
2.2 유한요소해석을 이용한 파라미터 해석
그림 1의 축 방향 자기베어링에 대하여 공극자속밀도, 힘-변위 계수 $K_{x}$와 힘-전류 계수 $K_{i}$의 값을 계산하기 위하여 유한요소해석(Finite
Element Analysis, FEA)을 수행하였다. 그림 2는 축방향 칼라(Thrust collar)의 초기 공극(정중앙, 공극의 길이 400 μm)에서 아래 방향으로 100 μm만큼 변위를 가질 때의 유한요소해석
결과를 나타낸다.
그림 2. 철심 내부 자속밀도분포 (a) $i_{c}= -2$ A, (b) $i_{c}= 2$ A
Fig. 2. Magnetic flux density distribution inside the iron core (a) $i_{c}= -2$ A,
(b) $i_{c}= 2$ A
그림 2(a)는 z-축의 음(-)의 방향으로 전자기력이 작용하도록 코일에 바이어스 전류 $i_{0}$=2 A와 최대 제어전류 $i_{c}$=2 A를 인가한 상태에서의
자속밀도 분포를 나타내며, 그림 2(b)는 양(+)의 방향으로 전자기력이 작용하도록 코일에 최대 전류를 인가한 상태에서의 자속밀도를 보여준다. 최대 제어 전류 인가 시 강자성체(S45C)의
포화가 발생하지 않고 선형 제어가 가능할 수 있도록 철심 내부에서의 최대 자속밀도를 약 0.85 T 이하가 되도록 하였다.
그림 3은 공극의 변위가 +100 μm, 0 mm, -100 μm 일 때, 공극 중앙에서의 자속밀도의 크기(절댓값)를 나타낸다. 그림에서 x-축은 회전자
축(Shaft)의 중심에서 반경방향 거리를 나타내며, 초기 공극(정중앙, ±400 μm)을 비대칭으로 조정한 두 가지 조건(① +300 μm/-500
μm, ② +500 μm/-300 μm)에서 최대 전류 인가된 상태에서의 공극자속밀도의 크기를 보여준다.
그림 3. 축방향 변위에 따른 공극 자속밀도 분포
Fig. 3. Airgap flux density distribution according to axial displacement
그림 4는 회전자의 위치를 중심에서 –100 μm에서 100 μm까지 100 μm씩 단계적으로 변화시키고 전류는 –2 A에서 2 A까지 0.5 A씩 증가시키면서
얻어진 결과를 그림 4에 나타냈다. 그림에서 보여지는 바와 같이 비대칭 공극 즉, 기본공극을 –100 μm 이동하여 동적 축위치 제어를 하게 되면 축방향의 힘은 최대 약
1000 N에서 약 1500 N으로 약 1.5배 증가하는 효과가 있다.
그림 4. 힘-변위 및 힘-전류 강성계수 곡선
Fig. 4. Force-displacement and force-current coefficient curves
3. 축방향 자기베어링의 슬라이딩 모드 제어
3.1 전차원 관측기를 이용한 속도 추정
일반적인 자기베어링 시스템은 회전자의 위치를 파악하는 위치 센서만 존재한다. 즉, 속도 ($u(t)$)센서가 존재하지 않기 때문에 슬라이딩 모드 제어기
설계를 위해서는 $\dot{x}$을 추정해야 한다. 이를 위해 상태방정식을 추정하는 방법으로 전차원 관측기를 도입하였다.
그림 5는 전차원 관측기(Full state observer)의 블록 다이어그램을 나타낸다. 그림의 Process 행렬에서 모든 극점이 좌반 평면에 존재하는
안정된 시스템인 경우, 변위의 실제 값 $x$와 속도 추정치 $\dot{x}$ 모두 영(零)으로 수렴하므로, 이로 인한 오차 역시 영으로 수렴하게
된다. 그러나 이 경우에도 상태추정이 실제 값으로 수렴한다고 의미를 두기는 어렵다. 추정 오차를 더 빠르게 영으로 수렴시키고 의미 있는 상태추정이
되기 위해서는, 추정된 상태와 측정된 상태의 오차로부터 상태추정 모델을 연속적으로 수정해 나가는 것이 필요하다[11]. 그림 5에서 추정치 $\hat{x}$은 식 (9)와 같이 표현된다.
그림 5. 전차원 관측기 블록다이어그램
Fig. 5. Block diagram of full-state observer
여기서, $L$은 비례 이득으로 만족스러운 추정오차 특성을 얻기 위해서 설계되는 값이며, 식 (10)과 같이 표현된다.
그리고, 식
(11)은 오차에 대한 특성 방정식을 나타낸다.
만약, $L$을 $A-LC$가 안정하고 빠르게 수렴할 수 있는 값으로 정하면, $\hat{x}(t)$가 초기값 $\hat{x}(0)$에 관계없이 $x(t)$에
수렴함을 의미한다. 그림 5에서 관측기(observer -model)의 상태변수는 식 (12)와 같다.
식 (12)를 식 (11)에 대입하여 추정기의 특성방정식을 식 (13)과 같이 얻을 수 있다.
추정기의 특성방정식을 구하여 계수를 비교함으로써 비례이득 $L$의 각 성분을 (15)-(17)과 같이 정할 수 있다.
이를 통해 각 상태 변수의 식을 정리하면 식 (17)과 같다.
3.2 슬라이딩 모드 제어기 모델링
앞서 기술한 전차원 관측기를 이용한 속도 추정 결과를 이용하여 슬라이딩 모드 제어기의 모델링이 가능하다. 먼저, 식 (8)에서 가속도 $\ddot{x}$는 식 (18)과 같다.
슬라이딩 평면 $s$를 식 (19)와 같이 두면, $\dot{s}$은 식 (20)과 같이 나타낼 수 있다.
여기서, $r$은 변위제어기의 지령값이고, $e$는 오차(error)를 각각 나타낸다. 슬라이딩 모드 제어 법칙 식 (19)와 식 (20)을 리아프노프(Lyapunov)함수 식 (21)에 적용하면 $\dot{V}$는 식 (22)로 정리된다.
여기서, 제어전류 $i_{c}$는 식 (23)과 같다.
여기서 $\xi$는 강인 제어 항(robustness gain)으로 슬라이딩 모드 제어에서 일반적으로 사용되는 비선형 제어 항이다. $\xi$를 외란
$F_{d}$를 충분히 극복할 수 있는 값으로 선정하며, 식 (22)에 식 (23)를 대입하고, $\dot{V}$̇에 대해 정리하면 식 (24)를 얻을 수 있다.
식 (24)에서 $\dot{V}$ < 0을 만족하기 위한 $\xi$는 외란 $F_{d}$의 영향을 극복하기 위해 충분히 크게 설계될 수 있으며, $\xi$는
식 (25)의 조건을 만족시켜야 한다. 이때 제어 전류 $i_{c}$는 식 (26)으로 정의될 수 있다.
3.3 시뮬레이션 및 제어 성능 비교
3.3.1 Matlab/Simulink 시뮬레이션 모델
전차원 관측기와 슬라이딩 모드 제어기를 이용하여 대용량 축방향 하중이 지속적으로 인가되는 축방향 자기베어링의 제어 시뮬레이션 모델을 구성하고 제안된
슬라이딩 모드 제어기의 성능을 검증하였다.
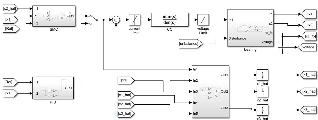
그림 6은 Matlab/Simulink 로 구현된 축방향 자기베어링 동적 축변위 제어 시뮬레이션 모델을 나타낸다. 시뮬레이션에 포함된 세부 모델은 축방향
자기베어링 모델, 전류 제어기, 전차원 상태 관측기 및 위치 제어기로 구성된다. 위치 제어기는 슬라이딩 모드 제어기와 전통적 방식인 PID 제어기를
동시에 구성하였고, 두 제어기의 특성을 직접 비교가 가능하도록 하였다.
그림 6. Matlab/Simulink 시뮬레이션 모델
Fig. 6. Matlab/Simulink simulation model
전류제어기는 코일의 인덕턴스와 저항을 포함한 전기적 동특성을 기반으로 설계되었으며, 제어 대역폭은 1 kHz로 설정하고 이에 맞추어 PI 제어기의
비례 및 적분 이득을 조정하였다. 전력 증폭기는 센서를 통해 측정된 코일 전류를 기반으로 PI 제어 알고리즘을 적용한 폐루프 제어 시스템으로 구성되었으며,
PWM 방식으로 코일에 인가되는 전압을 조절하는 것을 모사함으로써 정밀한 전류 제어가 가능하도록 하였다. 표 1은 시뮬레이션에 적용된 축방향 자기베어링과 관련한 주요 파라미터를 나타낸다. 여기서, 힘-변위 계수와 힘-전류 계수는 유한요소해석에 의해 구해진 값이며,
외란은 중력가속도에 대한 회전자의 질량을 고려하여 약 460 N(최댓값)을 인가하였다.
표 1 시뮬레이션 파라미터
Table 1 Simulation parameters
|
Item
|
Symbol
|
Value
|
|
Force-displacement constant [N/m]
|
$K_{x}$
|
1660000
|
|
Force-current constant [N/A]
|
$K_{i}$
|
480
|
|
Coil self inductance [mH]
|
$L_{s}$
|
215
|
|
Coil resistance [Ω]
|
$R_{s}$
|
2.4
|
|
Bias current [A]
|
$i_{0}$
|
2.0
|
|
Disturbance [N]
|
$F_{d}$
|
460
|
|
Mass[Kg]
|
$m$
|
22
|
3.3.2 PID 제어 결과
그림 7은 PID 제어를 축방향 자기베어링의 동적 축변위 제어 시뮬레이션 결과를 나타낸다. 시뮬레이션은 초기 위치의 계단 입력 지령이 0.1초에서 –100
μm로 인가되고 0.6초에서 +100 μm로 축변위가 발생하도록 하였다. 특히, 0.4초부터는 노이즈 신호를 인가하였고, 0.45초부터는 노이즈와
최대 크기 460 N을 가지며 500 Hz의 주파수를 갖는 축방향 외란을 인가하였다. 제어 이득 값은 시뮬레이션 파라미터를 가지고, 페루프 강성 및
고유주파수, 댐핑 계수를 기준으로 계산하였다.
PID제어에 의한 계단 응답에서 입력 지령 대비 약 47%의 오버슈트가 발생하고 있으며, 이는 축방향 자기베어링 변위의 한계인 터치베어링(touch
bearing)에 예측 불가능한 기계적 접촉 가능성을 갖는다. 제어전류는 상대적으로 크게 요구되며, 제어기 이득에 대한 적절한 튜닝을 해야만 시스템
적용 가능하다. 이는 PID 제어기의 비선형 시스템에서 한계를 나타낸다.
그림 7. PID 제어를 통한 축 변위 제어
Fig. 7. Axial displacement control by PID control
3.3.3 슬라이딩 모드 제어 결과
그림 8은 축방향 자기베어링의 슬라이딩 모드 제어 시뮬레이션에서 초기 0.3초 동안 변위 $x $및 속도 $\dot{x}$의 위상 궤적(Phase portraits)를
나타낸다. 이는 설계된 제어기에서 제어 오차가 슬라이딩 평면 $s$에 안정적으로 도달하여 오차를 영(零)으로 수렴시키는 것을 잘 보여준다.
그림 8. 0.3초 동안 관측한 시스템 위상 포트레이트
Fig. 8. Phase portraits of the system for 0.3 seconds
그림 9는 슬라이딩 모드제어기를 사용한 축방향 자기베어링의 동적 축변위 제어 시뮬레이션 결과이다.
식 (25), (26)에서 시뮬레이션에 적용된 $\xi$, $\lambda$ 는 $\xi =\dfrac{F_{d}}{2K_{i}}\times 1.1 ,\: \lambda
=50$이다.
시뮬레이션에 인가하는 노이즈와 외란의 형태, 인가 시간은 PID 제어기 시뮬레이션에서와 동일하다. 계단 응답에서 오버슈트 없는(0\%) 안정된 수렴으로
외란 대한 강인한 성능을 보이는 것을 확인할 수 있다. 또한, 제어전류의 리플(ripple)이 PID 제어기 시뮬레이션 결과에 비해 작다. 특히,
축변위 제어 오차는 0.6초 이후 정상상태 오차가 일정하게 발생하고 있지만 $\pm $5 μm 이내로 안정함을 확인할 수 있다.
그림 9. 슬라이딩 모드 제어를 통한 동적 축방향 제어
Fig. 9. Axial displacement control by sliding mode control
4. 결 론
본 논문에서는 대용량 축방향 하중이 지속적으로 요구되는 축방향 자기베어링 시스템에서, 자기회로의 구조 변경 없이 하중 용량을 효과적으로 증대시키기
위한 동적 축위치 제어 기법으로 슬라이딩 모드 제어(Sliding Mode Control, SMC)를 적용하였다. 시뮬레이션을 통해 제안된 제어 기법은
기존의 PID 제어 방식과 비교하여, 오버슈트 없이 안정적으로 제어 목표에 도달하며, 정착시간(settling time) 또한 0.1초 이내로 단축되는
우수한 제어 성능을 확인하였다. 본 연구 결과는 축방향 자기베어링 시스템의 하중 용량 향상 및 제어 안정성 확보 측면에서 실질적인 기여를 할 수 있으며,
향후 실험 기반의 추가 검증을 통해 실제 산업 응용 가능성을 확대할 수 있을 것으로 기대된다.
감사의 글
본 연구는 이 연구는 대한민국 정부의 지원을 받아 한국연구재단(NRF)의 연구비(과제번호 RS-2022-NR075791)를 통해 수행되었습니다.
References
N. Uzhegov, A. Smirnov, C. H. Park, J. H. Ahn, J. Heikkinen and J. Pyrhönen, “Design
Aspects of High-Speed Electrical Machines With Active Magnetic Bearings for Compressor
Applications,” IEEE Trans. Ind. Electron., vol. 64, no. 11, pp. 8427-8436, Nov. 2017.

K.N.V. Prasad and G. Narayanan, “Electromagnetic Bearings With Power Electronic Control
for High-Speed Rotating Machines: Review, Analysis, and Design Example,” IEEE Trans.
Indust. Appl., vol. 57, no. 5, pp. 4946-4957, Sept.-Oct. 2021.

J. Asama and A. Chiba, “Performance Evaluation of a Homopolar Bearingless Motor for
Ultrahigh Speed Applications,” IEEE Trans. Indust. Appl., vol. 57, no. 6, pp. 6913-6920,
Nov.-Dec. 2021.

E. Kwon, M. Noh, N. Lee, S. Baek and Y. W. Park, “A Study on the Efficient Optimization
of Controller for Magnetic Bearings Supporting Oil-Free Turbo-Chiller Compressor,”
JKSPE, vol. 39, no. 2, pp. 123-129, 2022.

Jun-Ho Lee, P. E. Allaire, “Experimental study of sliding mode control for a benchmark
magnetic bearing system and artificial heart pump suspension,” IEEE Trans. Control
Syst. Technol., vol. 11, no. 1, pp. 128-138, 2003.

Abubakar, A.Putkonen, M.Rehtla, T.Lindh S. Derammelaere, N.Nevaranta, “Optimizing
PID Controller Design for Rotor Systems Suspended by Active Magnetic Bearings,” Modeling,
Identification and Control, vol. 45, no. 3, pp. 105-114, 2024.

A. Chiba, T. Fukao, O. Ichikawa, M. Oshima, M. Takemoto and D. G. Dorrell, “Magnetic
Bearings and Bearingless Drives,” Newnes, 2005.

G. Schweitzer and E. H. Maslen, “Magnetic Bearings: Theory, Design, and Application
to Rotating Machinery,” Springer, 2009.

H. J. Ahn, M. S. Park, D. Sanadgol, I. H. Park, D. C. Han and E. H. Maslen, “A pressure
output feedback control of turbo compressor surge with a thrust magnetic bearing actuator,”
J. Mech. Sci. Technol., vol. 23, pp. 1406-1414, 2009.

X. Han, G. Liu, Y. Le, B. Dong and S. Zheng, “Unbalanced magnetic pull disturbance
compensation of magnetic bearing systems in MSCCs,” IEEE Trans. Ind. Electron., vol.
70, no. 4, pp. 4088-4097, Apr. 2023.

K. X. Li, C. Peng, Z. Q. Deng, W. Huang, Z. M. Zhang, “Field dynamic balancing for
active magnetic bearings supporting rigid rotor shaft based on extended state observer,”
Mech. Syst. Sig. Process., vol. 158 (107801), 2021.

저자소개
Joo-Hong Park received the B.S. and M.S. degrees in Electrical Engineering from Changwon
National University, Gyeongnam, Korea, in 1999 and 2001, respectively. His research
interests include power converters, motors, refrigerator control, and magnetic bearing
design and control. He is currently working toward the Ph.D. degree at Chungnam National
University.
Tel : 042-821-8581
Email : dspking@naver.com
She received the B.S. and M.S. degrees from Chungnam National University, Daejeon,
Korea, in 2023 and 2025, respectively. She is currently with the Convergence Engineering
and Technology Research Institute, Chungnam National University.
Tel : 042-821-8581
Email : hypekiddosuj@gmail.com
He received the B.S., M.S., and Ph.D. degrees from Chungnam National University, Daejeon,
Korea, in 2002, 2004, and 2007, respectively. From September 2007 to August 2010,
he was with the Korea Institute of Machinery and Materials, Daejeon, Korea, as a Senior
Researcher. From 2016 to 2017, he was a Visiting Scholar with the Department of Electrical
and Computer Engineering, University of Illinois at Urbana–Champaign, Urbana, IL,
USA. He is currently Professor with the Department of Electrical, Electronics, and
Communication Engineering Education, Chungnam National University.
Tel : 042-821-8581
Email : hwcho@cnu.ac.kr