์ดํจ
(Hyo Lee)
*iD
์ด๋์ค
(Dong-Yoon Lee)
**iD
๊น๋จ๊ท
(NamKyu Kim)
***iD
์ ์ฃผ์ฉ
(JooYong Jung)
***iD
์์ฌ์
(JaeYoung Yang)
***iD
๊ถ์์ง
(YoungJin Kwon)
***iD
์ฌ์ฌ์
(Jae Woong Shim)
โ iD
-
(Department of Energy Grid Engineering, Sangmyung University, Korea. E-mail:marvely99@naver.com)
-
(Dept. of Electrical Engineering, Sangmyung University, Korea. E-mail:hyo.smu@gmail.com)
-
(Dept. of Power System Research, Hyosung Corporation, Republic of Korea. E-mail:namkyukim@hyosung.com,
kwon@hyosung.com, jungjy@hyosung.com, yangjae0@hyosung.com)
Copyright ยฉ The Korean Institute of Electrical Engineers
Key Words
Renewable Energy Power Plant, Plant Controller, Grid Integration, Droop Control, KEPCO Technical Connection Code
1. ์ ๋ก
๋๊ท๋ชจ ์ ์ฌ์์๋์ง ๋ฐ์ ๋จ์ง๊ฐ ๊ณํต์ ์์ ์ ์ผ๋ก ์ฐ๊ณ๋๊ธฐ ์ํด์๋ ์ฑ๋ฅ ์ธก์ ๊ธฐ์ค์ (Point of Measurement, POM)์์์ ์ ์ ๋ฐ
์ฃผํ์๋ฅผ ๊ท์ ๋ด์์ ์ ์งํ๋ ๊ฒ์ด ํ์์ ์ด๋ค [1]. ํ์ง๋ง ๋ฐ์ ๋จ์ง๋ ๋์ ๋ถ์ง์ ๋ค์์ ๋ฐ์ ๊ธฐ๊ฐ ๋ถ์ฐ ๋ฐฐ์น๋๋ ๊ตฌ์กฐ์ ํน์ฑ๊ณผ ๊ธด ๋ด๋ถ ์ผ์ด๋ธ์ ์ํผ๋์ค๋ก ์ธํด, ๊ฐ๋ณ ๋ฐ์ ๊ธฐ ๋จ์์ ์ ์ด๋ง์ผ๋ก๋
์ฐ๊ณ์ ์ ์ํ๋ฅผ ํจ๊ณผ์ ์ผ๋ก ์ ์ดํ๊ธฐ ์ด๋ ค์ด ๊ธฐ์ ์ ํ๊ณ๋ฅผ ๊ฐ์ง๋ค [2].
๋จ์ง์ ์ด๊ธฐ์ ํต์ฌ์ ์ธ ์ญํ ์ POM ์ง์ ์์ ์ธก์ ๋ ์ ๋ณด๋ฅผ ๊ธฐ๋ฐ์ผ๋ก ๋ค์์ ๋ฐ์ ๊ธฐ๋ฅผ ํตํฉ ์ด์ํ์ฌ ์ฐ๊ณ์ ์ ์ถ๋ ฅ์ ์ ์ดํ๋ ๊ฒ์ ์๋ค [3]. ์ด๋ฌํ ํน์ฑ์ ์ ํจ์ ๋ ฅ ์ ์ด๋ณด๋ค ๋ฌดํจ์ ๋ ฅ ์ ์ด์์ ๊ทธ ํจ์ฉ์ฑ์ด ๋์ฑ ๋๋๋ฌ์ง๊ฒ ๋ํ๋๋ค. ํนํ ๋จ์ง ๋ด๋ถ ์ผ์ด๋ธ์ ๊ธธ์ด๋ 1~2km๋ก ๋น๊ต์ ์งง์
์ ํญ ์ฑ๋ถ์ผ๋ก ์ธํ ์ ํจ์ ๋ ฅ ์์ค์ ์ํฅ์ ํฌ์ง ์๋ค [4]. ํ์ง๋ง ๋ณ์๊ธฐ์ ๋์ค ๋ฆฌ์กํด์ค๋ ์ผ์ด๋ธ์ ์ ์ ์ฉ๋๊ณผ ๊ฐ์ ๋ฌดํจ์ฑ๋ถ์ ์๋นํ ๋ฌดํจ์ ๋ ฅ ์์ค๊ณผ ์ ์ ๊ฐํ๋ฅผ ์ ๋ฐํ๋ค. ์ด์ ๋ฐ๋ผ POM ์ง์ ์ ์ํ(์ ์,
์ญ๋ฅ ๋ฑ)๋ฅผ ๊ธฐ์ค์ผ๋ก ํ๋ ๋ฌดํจ์ ๋ ฅ ์ง๋ น์ ๊ฐ๋ณ ๋ฐ์ ๊ธฐ ์ ์ด๋ง์ผ๋ก ์ถ์ข
ํ ๊ฒฝ์ฐ ํฐ ์ค์ฐจ๊ฐ ๋ฐ์ํ ์ ์๋ค [5].
์ด๋ฌํ ๊ธฐ์ ์ ๋ฌธ์ ๋ฅผ ํด๊ฒฐํ๊ณ ๊ณํต ์์ ์ฑ์ ํ๋ณดํ๊ธฐ ์ํด, ๋ํ๋ฏผ๊ตญ์์๋ ํ๊ตญ์ ๋ ฅ๊ณต์ฌ(KEPCO)๊ฐ ์ ์ํ๋ ใ์ ์ฌ์๋ฐ์ ๊ธฐ ์ก์ ๊ณํต ์ฐ๊ณ๊ธฐ์คใ์
์ค์๋ฅผ ์๊ตฌํ๊ณ ์๋ค [6]. ํด๋น ์ฐ๊ณ๊ธฐ์ค์ ๋ฌดํจ์ ๋ ฅ ๊ณต๊ธ๋ฅ๋ ฅ, ์ ํจ์ ๋ ฅ ์ถ๋ ฅ ์ ํ, ์ฃผํ์ ์๋ต ํน์ฑ ๋ฑ ๋ฐ์ ๋จ์ง๊ฐ ๊ณํต ๊ณ ์ฅ๊ณผ ๊ฐ์ ๋น์ ์ํฉ์์๋ ๊ณํต ์์ ์ฑ์ ์ ์งํ๊ธฐ
์ํด ๋ง์กฑํด์ผ ํ ์ต์ํ์ ๊ธฐ์ ์ ์๊ตฌ์ฌํญ์ ์์ธํ ๋ช
์ํ๊ณ ์๋ค.
์ด๋ฌํ ์๊ตฌ์ฌํญ์ ์ถฉ์กฑ์ํค๊ธฐ ์ํ ๊ธฐ์ ์ ๋์์ผ๋ก ์์ ์ ์ด๊ธฐ(Supervisory Controller)๋ฅผ ํตํด ๋ฐ์ ๋จ์ง๋ฅผ ํตํฉ ์ด์ํ๋ ๋จ์ง์ ์ด(Farm-Level
Control) ๊ธฐ์ ์ด ์ ์๋๊ณ ์๋ค [7]. ๋จ์ง์ ์ด๋ ์ฐ๊ณ์ ์ ์ํ๋ฅผ ์ง์ ๊ฐ์ํ์ฌ ๊ฐ๋ณ ํฐ๋น์ ์ถ๋ ฅ์ ์ ์ดํ๋ฏ๋ก ํจ๊ณผ์ ์ธ ๊ณํต ์์ ํ ๊ธฐ๋ฅ์ ์ํํ ์ ์๋ค.
๋ฐ๋ผ์ ๋จ์ง์ ์ด ๋ชจ๋ธ์ด ๊ตญ๋ด ์ฐ๊ณ๊ธฐ์ค์ ์ธ๋ถ ์กฐํญ๋ค์ ๋ง์กฑํ๋์ง ์๋ฎฌ๋ ์ด์
์ ํตํด ์ฒด๊ณ์ ์ผ๋ก ๊ฒ์ฆํ๊ณ ๋ถ์ํ๋ ์ฐ๊ตฌ์ ํ์์ฑ์ด ์ ๊ธฐ๋๋ค [8].
๋ฐ๋ผ์ ๋ณธ ์ฐ๊ตฌ์์๋ ์ ์ฌ์์๋์ง ๋จ์ง์ ์ ์ฉ ๊ฐ๋ฅํ ๋จ์ง์ ์ด๊ธฐ๋ฅผ ์ ์ํ๋ค. ์ ์๋ ์ ์ด ๊ธฐ๋ฒ์ ๊ธฐ๋ฐ์ผ๋ก KEPCO์์ ์ ์ํ๋ ๊ณํต ์ฐ๊ณ๊ธฐ์ค์ ์ถฉ์กฑ
์ฌ๋ถ๋ฅผ ๊ฒ์ฆํ๊ณ , ์ด๋ฅผ ๊ฐ๋ณ ๋ฐ์ ๊ธฐ ๋จ์ ์ ์ด ์๋๋ฆฌ์ค์ ๋น๊ตํจ์ผ๋ก์จ ๋จ์ง์ ์ด์ ๊ณํต ์์ ํ ๊ธฐ์ฌ ํจ๊ณผ๋ฅผ ์ ๋์ ์ผ๋ก ํ๊ฐํ๋ค.
์ด๋ฅผ ์ํด, ๋ด๋ถ ์ผ์ด๋ธ ์ํผ๋์ค์ ์ํฅ์ด ๊ฐ์ฅ ๋๋๋ฌ์ง๋ ํด์ํ๋ ฅ๋ฐ์ ๋จ์ง๋ฅผ ๋ํ ๋ชจ๋ธ๋ก ์ ์ ํ์ฌ PSCAD/ EMTDC ๊ธฐ๋ฐ์ ์๋ฎฌ๋ ์ด์
์ ์ํํ์๋ค.
๋ณธ ๋
ผ๋ฌธ์ ๊ตฌ์ฑ์ ๋ค์๊ณผ ๊ฐ๋ค. ์ 2์ฅ์์๋ ๋ณธ ์ฐ๊ตฌ์ ์ฑ๋ฅ ํ๊ฐ ๊ธฐ์ค์ด ๋๋ KEPCO์ ใ์ ์ฌ์๋ฐ์ ๊ธฐ ์ก์ ๊ณํต ์ฐ๊ณ๊ธฐ์คใ์ ๋ํด ๊ธฐ์ ํ๋ค. ํนํ,
๋ฐ์ ๋จ์ง ๋จ์์์ ์๊ตฌ๋๋ ์๋ฎฌ๋ ์ด์
์ฑ๋ฅ ๊ฒ์ฆ ํญ๋ชฉ๋ค์ ์์ธํ ์ค๋ช
ํ๊ณ ๊ฐ ํญ๋ชฉ์ ํ๋ณ ๊ท์ ์ ์ ์ํ๋ค. ์ 3์ฅ์์๋ ์๋ฎฌ๋ ์ด์
์ ์ฌ์ฉ๋ ๋ํ
๋ฐ์ ๋จ์ง ๋ชจ๋ธ์ ์ฌ์๊ณผ ๋ณธ ์ฐ๊ตฌ์์ ์ ์ํ๋ ๋จ์ง์ ์ด๊ธฐ์ ์ ์ด ๊ตฌ์กฐ ๋ฐ ๋ชจ๋ธ๋ง ๋ฐฉ์์ ๋ํด ์์ธํ ๊ธฐ์ ํ๋ค. ์ 4์ฅ์์๋ 2์ฅ์์ ๊ธฐ์ ํ ํ๊ฐ ํญ๋ชฉ
์ค ๋จ์ง์ ์ด๊ธฐ์ ํจ๊ณผ๋ฅผ ๋ช
ํํ ํ์ธํ ์ ์๋ ์ฃผ์ ์ฌ๋ก๋ค์ ์ ์ ํ์ฌ ์๋ฎฌ๋ ์ด์
์ ์ํํ๊ณ , ๊ทธ ๊ฒฐ๊ณผ๋ฅผ ๊ฐ๋ณ ์ ์ด ๋ฐฉ์๊ณผ ๋น๊ต ๋ถ์ํ์ฌ ์ ์๋ ์ ์ด๊ธฐ์
์ฐ์์ฑ์ ๊ฒ์ฆํ๋ค. ๋ง์ง๋ง์ผ๋ก ์ 5์ฅ์์๋ ๋ณธ ์ฐ๊ตฌ์ ๊ฒฐ๋ก ์ ๋งบ๋๋ค.
2. ํ์ ์ ์ฌ์๋ฐ์ ๊ธฐ ์ฐ๊ณ ๊ธฐ์ค
์ ์ฌ์๋ฐ์ ๋จ์ง๊ฐ ์ก์ ๊ณํต์ ์ฐ๊ณํ๊ธฐ ์ํด์๋ ํ๊ตญ์ ๋ ฅ๊ณต์ฌ(KEPCO)์ ใ์ ์ฌ์๋ฐ์ ๊ธฐ ์ก์ ๊ณํต ์ฐ๊ณ๊ธฐ์คใ์ ์ค์ํด์ผ ํ๋ค [4]. ํด๋น ์ฐ๊ณ๊ธฐ์ค์ ์ ์ฌ์๋ฐ์ ๋จ์ง๊ฐ ๊ณํต์ด์์์ ์ง๋ น์ ์ ์ํ๊ณ ์ ํํ๊ฒ ์๋ตํ์ฌ ๊ณํต ์์ ์ฑ์ ๊ธฐ์ฌํ ๊ฒ์ ์๊ตฌํ๋ฉฐ, ๊ทธ ์ค์ ์ฌ๋ถ๋ ๋ถ๋ก 4์
๋ช
์๋ ์๋ฎฌ๋ ์ด์
์ ํตํด ๊ฒ์ฆ๋๋ค [6]. ๋ณธ ์ฅ์์๋ ์ดํ ์ ์ํ๋ ๋จ์ง์ ์ด๊ธฐ์ ์ฑ๋ฅ ๊ฒ์ฆ์ ์ง์ ์ ์ผ๋ก ํ์ฉ๋๋ ์ฐ๊ณ๊ธฐ์ค ํญ๋ชฉ๋ง์ ์ ๋ณํ์ฌ ์ ๋ฆฌํ๋ฉฐ, ๋จ์ ๊ธฐ์ค ์์ฝ์ด ์๋ ๋ณธ ๋
ผ๋ฌธ ์ ์ฉ
๋ฒ์๋ฅผ ๋ช
ํํ ํ๋ ๋ฐ ๋ชฉ์ ์ ๋๋ค..
ํด๋น ๊ธฐ์ค์์๋ 11๊ฐ์ง ์ฃผ์ ์ฑ๋ฅ ํญ๋ชฉ์ ๋ํ ์๋ฎฌ๋ ์ด์
์ ์ํํ๋ ๊ฒ์ ์๊ตฌํ๋ค. ๊ฐ ์ํ์ ์ ํจ/๋ฌดํจ์ ๋ ฅ, ์ด๊ธฐ ์ ์, ์ฃผํ์, ๊ทธ๋ฆฌ๊ณ ๊ณํต
๊ฐ์ธ์ฑ์ ๋ํ๋ด๋ ๋จ๋ฝ์ฉ๋ ๋น(SCR) ๋ฐ X/R ๋น์จ ๋ฑ ๋ค์ํ ์ด๊ธฐ ์กฐ๊ฑด ์กฐํฉ์ ๊ณ ๋ คํ ๋ค์์ ์๋๋ฆฌ์ค๋ก ๊ตฌ์ฑ๋๋ค. ๋ณธ ๋
ผ๋ฌธ์์ ์ํํ ์ฃผ์ ์๋ฎฌ๋ ์ด์
์
์ด๊ธฐ ์กฐ๊ฑด ๋ฐ ์๋๋ฆฌ์ค๋ ํ 1์ ์์ฝ๋์ด ์์ผ๋ฉฐ, ๊ฐ ์ํ๋ณ ์์ธ ์ ์ฐจ๋ ๋ถ๋ก 1์ ๊ธฐ์ ํ์๋ค.
ํ 1. ์ ์ ์ฐ๊ณ์ ์ง ์ํ ์ ์ธ๊ฐ์ ์์ ๋ฐ๋ฅธ ์ง์์๊ฐ ์๊ตฌ์ฌํญ
Table 1. Required Duration according to Applied Voltage in VRT Test
|
์๋๋ฆฌ์ค
|
์ ํจ์ ๋ ฅ
|
๋ฌดํจ์ ๋ ฅ
|
์ด๊ธฐ POM ์ ์
|
์ฃผํ์
|
SCR
|
X/R ratio
|
๋ชฉํ๊ฐ ์๋ ด ์๊ฐ
|
์ค์ฐจ๋ฒ์
|
|
์ํ์ ์ฐจ
|
|
1. ๋ฌดํจ์ ๋ ฅ ๊ณต๊ธ๋ฅ๋ ฅ
|
๋ถ๋ก1 ์ฐธ์กฐ
|
๋ถ๋ก1 ์ฐธ์กฐ
|
๋ถ๋ก1 ์ฐธ์กฐ
|
60
|
5 / 20
|
3 / 20
|
-
|
-
|
|
-
|
|
2. ์ ํจ์ ๋ ฅ ์ถ๋ ฅ ์ ํ
|
๋ถ๋ก1 ์ฐธ์กฐ
|
0% / 33% / -33%
|
1pu(ยฑ0.02pu ์ด๋ด)
|
60
|
5 / 20
|
3 / 20
|
5์ด ์ด๋ด
|
ยฑ5%
|
|
์ ํจ์ ๋ ฅ ์ง๋ น์น : 10์ด ๊ฒฝ๊ณผ ์ 100% โ 20% (์ด 50์ด)
|
|
3. ๊ธด๊ธ ์ถ๋ ฅ๊ฐ์
|
๋ถ๋ก1 ์ฐธ์กฐ
|
0% / 33% / -33%
|
1pu(ยฑ0.02pu ์ด๋ด)
|
60
|
5 / 20
|
3 / 20
|
5์ด ์ด๋ด
|
ยฑ5%
|
|
๊ณํต ์ฃผํ์ : 10์ด ๊ฐ๊ฒฉ์ผ๋ก 60.336Hz โ 60Hz โ 60.636Hz โ 60Hz โ 60.936Hz โ 60Hz (์ด 70์ด)
|
|
4. ์ฃผํ์-์ ํจ์ ๋ ฅ ์ ์ด
|
100% / 20%
|
0% / 33% / -33%
|
1pu(ยฑ0.02pu ์ด๋ด)
|
๋ถ๋ก1 ์ฐธ์กฐ
|
5 / 20
|
3 / 20
|
5์ด ์ด๋ด
|
ยฑ5%
|
|
๊ณํต ์ฃผํ์ : 10์ด ๊ฐ๊ฒฉ์ผ๋ก 60.336Hz โ 60Hz โ 60.636Hz โ 60Hz โ 60.936Hz โ 60Hz (์ด 70์ด)
|
|
5. ๋ฌดํจ์ ๋ ฅ ์ ์ด
|
100% / 50%
|
๋ถ๋ก1 ์ฐธ์กฐ
|
1pu(ยฑ0.02pu ์ด๋ด)
|
60
|
5 / 20
|
3 / 20
|
5์ด ์ด๋ด
|
ยฑ5%
|
|
๊ณํต ์ฃผํ์ : 10์ด ๊ฐ๊ฒฉ์ผ๋ก โ33% โ 33% โ -15% โ 15% โ 0% (์ด 60์ด)
|
|
6. ์ญ๋ฅ ์ ์ด
|
100% / 50%
|
๋ถ๋ก1 ์ฐธ์กฐ
|
1pu(ยฑ0.02pu ์ด๋ด)
|
60
|
5 / 20
|
3 / 20
|
5์ด ์ด๋ด
|
ยฑ5%
|
|
์ญ๋ฅ ์ง๋ น์น : 10์ด ๊ฐ๊ฒฉ์ผ๋ก 1 โ 0.95(์ง์) โ 1 โ 0.95(์ง์) โ 0% (์ด 50์ด)
|
|
7. ๊ณ ์ ์ญ๋ฅ ์ ์ด
|
๋ถ๋ก1 ์ฐธ์กฐ
|
0.95(์ง์) /0.95(์ง์)
|
1pu(ยฑ0.02pu ์ด๋ด)
|
60
|
5 / 20
|
3 / 20
|
5์ด ์ด๋ด
|
ยฑ5%
|
|
์ ํจ์ ๋ ฅ ์ง๋ น์น : 10์ด ๊ฐ๊ฒฉ์ผ๋ก 100% โ 80% โ 50% โ 20% โ 100% (์ด 50์ด)
|
|
8. ์ ์-๋ฌดํจ์ ๋ ฅ ์ ์ด
|
100% / 20%
|
0%
|
๋ถ๋ก1 ์ฐธ์กฐ
|
60
|
5 / 20
|
3 / 20
|
5์ด ์ด๋ด
|
ยฑ5%
|
|
๊ณํต ์ ์ : 10์ด ๊ฐ๊ฒฉ์ผ๋ก 1pu โ 0.95pu โ 0.92pu โ 0.98pu โ 1.05pu โ 1.08pu โ 1pu (์ด 70์ด)
|
|
9. ์ฃผํ์ ์ฐ๊ณ ์ ์ง
|
100%
|
0%
|
1pu(ยฑ0.02pu ์ด๋ด)
|
๋ถ๋ก1 ์ฐธ์กฐ
|
5
|
20
|
-
|
-
|
|
๊ณํต ์ฃผํ์ : 10์ด ๊ฒฝ๊ณผ ์ 60์ด๊ฐ 60.5Hz, 61.0Hz, 61.5Hz ์ธ๊ฐํ 10์ด๊ฐ 60Hz / 20์ด๊ฐ 59.5Hz, 59.0Hz,
58.5Hz, 58.0Hz, 57.5Hz ์ธ๊ฐ ํ 50์ด๊ฐ 60Hz
|
|
10. ์ ์ ์ฐ๊ณ ์ ์ง
|
100% / 20%
|
0%
|
๋ถ๋ก1 ์ฐธ์กฐ
|
60
|
5 / 20
|
3 / 20
|
-
|
-
|
|
๊ณํต ์ ์ : 10์ด๋ถํฐ ๊ฐ๊ฐ 1.2pu 0.2์ด / 1.1pu 0.2์ด / 0.9pu 1.5์ด / 0.5pu 0.9์ด / 0.1pu 0.3์ด /
0pu 0.15pu โ 1pu (์ด 30์ด)
|
|
11. ๊ณ ์ฅ์ ๋ฅ ์ฃผ์
|
100% / 20%
|
0%
|
๋ถ๋ก1 ์ฐธ์กฐ
|
60
|
5 / 20
|
3 / 20
|
5์ด ์ด๋ด
|
ยฑ10%
|
|
๊ณํต ์ฃผํ์ : 10์ด๋ถํฐ 0.1์ด๊ฐ 0.7 / 0.5 / 0.1 pu (์ด 11์ด)
|
3. ๋จ์ง ์ ์ด๊ธฐ ๋ชจ๋ธ๋ง ๋ถ์
๋ณธ ์ฅ์์๋ KEPCO ์ฐ๊ณ๊ธฐ์ค์์ ์ผ๋ฐ์ ์ผ๋ก ์ฌ์ฉ๋๋ ๋จ์ง ์ ์ด ๊ตฌ์กฐ๋ฅผ ๊ธฐ๋ฐ์ผ๋ก ๋จ์ง์ ์ด๊ธฐ๋ฅผ ์ค๊ณํ์๋ค. ์ฌ๊ธฐ์ POM ๊ธฐ๋ฐ ํตํฉ ์ ์ด ๋ฐ ๊ณ ์ฅ์ ๋ฅ
์ฃผ์
๊ธฐ๋ฅ์ ์ถ๊ฐํ์ฌ ๊ฐ์ ๋ ๋จ์ง์ ์ด๊ธฐ๋ฅผ ์ ์ํ๋ค.
๋จ์ง ์ ์ด๊ธฐ๋ ๋ฏธ๊ตญ ์๋ถ ์ ๋ ฅ ์กฐ์ ์์ํ(WECC)์์ ์ ์ํ ๋ฒ์ฉ ์ ์ฌ์์๋์ง ๋จ์ง์ ์ด ๋ชจ๋ธ REPC_B (Renewable Energy Plant
Controller Type B)๋ฅผ ๊ธฐ๋ฐ์ผ๋ก ์ค๊ณ๋์๋ค [9]. REPC_B๋ ๋จ์ง ์ ์ฒด์ ์ ํจ์ ๋ ฅ ๋ฐ ๋ฌดํจ์ ๋ ฅ์ ํตํฉ ์ ์ดํ๊ธฐ ์ํ ํ์ค ๋ชจ๋ธ๋ก, POM ์ง์ ์์ ์ธก์ ๋ ์ ์, ์ ํจ์ ๋ ฅ, ๋ฌดํจ์ ๋ ฅ ๋ฐ์ดํฐ๋ฅผ
๋ฐํ์ผ๋ก ์ ์ฒด ๋ฐ์ ๋จ์ง๊ฐ ์ถ์ข
ํด์ผ ํ ์ต์ข
์ ํจ ๋ฐ ๋ฌดํจ์ ๋ ฅ ์ง๋ น์น๋ฅผ ์ฐ์ฐํ์ฌ ๊ฐ ๋ฐ์ ๊ธฐ์ ๋ถ๋ฐฐํ๋ ๊ธฐ๋ฅ์ ์ํํ๋ค. [9].
์ด๋, ๋จ์ง ์ ์ด๊ธฐ๋ก๋ถํฐ ์ง๋ น์ ์์ ํ ๊ฐ๋ณ ๋ฐ์ ๊ธฐ๋ ์ค์ ์ ๋ฅ ์ถ๋ ฅ์ ์ ์ดํ๊ฒ ๋๋๋ฐ, ๋ณธ ์ฐ๊ตฌ์์๋ ํ์ ์ ์๊ฒฉํ ์ฐ๊ณ ๊ธฐ์ค(ํนํ ๊ณ ์ฅ ์ ๋์)์
์ถฉ์กฑํ๊ธฐ ์ํด ๊ฐ๋ณ ์ธ๋ฒํฐ ์ ์ด๋ถ์๋ ํ์ ์ฐ๊ณ๊ธฐ์ค ์ถฉ์กฑ์ ์ํด ๋ค์๊ณผ ๊ฐ์ ๋ ๊ฐ์ง ํต์ฌ ์ ์ด ๊ธฐ๋ฅ์ ์ถ๊ฐ ๋ฐ ๊ฐ์ ํ์๋ค.
์ฒซ์งธ, ๊ณ ์ฅ ์ ๋ฌดํจ์ ๋ฅ ์ฃผ์
์๊ณ ๋ฆฌ์ฆ์ ์ ์ฉํ์๋ค. ์ด๋ ๊ฐ๋ณ ์ธ๋ฒํฐ๊ฐ ๋จ์ ์ ์์ ๊ฐํ๋ฅผ ๊ฐ์งํ ๊ฒฝ์ฐ, ์์ ์ ์ด๊ธฐ์ ์ง๋ น๊ณผ ๋ณ๋๋ก ํ์ ๊ธฐ์ ๊ธฐ์ค์์
์๊ตฌํ๋ ์ ์ ๊ฐํ๋์ ๋ฐ๋ฅธ ๋ฌดํจ์ ๋ฅ ์ฐ์ถ์์ ๋ฐ๋ผ ์ฆ๊ฐ์ ์ธ ๋ฌดํจ์ ๋ฅ๋ฅผ ์ฃผ์
ํ๋๋ก ํ๋ ์ ์ด ๋ก์ง์ด๋ค.
๋์งธ, ๋ฌดํจ์ ๋ฅ ์ฐ์ ์ ์ด ๋ฐ ์ ๋ฅ ์ ํ ๋ก์ง์ ๊ตฌํํ์๋ค. ์ธ๋ฒํฐ์ ์ ๊ฒฉ ์ ๋ฅ ์ฉ๋์ด ์ ํ๋ ์ํฉ์์ ๊ณํต ๊ณ ์ฅ์ด ๋ฐ์ํ ๊ฒฝ์ฐ, ์ ํจ์ ๋ฅ($i_d$)๋ณด๋ค
๋ฌดํจ์ ๋ฅ($i_q$)๋ฅผ ์ต์ฐ์ ์ผ๋ก ํ๋ณดํ์ฌ ๊ณํต ์ ์ ํ๋ณต์ ์ง์ํ๋๋ก ์ค๊ณํ์๋ค.
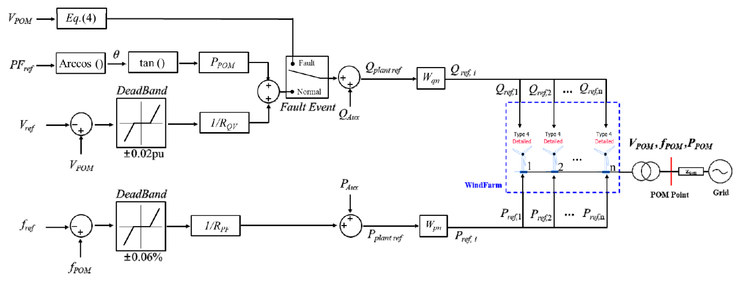
์ ์ํ๋ ๋จ์ง์ ์ด๊ธฐ์ ์ ์ฒด ๊ตฌ์กฐ๋ ๊ทธ๋ฆผ 1์ ๊ฐ๋ค. ์ ์ด๊ธฐ๋ ํฌ๊ฒ (1) ๊ณํต ์ํฉ์ ๋ฐ๋ผ ์ด์ ๋ชจ๋๋ฅผ ๊ฒฐ์ ํ๋ ๋ถ๋ถ, (2) ์
๋ ฅ๋ ์ง๋ น์น์ ๋ํด ์ค์ ๋ ๊ณ์ฐ์์ ๋ฐ๋ผ ์ ํจ์ ๋ ฅ๊ณผ ๋ฌดํจ์ ๋ ฅ์
์ง๋ น์น๋ฅผ ์ฐ์ถํ๋ ๋ถ๋ถ, (3) ๊ณ์ฐ๋ ์ง๋ น์ ๊ฐ ๋ฐ์ ๊ธฐ ํ ๋น๋ ๊ฐ์ค์น๊ฐ ๊ณฑํ์ฌ ๋ถ๋ฐฐํ๋ ๋ถ๋ถ์ผ๋ก ๋๋๋ค.
๋ณธ ๋
ผ๋ฌธ์์ ์ ์ํ๋ ๋จ์ง์ ์ด๊ธฐ์ ํต์ฌ์ ์ธ ์ฐจ๋ณ์ ์ POM ์ง์ ์ธก์ ๊ฐ์ ๊ธฐ๋ฐ์ผ๋ก ํ ํตํฉ ์ ์ด ๊ตฌ์กฐ์ ๊ณ ์ฅ ์ ๋ฅ๋์ ์ธ ๊ณ ์ฅ์ ๋ฅ ์ฃผ์
๊ธฐ๋ฅ์ ์๋ค.
์ด ์ธ์ ๊ธฐ๋ณธ์ ์ธ ์ ํจยท๋ฌดํจ์ ๋ ฅ ์ ์ด ๊ตฌ์กฐ๋ ์ ๋ขฐ์ฑ์ด ๊ฒ์ฆ๋ ํ์ค ๋ชจ๋ธ(REPC_B)์ ๊ธฐ๋ฐ์ผ๋ก ํ๋, ๊ตญ๋ด ๊ณํต ์ฐ๊ณ ๊ธฐ์ค์ ์๊ฒฉํ ์๊ฑด์ ์ถฉ์กฑํ
์ ์๋๋ก ์ ์ด ํ๋ผ๋ฏธํฐ๋ฅผ ์ ์ ํ์ฌ ์ ์ฉํ์๋ค.
๊ทธ๋ฆผ 1. ๋ณธ ์ฐ๊ตฌ์์ ์ ์ํ๋ ํ์ ์ฐ๊ณ๊ธฐ์ค ์ค์๋ฅผ ์ํ ์ ์ฌ์๋ฐ์ ๋จ์ง์ ๋จ์ง์ ์ด๊ธฐ [9]
Fig. 1. The plant controller for renewable energy complexes proposed in this study
to comply with KEPCO grid code
3.1 QV Droop ์ ์ด
๋ณธ ์ ์์๋ REPC_B ๋ชจ๋ธ์ ์ ์๋ Q-V Droop ์ ์ด ๊ตฌ์กฐ๋ฅผ ๊ธฐ๋ฐ์ผ๋ก, POM ์ ์์ ๊ธฐ์ค์ผ๋ก ํ ๋ฌดํจ์ ๋ ฅ ์ง๋ น ์์ฑ ๋ฐฉ์์ ์ค๋ช
ํ๋ค.
์ (1)์ POM ์ง์ ์ ์ ์์ ์์ ์ ์ผ๋ก ์ ์งํ๊ธฐ ์ํ ์ ์ด๋ก, ์ธก์ ๋ POM์ธก์ ์ ์($V_{POMpu}$)๊ณผ ๊ธฐ์ค ์ ์($V_{refpu}$)์ ํธ์ฐจ์
๋น๋กํ์ฌ ๋ฌดํจ์ ๋ ฅ ์ง๋ น($Q_{refdroop}$)์ ์์ฑํ๋ค [10]. QVDroop($R_{QV}$) ์ค์ ๊ฐ์ ๋ฐ๋ฅธ ๋ฌดํจ์ ๋ ฅ ์ง๋ น์ ์ (1)๊ณผ๊ฐ์ด ๊ณ์ฐํ๋ฉฐ, ์ฐ๊ณ ๊ธฐ์ค ๋ด ์๋ฎฌ๋ ์ด์
์์๋ 5.5๋ก ์ค์ ๋์ด ์งํํ๋ค.
3.2 PF Droop ์ ์ด
๋ณธ ์ ์์๋ REPC_B์ ์ฃผํ์-์ ํจ์ ๋ ฅ Droop ์ ์ด๋ฅผ ๋ฐํ์ผ๋ก ๋จ์ง ๋จ์ ์ ํจ์ ๋ ฅ ์ง๋ น ์ฐ์ถ ๋ฐฉ์์ ๊ธฐ์ ํ๋ค.
์ (2)๋ ๊ณํต ์ฃผํ์ ์์ ํ์ ๊ธฐ์ฌํ๊ธฐ ์ํ ์ ์ด๋ก, POM ์ธก์ ์ ํจ์ ๋ ฅ ์ง๋ น($P_{refdrooppu}$)์ ์กฐ์ ํ๋ค. PF Droop($R_{PF}$)์ค์ ๊ฐ์
๋ฐ๋ฅธ ์ ํจ์ ๋ ฅ ์ง๋ น์ ์ (2)์ ๊ฐ์ด ๊ณ์ฐํ๋ฉฐ, ์ฐ๊ณ ๊ธฐ์ค ๋ด ์๋ฎฌ๋ ์ด์
์์๋ 3% ํน์ 5%๋ก ์ค์ ๋์ด ์งํํ๋ค [10].
3.3 ์ญ๋ฅ ์ง๋ น์น ๊ณ์ฐ์
๋ณธ ์ ์์๋ REPC_B์ ์ ์ด ๊ตฌ์กฐ๋ฅผ ๊ธฐ๋ฐ์ผ๋ก, ์
๋ ฅ๋ ์ญ๋ฅ ์ง๋ น์น๋ฅผ ๋ฌดํจ์ ๋ ฅ ์ง๋ น์น๋ก ํ์ฐํ๋ ์ฐ์ถ ๋ฐฉ์์ ๊ธฐ์ ํ๋ค.
์ (3)์ ๊ณํต ์ด์์์ ์ญ๋ฅ ์ง๋ น($PF_{ref}$)์ ์ค์ ์ ์ด์ ์ฌ์ฉ๋๋ ๋ฌดํจ์ ๋ ฅ ์ง๋ น($Q_{refPF}$)์ผ๋ก ๋ณํํ๋ ๊ธฐ๋ฅ์ด๋ค. ํด๋น ์์์
ํผ์์ ๋ ฅ, ์ ํจ์ ๋ ฅ, ๋ฌดํจ์ ๋ ฅ๊ฐ์ ๊ด๊ณ๋ฅผ ๋ํ๋ด๋ ์ ๋ ฅ ์ผ๊ฐํ์ ์ด์ฉํ์ฌ ์ง๋ น๋ฐ์ ์ญ๋ฅ ์ง๋ น์น๋ฅผ ๋ฌดํจ์ ๋ ฅ ์ง๋ น์น๋ก ๊ณ์ฐํ๋ค [11].
3.3 ๋จ์๋ฐ์ ๊ธฐ ๊ฐ์ค์น ๊ณ์ฐ์
์์ ๋ก์ง์์ ๊ณ์ฐ๋ ๋ฐ์ ๋จ์ง ์ ์ฒด์ ์ต์ข
์ ํจ/๋ฌดํจ์ ๋ ฅ ์ง๋ น($P_{plant, ref}, Q_{plant, ref}$)์ ๊ฐ๋ณ ๋ฐ์ ๊ธฐ์ ์์ ์ ์ผ๋ก
๋ถ๋ฐฐ๋์ด์ผ ํ๋ค [12]. ์ด๋ฅผ ์ํด ๋ณธ ์ฐ๊ตฌ์์๋ ๊ฐ ๋ฐ์ ๊ธฐ์ ์ด์ ์ํ๋ฅผ ๊ณ ๋ คํ ๊ฐ์ค์น($w_{\pi}, w_{qi}$, Weighting Factor)๋ฅผ ์ ์ฉํ์ฌ ๊ฐ๋ณ
๋ฐ์ ๊ธฐ ์ง๋ น์ ์์ฑํ๋ค.
์ (5),(6)์ ์๋ ์ฒจ์$i$๋ ๊ฐ๋ณ ๋ฐ์ ๊ธฐ (1,2,...,n)์ ์๋ฏธํ๋ฉฐ, $w_{\pi}, w_{qi}$๋ ๊ฐ๊ฐ $i$๋ฒ์งธ ๋ฐ์ ๊ธฐ์ ๊ฐ์ค์น๋ฅผ ์๋ฏธํ๋ค.
ํด๋น ์ ์ด๊ธฐ๋ ์ฉ๋์ด ๋ค๋ฅธ ๋ฐ์ ๊ธฐ๊ฐ ํผ์ฌ๋ ์ํฉ์ด๊ฑฐ๋ ๊ณ ์ฅ์ด ๋ฐ์ํ๋ ์ํฉ์ด ๋ฐ์ํ์์ ๋ ๊ฐ ๋ฐ์ ๊ธฐ์ ๊ฐ์ค์น๋ฅผ ๋ณ๊ฒฝํ์ฌ ๋์ฒํ ์ ์๋๋ก ํ์๋ค
[9].
๋ณธ ์ฐ๊ตฌ์์ ๊ตฌ์ฑํ ์๋ฎฌ๋ ์ด์
๋ชจ๋ธ์ ๋ชจ๋ ๊ฐ๋ณ ๋ฐ์ ๊ธฐ๊ฐ ๋์ผํ ์ ๊ฒฉ์ฉ๋์ ๊ฐ๋ ๊ฒ์ผ๋ก ๊ฐ์ ํ์์ผ๋ฏ๋ก, ๊ฐ ๋ฐ์ ๊ธฐ์๋ ๋์ผํ ๊ฐ์ค์น๊ฐ ์ ์ฉํ์๋ค.
3.5 ๊ณ ์ฅ ์ ๋ฌดํจ์ ๋ฅ ์ง๋ น์น ๊ณ์ฐ์
๊ณํต ๊ณ ์ฅ์ผ๋ก ์ธํ ์ ์ ๊ฐํ ์, ์ ์ ํ๋ณต์ ์ง์ํ๊ธฐ ์ํด ์ฐ๊ณ๊ธฐ์ค์ ๋ช
์๋ ์๊ตฌ์ฌํญ์ ๋ฐ๋ผ ๋ฌดํจ์ ๋ฅ($I_q$)๋ฅผ ์ฃผ์
ํ๋ค [6]. ์ด๋ POM ์ง์ ์ ์ ์($V_{POMpu}$) ํฌ๊ธฐ์ ๋ฐ๋ผ ๊ฒฐ์ ๋๋ฉฐ, ์(4)๊ณผ ๊ฐ์ด ๊ตฌ๊ฐ๋ณ๋ก ์ ์๋๋ค. ๊ตฌ์ฒด์ ์ผ๋ก,$V_{POMpu}$๊ฐ 0.9pu ์ด์์ผ ๊ฒฝ์ฐ์๋ ๋ฌดํจ์ ๋ ฅ์ ์ฃผ์
ํ์ง ์์ผ๋ฉฐ, $V_{POMpu}$์ด 0.5pu์
0.9pu์ฌ์ด๋ก ํ๋ฝํ์์ ๊ฒฝ์ฐ ์ ํ์ผ๋ก ๋น๋กํ์ฌ ๋ฌดํจ์ ๋ฅ ์ฃผ์
๋์ ์ฆ๊ฐ์ํจ๋ค. 0.5pu ๋ฏธ๋ง์ผ๋ก ๊ธ๊ฒฉํ๊ฒ ์ฌ๊ฐํ ์ ์ ๊ฐํ ์ํฉ์์๋ ๊ณํต ์ง์์
๊ทน๋ํ ํ๊ธฐ ์ํด ์ธ๋ฒํฐ ์ ๊ฒฉ ์ ๋ฅ์ 100%์ ํด๋นํ๋ ์ต๋ ๋ฌดํจ ์ ๋ฅ๋ฅผ ์ฃผ์
ํ๋ค.
3.6 ๊ฐ๋ณ ๋ฐ์ ๊ธฐ ๋ด ์ธ๋ฒํฐ ์ ๋ฅ ์ ํ ์
๊ฐ๋ณ ๋ฐ์ ๊ธฐ์ ์ธ๊ฐ๋๋ ์ ํจ/๋ฌดํจ์ ๋ ฅ ์ง๋ น์ d-q์ถ ์ ๋ฅ($I_{dref}, I_{qref}$)๋ก ๋ณํ๋ ํ, ์ธ๋ฒํฐ์ ์ต๋ ์ ๊ฒฉ ์ ๋ฅ($I_{maxpu}$)
์ด๋ด๋ก ์ ํํ๋ค [11]. ์ด๋ ๊ณผ์ ๋ฅ๋ก๋ถํฐ ๊ฐ๋ณ ๋ฐ์ ๊ธฐ๋ฅผ ๋ณดํธํ๊ณ ์์ ์ ์ธ ์ด์ ์ ๋ณด์ฅํ๊ธฐ ์ํจ์ด๋ฉฐ, ์ (7)์ ๊ฐ์ d-q์ถ ์ ๋ฅ ๋ฒกํฐ์ ํฌ๊ธฐ๋ฅผ ์ ํํ๋ ๋ฐฉ์์ผ๋ก ๊ตฌํ๋๋ค,
ํนํ, ํ์ ์ฐ๊ณ๊ธฐ์ค ๋ด ๊ณ ์ฅ ์ค ์ ๋ฅ ์ฃผ์
์๋ฎฌ๋ ์ด์
์ ๊ฒฝ์ฐ, ํด๋น ์ ์ด๋ฅผ ํตํ ๋ฌดํจ์ ๋ฅ ์ฐ์ ์ ์ด๋ฅผ ํตํด ๊ตฌํ๋๋ค.
๊ธ๊ฒฉํ ๊ณํต ์ ์ ๊ฐํ๊ฐ ๊ฐ์ง๋๋ ๊ฒฝ์ฐ, ์ธ๋ฒํฐ์ธก์์ ๊ณํต ์ ์ ํ๋ณต์ ์ง์ํ๊ธฐ ์ํด ์ ํจ์ ๋ฅ ์ต๋๊ฐ์ ์ผ์์ ์ผ๋ก ๋ฎ์ถ๊ณ ์ด๋ฅผ ํตํด ํ๋ณด๋ ์ธ๋ฒํฐ์
์ ๋ฅ ์ฌ์ ๋ถ์ ๋ชจ๋ ๋ฌดํจ์ ๋ฅ ์ฃผ์
์ ํ ๋น๋์ด ๊ณํต ์์ ํ์ ๊ธฐ์ฌํ๋๋ก ์ค์ ๋๋ค.
4. ํ๋ ฅ๋จ์ง ์ฌ์ ๋ฐ ๋จ์ง ์ ์ด ์ ๋ต ์๊ฐ
๊ทธ๋ฆผ 2. ํด์ํ๋ ฅ๋ฐ์ ๋จ์ง ๊ฐ์๋: ๋จ์ง์ ์ด๊ธฐ ์ ์ฉ ์ ์ ์ด ๊ธฐ์ค์ (POM)๊ณผ ๋ฏธ์ ์ฉ ์ ์ฐ๊ณ์ (POI)
Fig. 2. Overview of offshore wind farm: Control reference point (POM) with plant controller
and grid connection point (POI) without plant controller
๋ณธ ์ฐ๊ตฌ์ ์ฑ๋ฅ ๊ฒ์ฆ์ ์ฌ์ฉ๋ ์๋ฎฌ๋ ์ด์
๋ชจ๋ธ์ ๊ทธ๋ฆผ 1๊ณผ ๊ฐ์ด ์ด 400MW์ ํด์ํ๋ ฅ๋ฐ์ ๋จ์ง๋ฅผ ๋์์ผ๋ก ํ๋ค. ๋ฐ์ ๋จ์ง๋ 10MW๊ธ ํ๋ ฅ๋ฐ์ ๊ธฐ 40๊ธฐ๋ก ๊ตฌ์ฑ๋๋ฉฐ, 10๊ธฐ์ฉ 4๊ฐ์ ํผ๋(Feeder)๋ก
๊ทธ๋ฃนํํ์๋ค. ๊ฐ๋ณ ํ๋ ฅ๋ฐ์ ๊ธฐ๋ ์ ๊ฒฉ ์ ํจ์ ๋ ฅ 10MW๋ก ๋ชจ๋ธ๋ง๋์๋ค. ๋จ์ง ๋ด๋ถ 66kV ๊ณํต์์ ์์ง๋ ์ ๋ ฅ์ ํด์ ๋ณ์ ์์ ์ฃผ ๋ณ์๊ธฐ๋ฅผ ํตํด
154kV๋ก ์น์๋์ด ์ธ๋ถ ๊ณํต์ผ๋ก ์ฐ๊ณ๋๋ค. ์ด๋ 400MW์ ์ด ์ค๋น์ฉ๋์ด ํ์ ์ ใ์ ์ฌ์๋ฐ์ ๊ธฐ ์ก์ ๊ณํต ์ฐ๊ณ๊ธฐ์คใ์ ๋ช
์๋ 40MW ์ด๊ณผ 500MW
์ดํ ๋ฐ์ ์์ ์ฐ๊ณ์ ์ ๊ท์ ์ ๋ฐ๋ฅธ ๊ฒ์ด๋ค [6].
๋ํ, ๊ฐ ํ๋ ฅ๋ฐ์ ๊ธฐ ์ฌ์ด์๋ ๋จ์ง ๋ด๋ถ์ ํน์ฑ์ ๋ฐ์ํ๊ธฐ ์ํด ์ ์ ์ฉ๋์ ๊ณ ๋ คํ ๋ฑ๊ฐ ์ผ์ด๋ธ ๋ชจ๋ธ์ ์ ์ฉํ์๋ค. ์ฐ๊ณ์ ์ ๊ณํต ์กฐ๊ฑด์ ํ์ ์ฐ๊ณ๊ธฐ์ค์
๋ช
์๋ ์ฝ๊ณํต(Weak Grid) ํ๊ฒฝ์ ๊ตฌํํ๊ธฐ ์ํด ๋จ๋ฝ ์ฉ๋๋น(SCR) 5, X/R ๋น์จ 20์ผ๋ก ์ค์ ํ์์ผ๋ฉฐ, ์๋ฎฌ๋ ์ด์
์ ์ฌ์ฉ๋ ์ฃผ์ ํ๋ผ๋ฏธํฐ๋
ํ 2์ ๊ฐ๋ค [6].
ํ 2. ํด์ํ๋ ฅ๋ฐ์ ๋จ์ง ๋ฐ ๊ณํต ์ํผ๋์ค ๋ชจ๋ธ๋ง ํ๋ผ๋ฏธํฐ
Table 2. Required Duration according to Applied Voltage in VRT Test
|
$V_{Grid}$[kV]
|
SCR
|
X/R ratio
|
|
154
|
5
|
20
|
|
$V_{WindFarm}$ [kV]
|
์ด ์ค๋น ์ฉ๋
|
๋ฐ์ ๊ธฐ ๊ตฌ์ฑ
|
|
66
|
400MW
|
10MW $\times$ 40๊ธฐ
|
5. ๋จ์ง์ ์ด ์ ์ฉ/๋ฏธ์ ์ฉ ์ฑ๋ฅ ๋น๊ต ๋ถ์
๋ณธ ์ฅ์์๋ ์๋ฎฌ๋ ์ด์
์ ํตํด ์ ์๋ ๋จ์ง์ ์ด๊ธฐ์ ์ ์ฉ ์ ๋ฌด์ ๋ฐ๋ฅธ ์ฑ๋ฅ ์ฐจ์ด๋ฅผ ๋น๊ตํ์ฌ, ์ด๋ฅผ ํตํด ํ์ ์ก์ ๊ณํต ์ฐ๊ณ ๊ธฐ์ ๊ธฐ์ค์ ๋ง์กฑ ์ฌ๋ถ๋ฅผ ๊ฒ์ฆํ๋ค.
์ฐ์ ์ ์ผ๋ก ์ ํจ์ ๋ ฅ ์ถ๋ ฅ ์ ์ด๋ฅผ ํตํด ์๋ต ํน์ฑ์ ๋น๊ตํ๊ณ , ๋จ์ง์ ์ด๊ธฐ์ ํจ์ฉ์ฑ์ด ๋ช
ํํ ๋๋ฌ๋๋ ๋ฌดํจ์ ๋ ฅ ๊ด๋ จ ์ฐ๊ณ๊ธฐ์ค ํญ๋ชฉ๋ค์ ์ค์ฌ์ผ๋ก ๋น๊ต ๋ถ์์
์ํํ๋ค.
๋ณธ ์ฅ์์๋ ์ ์๋ ๋จ์ง์ ์ด๊ธฐ์ ํจ๊ณผ๋ฅผ ๊ธฐ์กด ๊ฐ๋ณ ๋ฐ์ ๊ธฐ ์ ์ด ๋ฐฉ์๊ณผ ๋น๊ตํ๋ฉฐ, ์ฐ๊ณ๊ธฐ์ค ๋ง์กฑ ์ฌ๋ถ๋ฟ ์๋๋ผ ์ ์ด ์ฑ๋ฅ ๊ฐ์ ์ ๋๋ฅผ ์ ๋์ ์ผ๋ก ํ์ธํ๋
๋ฐ ์ค์ ์ ๋๋ค.
5.1 ์ ํจ์ ๋ ฅ ์ถ๋ ฅ ์ ์ด
๊ทธ๋ฆผ 3. ์ ํจ์ ๋ ฅ ์ถ๋ ฅ์ ํ ์ ๋จ์ง์ ์ด๊ธฐ ์ ๋ฌด์ ๋ฐ๋ฅธ ํ์ ์ฐ๊ณ๊ธฐ์ค ๋ง์กฑ ์ฌ๋ถ
Fig. 3. Verification of KEPCO grid code compliance with and without plant controller
during active power
ํ์ ์ก์ ๊ณํต ์ฐ๊ณ ๊ธฐ์ ๊ธฐ์ค์ ์ ํจ์ ๋ ฅ ์ถ๋ ฅ ์ ํ ์ํ ์๊ฑด์ ๋ฐ๋ผ ์ ํจ์ ๋ ฅ ์ง๋ น๊ฐ์ 100%์์ 80%๋ก ๋ณ๊ฒฝํ๋ฉฐ ์ ์ด ์ฑ๋ฅ์ ํ๊ฐํ์๋ค. ๊ทธ๋ฆผ 3์ ์ด์ ๋ฐ๋ฅธ ์ ํจ์ ๋ ฅ ์๋ต ํน์ฑ์ ๋ณด์ฌ์ค๋ค.
๊ทธ๋ฆผ 3๋ ์ ํจ์ ๋ ฅ ์ง๋ น์น๋ฅผ 100%์์ 80%๋ก ๋ณ๊ฒฝํ์ ๋์ ์๋ต์ ๋ณด์ฌ์ค๋ค. ๋จ์ง์ ์ด๊ธฐ๋ฅผ ์ ์ฉํ ๊ฒฝ์ฐ(๋
น์์ )์ ๊ฐ๋ณ์ ์ด๋ง ์ํํ ๊ฒฝ์ฐ(์ ์์ ) ๋ชจ๋
์ง๋ น ๋ณ๊ฒฝ ํ ์ฝ 0.5์ด ์ด๋ด์ ๋ชฉํ๊ฐ์ ์๋ ดํ๋ ๋น ๋ฅธ ์๋ต ์๋๋ฅผ ๋ณด์๋ค. ๋ ๊ฒฝ์ฐ ๋ชจ๋ ์ ์์ํ ์ค์ฐจ๊ฐ ์ ๊ฒฉ์ฉ๋์ ยฑ5% ์ด๋ด๋ฅผ ๋ง์กฑํ์ฌ ํ์
์ฐ๊ณ๊ธฐ์ค์ ์ถฉ์กฑํ์๋ค.
์ด๋ฌํ ๊ฒฐ๊ณผ๋ ์ ํจ์ ๋ ฅ ์ ์ด๊ฐ ๊ฐ๋ณ ๋จ์ ์ ์ด๋ง์ผ๋ก๋ ์ถฉ๋ถํ ์ฑ๋ฅ์ ๋ณด์์ ์์ฌํ๋ฏ๋ก, ์ดํ ์ ์์๋ ๋จ์ง์ ์ด๊ธฐ์ ํจ์ฉ์ฑ์ด ๋ช
ํํ ๋๋ฌ๋๋ ๋ฌดํจ์ ๋ ฅ
์ ์ด ์ฑ๋ฅ์ ์ง์ค์ ์ผ๋ก ๋ถ์ํ๋ค.
5.2 ๋ฌดํจ์ ๋ ฅ ๊ณต๊ธ๋ฅ๋ ฅ ํ๊ฐ
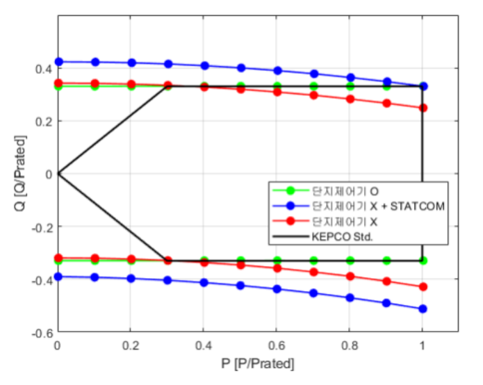
๋ฌดํจ์ ๋ ฅ ๊ณต๊ธ๋ฅ๋ ฅ ํ๊ฐ์์๋ 2.1์ ๋ฐ ๊ทธ๋ฆผ 1์์ ์ ์ํ ๋ฐ์ ๊ฐ์ด, ์ ํจ์ ๋ ฅ ์ถ๋ ฅ ์์ค์ ๋ฐ๋ฅธ ๋ฌดํจ์ ๋ ฅ ๊ณต๊ธ ์๊ตฌ์ฌํญ(0.33 pu ์ด์)์ ์ค์ํด์ผ ํ๋ค.
๊ทธ๋ฆผ 4๋ ์ ํจ์ ๋ ฅ ์ถ๋ ฅ ๋ณํ์ ๋ฐ๋ฅธ ๋ฌดํจ์ ๋ ฅ ๊ณต๊ธ ๋ฅ๋ ฅ์ ์๋ฎฌ๋ ์ด์
ํ ๊ฒฐ๊ณผ๋ฅผ ๋ณด์ฌ์ค๋ค. ๋จผ์ ๋จ์ง์ ์ด๊ธฐ ์์ด ๊ฐ๋ณ ์ ์ด๋ง ์ํํ๋ ๊ฒฝ์ฐ(์ ์์ ), ๋ฐ์ ๋จ์ง
๋ด๋ถ๋ง์ ๊ตฌ์ฑํ๋ ์น์ ๋ณ์๊ธฐ์ ๋์ค ๋ฆฌ์กํด์ค์ ์ํ ๋ฌดํจ์ ๋ ฅ ์์ค์ ๋ณด์ํ์ง ๋ชปํ์ฌ ์ฐ๊ณ๊ธฐ์ค์ ๋ง์กฑํ์ง ๋ชปํ์๋ค.
๊ทธ๋ฆผ 4. ๋ฌดํจ์ ๋ ฅ ๊ณต๊ธ๋ฅ๋ ฅ ํ๊ฐ ์ ๋จ์ง์ ์ด๊ธฐ ์ ๋ฌด ์ ๋ฐ๋ฅธ ํ์ ์ฐ๊ณ๊ธฐ์ค ๋ง์กฑ ์ฌ๋ถ ์
์ฆ
Fig. 4. Verification of KEPCO grid code compliance with and without plant controller
during reactive power output limitation
๊ตฌ์ฒด์ ์ผ๋ก ๋ฐ์ ๋จ์ง์ ์ ํจ์ ๋ ฅ ์ถ๋ ฅ์ด 0.3~1.0 pu ๊ตฌ๊ฐ์ผ ๋, ํ์ ๊ธฐ์ ๊ธฐ์ค์ 0.33 pu ์ด์์ ๋ฌดํจ์ ๋ ฅ ๊ณต๊ธ ๋ฅ๋ ฅ์ ์๊ตฌํ๋ค. ๊ทธ๋ฌ๋
๊ฐ๋ณ ์ ์ด ์ POM ์ง์ ์์ ์ธก์ ๋ ์ต๋ ๋ฌดํจ์ ๋ ฅ์ ์ ํจ์ ๋ ฅ ์ถ๋ ฅ์ด 1.0 pu์ผ ๋ ์ฝ 0.2487 pu์ ๊ทธ์ณ, ๊ธฐ์ค๊ฐ(0.33 pu) ๋๋น
์ฝ 24.6% ๋ถ์กฑํ ๊ฒฐ๊ณผ๋ฅผ ๋ณด์๋ค.
์ด๋ฌํ ๊ฒฐ๊ณผ๋ ๊ฐ๋ณ ์ ์ด ๋ฐฉ์๋ง์ผ๋ก๋ ํ์ ๊ธฐ์ค์ ์ถฉ์กฑํ ์ ์์์ ์๋ฏธํ๋ฉฐ, ์ด๋ฅผ ๋ณด์ํ๊ธฐ ์ํด์๋ ๊ทธ๋ฆผ 4์ ๋ถ์ ๊ฒฐ๊ณผ์ ๊ฐ์ด ์ฝ ยฑ30 MVar ์ด์์ ์ฉ๋์ ๊ฐ๋ ๋ณ๋์ ๋ณด์ ์ฅ์น(STATCOM) ์ฐ๊ณ๊ฐ ํ์์ ์ด๋ค.
๋ฐ๋ฉด, ์ ์๋ ๋จ์ง์ ์ด๊ธฐ๋ฅผ ์ ์ฉํ ๊ฒฝ์ฐ(๋
น์์ )์๋ ๋ณ๋์ ์ถ๊ฐ ์ค๋น ์์ด๋ ๋ฐ์ ๋จ์ง์ ๊ฐ์ฉ ๋ฌดํจ์ ๋ ฅ์ ์ต์ ์ผ๋ก ์ ์ดํ์ฌ, ๋ชจ๋ ์ ํจ์ ๋ ฅ ์ถ๋ ฅ ๊ตฌ๊ฐ์์
ํ์ ์ด ์๊ตฌํ๋ ๋ฌดํจ์ ๋ ฅ ๊ณต๊ธ๋ฅ๋ ฅ(0.33 pu ์ด์)์ ์ถฉ๋ถํ ๋ง์กฑํ์๋ค.
5.3 ๋ฌดํจ์ ๋ ฅ ์ถ๋ ฅ ์ ์ด
๊ทธ๋ฆผ 5. ๋ฌดํจ์ ๋ ฅ ์ ์ด ์ ๋จ์ง ์ ์ด๊ธฐ ์ ๋ฌด์ ๋ฐ๋ฅธ ํ์ ์ฐ๊ณ ๊ธฐ์ค(ํ์ ์์ญ) ๋ง์กฑ ์
์ฆ
Fig. 5. Verification of KEPCO grid code compliance with and without plant controller
during reactive power output limitation
ํ์ ์ฐ๊ณ๊ธฐ์ค์ ์ํ ์๊ฑด์ ๋ง์ถฐ ๋ฌดํจ์ ๋ ฅ ์ง๋ น์ ์์ฐจ์ ์ผ๋ก ๋ณ๊ฒฝํจ์ ๋ฐ๋ฅธ ์ถ๋ ฅ ์ ์ด๋ฅผ ์ํํ์๋ค. ๊ทธ๋ฆผ 5๋ ์ด์ ๋ํ ๋ฌดํจ์ ๋ ฅ ์๋ต ํน์ฑ์ ๋ณด์ฌ์ค๋ค.
๊ฐ๋ณ ์ ์ด๋ง ์ํํ ๊ฒฝ์ฐ(์ ์์ ), POM ์ง์ ์ ๋ฌดํจ์ ๋ ฅ์ ๋ชฉํ๊ฐ์ ์ถ์ข
ํ์ง ๋ชปํ์ฌ ์ฐ๊ณ๊ธฐ์ค(ํ์์์)์ ๋ฒ์ด๋ฌ์ผ๋ฉฐ, ์ ์์ํ ์ค์ฐจ์จ์ ํ๊ฐ ๊ธฐ์ค(0.33
pu) ๋๋น ์ฝ 25.68%์ ๋ฌํด ํ์ฉ ๋ฒ์(ยฑ5%)๋ฅผ ํฌ๊ฒ ์ด๊ณผํ์๋ค.
๋ฐ๋ฉด, ๋จ์ง์ ์ด๊ธฐ๋ฅผ ์ ์ฉํ ๊ฒฝ์ฐ(๋
น์์ ), POM ์ง์ ์์ ์ธก์ ๋ ๋ฌดํจ์ ๋ ฅ์ ๋ชจ๋ ๊ตฌ๊ฐ์์ ์ง๋ น์ ์ ๋ฐํ๊ฒ ์ถ์ข
ํ๋ฉฐ ์ฐ๊ณ๊ธฐ์ค์ ์ค์ฐจ ํ์ฉ๋ฒ์๋ฅผ ๋ง์กฑํ์๋ค.
5.4 ์ ์-๋ฌดํจ์ ๋ ฅ ์ ์ด
๊ทธ๋ฆผ 6. Droop Control ํตํ ์ ์ ๋ณ๋ ์ ๋จ์ง์ ์ด๊ธฐ ์ ๋ฌด์ ๋ฐ๋ฅธ ํ์ ์ฐ๊ณ ๊ธฐ์ค(ํ์ ์์ญ) ๋ง์กฑ ์
์ฆ
Fig. 6. Verification of KEPCO grid code compliance (gray area) with and without plant
controller during voltage variation by droop control
ํ์ ์ฐ๊ณ๊ธฐ์ค์ ๋ฐ๋ผ ๊ณํต ์ ์์ ๋จ๊ณ์ ์ผ๋ก ๋ณ๋์ํค๋ฉฐ ์ ์-๋ฌดํจ์ ๋ ฅ ์ ์ด(Q-V Droop) ์ฑ๋ฅ์ ํ๊ฐํ์๋ค. ๊ทธ๋ฆผ 6์ ์ด์ ๋ํ ์๋ต ํน์ฑ์ ๋ํ๋ธ๋ค.
๊ฐ๋ณ ์ ์ด๋ง ์ํํ ๊ฒฝ์ฐ(์ ์์ ), ์ ์ ๋ณ๋์ ๋ฐ๋ฅธ ๋ฌดํจ์ ๋ ฅ ์ถ๋ ฅ์ ๋ชฉํ๊ฐ์ ์ถ์ข
ํ์ง ๋ชปํ์ฌ ์ฐ๊ณ๊ธฐ์ค(ํ์์์)์ ๋ฒ์ด๋ฌ์ผ๋ฉฐ, ์ ์์ํ ์ค์ฐจ์จ์
ํ๊ฐ ๊ธฐ์ค(0.33 pu) ๋๋น ์ฝ 25.53%์ ๋ฌํด ํ์ฉ ๋ฒ์(ยฑ5%)๋ฅผ ํฌ๊ฒ ์ด๊ณผํ์๋ค.
๋ฐ๋ฉด, ๋จ์ง์ ์ด๊ธฐ๋ฅผ ์ ์ฉํ ๊ฒฝ์ฐ(๋
น์์ ), POM ์ง์ ์ ์ ์ ๋ณ๋์ ๋ฐ๋ผ ๋ฌดํจ์ ๋ ฅ ์ถ๋ ฅ์ด Q-V ํน์ฑ ๊ณก์ ์ ์ ๋ฐํ๊ฒ ์ถ์ข
ํ๋ฉฐ ์ฐ๊ณ๊ธฐ์ค์ ํ์ฉ๋ฒ์๋ฅผ
๋ง์กฑํ์๋ค.
5.5 ์ญ๋ฅ ์ ์ด
ํ์ ์ฐ๊ณ๊ธฐ์ค์ ์ํ ์๊ฑด์ ๋ง์ถฐ ์ญ๋ฅ ์ง๋ น์ ์์ฐจ์ ์ผ๋ก ๋ณ๊ฒฝํจ์ ๋ฐ๋ฅธ ์ญ๋ฅ ์ ์ด ์ฑ๋ฅ์ ํ๊ฐํ์๋ค. ๊ทธ๋ฆผ 8์ ์ด์ ๋ํ POM ์ง์ ์ ์ญ๋ฅ (PF) ์๋ต ํน์ฑ์ ๋ณด์ฌ์ค๋ค.
๊ฐ๋ณ ์ ์ด๋ง ์ํํ ๊ฒฝ์ฐ(์ ์์ ), ์ ์ ๋ณ๋์ ๋ฐ๋ฅธ ๋ฌดํจ์ ๋ ฅ ์ถ๋ ฅ์ ๋ชฉํ๊ฐ์ ์ถ์ข
ํ์ง ๋ชปํ์ฌ ์ฐ๊ณ๊ธฐ์ค(ํ์์์)์ ๋ฒ์ด๋ฌ์ผ๋ฉฐ, ์ ์์ํ ์ค์ฐจ์จ์
ํ๊ฐ ๊ธฐ์ค(0.33 pu) ๋๋น ์ฝ 22.49%์ ๋ฌํด ํ์ฉ ๋ฒ์(ยฑ5%)๋ฅผ ํฌ๊ฒ ์ด๊ณผํ์๋ค.
๊ทธ๋ฆผ 7. ์ญ๋ฅ ์ ์ด ์ ๋จ์ง ์ ์ด๊ธฐ ์ ๋ฌด์ ๋ฐ๋ฅธ ํ์ ์ฐ๊ณ ๊ธฐ์ค(ํ์ ์์ญ) ๋ง์กฑ ์
์ฆ
Fig. 7. Verification of KEPCO grid code compliance (gray area) with and without plant
controller during power factor control
๋ฐ๋ฉด, ๋จ์ง์ ์ด๊ธฐ๋ฅผ ์ ์ฉํ ๊ฒฝ์ฐ(๋
น์์ ), POM ์ง์ ์์ ์ธก์ ๋ ๋ฌดํจ์ ๋ ฅ์ ๋ชจ๋ ๊ตฌ๊ฐ์์ ์ง๋ น์ ์ ๋ฐํ๊ฒ ์ถ์ข
ํ๋ฉฐ ์ฐ๊ณ๊ธฐ์ค์ ํ์ฉ๋ฒ์๋ฅผ ๋ง์กฑํ์๋ค.
๋ํ, ํํ ํ์ ์ฐ๊ณ๊ธฐ์ค์ ์ญ๋ฅ ์ ์ด ์์๋ POM์ง์ ์์์ ๋ฌดํจ์ ๋ ฅ ๊ณต๊ธ๋์ ๋ํ ํ๊ฐ๋ฅผ ์ฃผ๋ ๊ธฐ์ค์ผ๋ก ์ผ๊ณ ์๋ค. ์ด์ ๋ณธ ์ฐ๊ตฌ์์๋ POM
์ง์ ์์์ ์ญ๋ฅ ์ ๊ณ์ฐํ์ฌ ์ถ๊ฐ๋ก ๋ถ์ํ ๊ฒฐ๊ณผ, ๋จ์ง์ ์ด๊ธฐ๊ฐ ๋ฏธ์ ์ฉ ์ ์ฝ 0.93(์ง์), 0.97(์ง์) ์์ค์ผ๋ก, ์ง๋ น ์ญ๋ฅ ์น์ธ 0.95 (์ง์,์ง์)์
์ถ์ข
ํ์ง ๋ชปํ์์ผ๋ฉฐ, ๋จ์ง์ ์ด๊ธฐ๋ฅผ ํฌํจํ๋ฉด ์ง๋ นํ 0.95์ ์ญ๋ฅ ์ ์ถ์ข
ํ์ฌ ๊ฐ์ ๋ ์ ์ด ์ฑ๋ฅ์ ์
์ฆํ์๋ค.
๊ทธ๋ฆผ 8. ์ญ๋ฅ ์ ์ด ์ ๋จ์ง์ ์ด๊ธฐ ์ ๋ฌด์ ๋ฐ๋ฅธ POM์ง์ ์์์ ์ญ๋ฅ ๋ณ๋ ์ฌ๋ถ
Fig. 8. Variation of power factor at POM according to the presence of plant controller
during power factor control
5.6 ๊ณ ์ ์ญ๋ฅ ์ ์ด
๊ทธ๋ฆผ 9. ๊ณ ์ ์ญ๋ฅ ์ด์ (์ง์) ์ ์ ํจ์ ๋ ฅ ๋ณํ์ ๋ฐ๋ฅธ ๋จ์ง์ ์ด๊ธฐ ์ ์ฉ์ ํตํ ํ์ ์ฐ๊ณ๊ธฐ์ค(ํ์ ์์ญ) ๋ง์กฑ ์
์ฆ
Fig. 9. Verification of KEPCO grid code compliance (gray area) with plant controller
under fixed lagging power factor operation and active power variation
ํ์ ์ฐ๊ณ๊ธฐ์ค์ ์ํ ์๊ฑด์ ๋ง์ถฐ POM ์ง์ ์ ์ญ๋ฅ ์ 0.95๋ก ๊ณ ์ ํ ์ํ์์ ์ ํจ์ ๋ ฅ ์ถ๋ ฅ์ ์์ฐจ์ ์ผ๋ก ๋ณ๊ฒฝํ๋ฉฐ ๊ณ ์ ์ญ๋ฅ ์ ์ด ์ฑ๋ฅ์ ํ๊ฐํ์๋ค.
๊ทธ๋ฆผ 9๋ ์ด์ ๋ํ ๋ฌดํจ์ ๋ ฅ ์๋ต ํน์ฑ์ ๋ณด์ฌ์ค๋ค. ๊ทธ๋ฆผ 9(a)๋ ์ง์(lagging) ์ญ๋ฅ , (b)๋ ์ง์(leading) ์ญ๋ฅ ์ด์ ์์ ๊ฒฐ๊ณผ์ด๋ค.
๋ Case ๋ชจ๋, ๊ฐ๋ณ ์ ์ด๋ง ์ํํ ๊ฒฝ์ฐ(์ ์์ ), ์ ์ ๋ณ๋์ ๋ฐ๋ฅธ ๋ฌดํจ์ ๋ ฅ ์ถ๋ ฅ์ ๋ชฉํ๊ฐ์ ์ถ์ข
ํ์ง ๋ชปํ์ฌ ์ฐ๊ณ๊ธฐ์ค(ํ์์์)์ ๋ฒ์ด๋ฌ์ผ๋ฉฐ,
์ ์์ํ ์ค์ฐจ์จ์ ํ๊ฐ ๊ธฐ์ค(0.33 pu) ๋๋น ์ฝ 10.62%์ ๋ฌํด ํ์ฉ ๋ฒ์(ยฑ5%)๋ฅผ ํฌ๊ฒ ์ด๊ณผํ์๋ค.
๋ฐ๋ฉด, ๋จ์ง์ ์ด๊ธฐ๋ฅผ ์ ์ฉํ์ ๋(๋
น์์ )๋ ์ ํจ์ ๋ ฅ ์ถ๋ ฅ์ด ๋ณ๋ํจ์ ๋ฐ๋ผ ๋ชฉํ ์ญ๋ฅ 0.95๋ฅผ ์ ์งํ๊ธฐ ์ํด ํ์ํ ๋ฌดํจ ์ ๋ ฅ์ ์ ๋ฐํ๊ฒ ์ฐ์ถํ์ฌ
๊ณต๊ธํ์๋ค. ๊ทธ ๊ฒฐ๊ณผ ๋ชจ๋ ์ ํจ์ ๋ ฅ ๊ตฌ๊ฐ์์ ์์ ์ ์ผ๋ก ์ฐ๊ณ๊ธฐ์ค ํ์ฉ๋ฒ์๋ฅผ ๋ง์กฑํ์๋ค.
๊ทธ๋ฆผ 10. ๊ณ ์ ์ญ๋ฅ ์ด์ (์ง์) ์ ์ ํจ์ ๋ ฅ ๋ณํ์ ๋ฐ๋ฅธ ๋จ์ง์ ์ด๊ธฐ ์ ์ฉ์ ํตํ ํ์ ์ฐ๊ณ๊ธฐ์ค(ํ์ ์์ญ) ๋ง์กฑ ์
์ฆ
Fig. 10. Verification of KEPCO grid code compliance (gray area) with plant controller
under fixed leading power factor operation and active power variation
5.7 ๊ณ ์ฅ์ ๋ฅ ์ฃผ์
๊ทธ๋ฆผ 11. ๊ณ ์ฅ์ ๋ฅ ์ฃผ์
์ ์ ๋ฅ ํฌ๊ธฐ ์ ํ ์์ ์ฌ์ฉ ์ ๋ฌด์ ๋ฐ๋ฅธ ํ์ ์ฐ๊ณ ๊ธฐ์ค(ํ์ ์์ญ) ๋ง์กฑ ์
์ฆ
Fig. 11. Verification of KEPCO grid code compliance (gray area) with and without current
magnitude limiting formula during fault current injection
ํ์ ์ฐ๊ณ๊ธฐ์ค์ ๊ณ ์ฅ ์ ๋ฌดํจ์ ๋ฅ ์ฃผ์
์๊ฑด์ ๋ฐ๋ผ, ๊ณํต์ ์ ๊ฐํ(0.5 pu ๋ฏธ๋ง) ์ํฉ์์ ์ธ๋ฒํฐ์ ๊ณผ๋ ์๋ต ํน์ฑ์ ํ๊ฐํ์๋ค. ๊ทธ๋ฆผ 11์ ์ด์ ๋ํ ์๋ฎฌ๋ ์ด์
๊ฒฐ๊ณผ๋ฅผ ๋ณด์ฌ์ค๋ค.
์ ๋ฅ ์ ํ ๋ก์ง์ด ์๋ ๋จ์ ์ ์ด์ ๊ฒฝ์ฐ(์ ์์ )๋ ๊ณ ์ฅ ๋ฐ์ ์์๋ ํ์ ์ฐ๊ณ๊ธฐ์ค์์ ์๊ตฌํ๋ ์ถฉ๋ถํ ๋ฌดํจ์ ๋ฅ๋ฅผ ๊ณต๊ธํ์ง ๋ชปํ์ฌ ํ์ฉ๋ฒ์(ํ์ ์์,
ยฑ10% ์ด๋ด)๋ฅผ ๋ง์กฑํ์ง ๋ชปํ์๋ค. ์ด๋ ๊ณํต ์ ์ ํ๋ณต์ ํ์์ ์ธ ๋ฌดํจ์ ๋ ฅ ์ง์ ๊ธฐ๋ฅ์ด ์ ์ ํ ๋์ํ์ง ์์์ ์๋ฏธํ๋ค.
๋ฐ๋ฉด, ์ ์๋ ์ ์ด๊ธฐ๋ฅผ ์ ์ฉํ ๊ฒฝ์ฐ(์ฒญ์์ ), ๊ณ ์ฅ ๋ฐ์ ์งํ ๋ฌดํจ์ ๋ฅ๋ฅผ ์ ์ํ๊ฒ ์ ๊ฒฉ์ 100%(1pu)๊น์ง ์ฆ๋์์ผ ์ฃผ์
ํจ์ผ๋ก์จ ํ์ ์ฐ๊ณ๊ธฐ์ค์
ํ์ฉ๋ฒ์๋ฅผ ์๋ฒฝํ๊ฒ ๋ง์กฑํ์๋ค.
๊ทธ๋ฆผ 12. ๊ณ ์ฅ์ ๋ฅ ์ฃผ์
์ ์ ๋ฅ ํฌ๊ธฐ ์ ํ ์์์ ๋ฐ๋ฅธ $i_{dmax}, i_{qmax}$๊ฐ ๋ณํ
Fig. 12. Change in maximum Id and Iq values with current magnitude limiting formula
during fault current injection
๊ทธ๋ฆผ 12๋ ๊ณ ์ฅ์ด ๊ฐ์ง๋๋ฉด, ์ ์๋ ์ ์ด๊ธฐ๊ฐ ์(7)์ ์ ๋ฅ์ ํ ๋ก์ง์ ๋ฐ๋ผ ์ด๋ป๊ฒ ๋์ํ๋์ง๋ฅผ ๋ณด์ฌ์ค๋ค, ์ ์ด๊ธฐ๋ ๊ณํต ์ ์ ํ๋ณต์ ์ํด ๋ฌดํจ์ ๋ฅ ์ฃผ์
์ ์ฐ์ ํ๊ฒ ๋๋ค, ์ด์ ๋ฐ๋ผ ์ธ๋ฒํฐ๊ฐ ๋ ๋ง์
๋ฌดํจ์ ๋ฅ๋ฅผ ์ถ๋ ฅํ๊ฒ ๋๋ฉด, ์(8)์ ์ํด ์ ํจ์ ๋ฅ๋ฅผ ์ถ๋ ฅํ ์ ์๋ ์ต๋๊ฐ ($i_{qmax}$)์ด ๊ฐ์ํ์ฌ 0์ ๊ฐ๊น๊ฒ ์ ํ๋๋ค.
ํ 3. ๊ฐ๋ณ ์ ์ด ๋ฐฉ์๊ณผ ์ ์๋ ๋จ์ง ์ ์ด๊ธฐ์ ์ ๋์ ์ฑ๋ฅ ๋น๊ต
Table 3. Quantitative Performance Comparison between Individual Control and Proposed
Plant Controller
|
ํ๊ฐ ํญ๋ชฉ
|
๊ธฐ์กด ๊ฐ๋ณ ์ ์ด
|
์ ์ ๋จ์ง ์ ์ด๊ธฐ
|
์ฐ๊ณ ๊ธฐ์ค
|
|
๋ฌดํจ์ ๋ ฅ ๊ณต๊ธ๋ฅ๋ ฅ
|
๊ธฐ์ค ๋ฏธ๋ฌ (์ต๋ 0.25pu)
|
๊ธฐ์ค ๋ง์กฑ (0.33pu ์ด์)
|
$P/Q_{rated}$ ยฑ0.33pu ์ด์
|
|
๋ฌดํจ์ ๋ ฅ ์ถ๋ ฅ ์ ์ด
|
25.69% (๊ธฐ์ค ์ด๊ณผ)
|
0.00% (๊ธฐ์ค ๋ง์กฑ)
|
์ง๋ น์น ยฑ5%์ด๋ด
|
|
์ ์-๋ฌดํจ์ ๋ ฅ ์ ์ด
|
25.53% (๊ธฐ์ค ์ด๊ณผ)
|
0.00% (๊ธฐ์ค ๋ง์กฑ)
|
์ง๋ น์น ยฑ5%์ด๋ด
|
|
์ญ๋ฅ ์ ์ด
|
22.49% (๊ธฐ์ค ์ด๊ณผ)
|
1.23% (๊ธฐ์ค ๋ง์กฑ)
|
์ง๋ น์น ยฑ5%์ด๋ด
|
|
๊ณ ์ ์ญ๋ฅ ์ ์ด
|
10.62% (๊ธฐ์ค ์ด๊ณผ)
|
0.83% (๊ธฐ์ค ๋ง์กฑ)
|
์ง๋ น์น ยฑ5%์ด๋ด
|
|
๊ณ ์ฅ์ ๋ฅ ์ฃผ์
|
66.67% (๊ธฐ์ค ์ด๊ณผ)
|
0.00% (๊ธฐ์ค ๋ง์กฑ)
|
์ง๋ น์น ยฑ10%์ด๋ด
|
์ด์์ 5.1์ ๋ถํฐ 5.7์ ๊น์ง์ ์๋ฎฌ๋ ์ด์
๊ฒฐ๊ณผ๋ฅผ ์ข
ํฉํ์ฌ, ๊ธฐ์กด ๊ฐ๋ณ ๋ฐ์ ๊ธฐ ์ ์ด ๋ฐฉ์๊ณผ ๋ณธ ๋
ผ๋ฌธ์์ ์ ์ํ ๋จ์ง ์ ์ด๊ธฐ์ ์ฑ๋ฅ์ KEPCO ์ฐ๊ณ
๊ธฐ์ค ํญ๋ชฉ๋ณ๋ก ์ ๋์ ๋น๊ต ๋ถ์ํ๋ฉด ํ 3๊ณผ ๊ฐ๋ค.
ํ 3์์ ํ์ธํ ์ ์๋ฏ์ด, ๊ฐ๋ณ ๋ฐ์ ๊ธฐ ์ ์ด ๋ฐฉ์์ ๋ณ์๊ธฐ ๋์ค ๋ฆฌ์กํด์ค ๋ฑ์ผ๋ก ์ธํ ์ ์ ๊ฐํ์ ์ํฅ์ ๋ณด์ํ์ง ๋ชปํ์ฌ ๋ฌดํจ์ ๋ ฅ ๊ณต๊ธ๋ฅ๋ ฅ, ์ญ๋ฅ ์ ์ด,
์ ์-๋ฌดํจ์ ๋ ฅ ์ ์ด ๋ฑ ๋๋ถ๋ถ์ ๋ฌดํจ์ ๋ ฅ ๊ด๋ จ ํญ๋ชฉ์์ 20% ์ด์์ ํฐ ์ค์ฐจ์จ์ ๋ณด์ด๋ฉฐ ์ฐ๊ณ๊ธฐ์ค์ ๋ง์กฑํ์ง ๋ชปํ์๋ค.
๋ฐ๋ฉด, ์ ์๋ ๋จ์ง ์ ์ด๊ธฐ๋ฅผ ์ ์ฉํ ๊ฒฝ์ฐ POM ์ง์ ์ ํผ๋๋ฐฑ ์ ์ด๋ฅผ ํตํด ๋ชจ๋ ์ํ ํญ๋ชฉ์์ ์ค์ฐจ์จ 0.00% ์์ค์ ์ ๋ฐํ ์ถ์ข
์ฑ๋ฅ์ ๋ณด์์ผ๋ฉฐ,
๊ณ ์ฅ ์ ๋ฌดํจ์ ๋ฅ ์ฃผ์
ํญ๋ชฉ์์๋ ์ ์๋ ๋ฌดํจ์ ๋ฅ ์ฐ์ ์ฃผ์
๋ก์ง์ ํตํด ๊ธฐ์ค์ ์๋ฒฝํ๊ฒ ์ถฉ์กฑํจ์ ํ์ธํ์๋ค. ๊ฒฐ๊ณผ์ ์ผ๋ก, ๋ณธ ์ฐ๊ตฌ์์ ์ ์ํ ๋จ์ง
์ ์ด๊ธฐ๋ ํด์ํ๋ ฅ๋ฐ์ ๋จ์ง๊ฐ KEPCO์ ์๊ฒฉํ ๊ณํต ์ฐ๊ณ ๊ธฐ์ค์ ์ค์ํ๊ณ ์์ ์ ์ผ๋ก ๊ณํต์ ์ฐ๊ณ๋๊ธฐ ์ํ ํจ๊ณผ์ ์์ ์
์ฆํ์๋ค.
6. ๊ฒฐ ๋ก
๋ณธ ์ฐ๊ตฌ์์๋ ์ ์ฌ์์๋์ง ๋ฐ์ ๋จ์ง๊ฐ ํ๊ตญ์ ๋ ฅ๊ณต์ฌ(KEPCO)์ ๊ณํต์ฐ๊ณ ์ฐ๊ณ๊ธฐ์ค์ ๋ง์กฑํ๋ฉฐ ์์ ์ ์ผ๋ก ๊ณํต์ ์ฐ๊ณ๋ ์ ์๋๋ก ํ๋ ๋จ์ง ์ ์ด๊ธฐ
์ค๊ณ ๋ฐ ์ฑ๋ฅ ๊ฒ์ฆ์ ์ํํ์๋ค. ํนํ, ๋๊ท๋ชจ ์ ์ฌ์์๋์ง ๋ฐ์ ๋จ์ง์ ๋ด๋ถ ์ผ์ด๋ธ ์ํผ๋์ค๋ก ์ธํ ์ฐ๊ณ์ ์์์ ์ ์ ๋ฐ ๋ฌดํจ์ ๋ ฅ ์ ์ด์ ๊ธฐ์ ์ ํ๊ณ๋ฅผ
๊ทน๋ณตํ๊ธฐ ์ํด, POM(Point of Measurement) ์ง์ ์ ๊ธฐ์ค์ผ๋ก ํ๋ ๋จ์ง ์ ์ด ๊ธฐ๋ฒ์ ์ ์ํ๊ณ ๊ทธ ํจ๊ณผ๋ฅผ ์๋ฎฌ๋ ์ด์
์ ํตํด ์ ๋์ ์ผ๋ก
์
์ฆํ์๋ค.
์ ์๋ ๋จ์ง ์ ์ด๊ธฐ๋ (1) ๊ณํต ์ํฉ์ ๋ฐ๋ฅธ ์ด์ ๋ชจ๋ ๊ฒฐ์ , (2) ์ ํจ/๋ฌดํจ์ ๋ ฅ ์ง๋ น์น ์ฐ์ถ (3) ๊ฐ ๋ฐ์ ๊ธฐ ๊ฐ์ค์น ๋ถ๋ฐฐ์ ๊ฐ์ ์ฃผ์ ๊ธฐ๋ฅ์
์ํํ๋๋ก ์ค๊ณ๋์๋ค.
์๋ฎฌ๋ ์ด์
๊ฒฐ๊ณผ, ๊ฐ๋ณ ๋ฐ์ ๊ธฐ ์ ์ด ๋ฐฉ์์ ์ ๋ก ์ํผ๋์ค์ ์ํ ์ ์ ๊ฐํ ๋ฐ ๋ฌดํจ์ ๋ ฅ ์์ค์ ๋ณด์ํ์ง ๋ชปํ์ฌ ์ต๋ ์ฝ 25% ์์ค์ ์ค์ฐจ๊ฐ ๋ฐ์ํจ์
๋ฐ๋ผ ๊ธฐ์ ๊ธฐ์ค์ ์ถฉ์กฑํ์ง ๋ชปํ์๋ค. ๋ฐ๋ฉด, ์ ์๋ ๋จ์ง ์ ์ด๊ธฐ๋ฅผ ์ ์ฉํ ๊ฒฝ์ฐ ๋ฌดํจ์ ๋ ฅ ๊ณต๊ธ๋ฅ๋ ฅ, ์ญ๋ฅ ์ ์ด, ์ ์-๋ฌดํจ์ ๋ ฅ ์ ์ด ๋ฑ ๋ฌดํจ์ ๋ ฅ ๊ด๋ จ
๋ชจ๋ ํญ๋ชฉ์์ ์ ์์ํ ์ค์ฐจ๋ฅผ 5% ์ด๋ด๋ก ์ ์งํ์ฌ KEPCO ์ฐ๊ณ๊ธฐ์ค์ ํ์ฉ๋ฒ์๋ฅผ ์๋ฒฝํ ๋ง์กฑ์์ผฐ๋ค.
๋ํ, ๊ณ ์ฅ ์ ๋ฌดํจ์ ๋ฅ ์ฃผ์
์๋ฎฌ๋ ์ด์
์์๋ ์ ์๋ ์ ๋ฅ ํฌ๊ธฐ ์ ํ ์์์ ์ ์ฉํ์ฌ ๊ณํต ์ ์ ํ๋ณต์ ์ํด ๋ฌดํจ์ ๋ฅ๋ฅผ ์ฐ์ ์ ์ผ๋ก ์ฃผ์
ํจ์ผ๋ก์จ KEPCO
์ฐ๊ณ๊ธฐ์ค์ ๋ง์กฑํ๋ ์์ ์ ์ธ ๊ณํต ์ง์ ๋ฅ๋ ฅ์ ์
์ฆํ์๋ค.
์ถ๊ฐ๋ก, ๋ฌดํจ์ ๋ ฅ ๊ณต๊ธ๋ฅ๋ ฅ ํ๊ฐ ์ ๋จ์ง์ ์ด๊ธฐ๋ฅผ ์ฌ์ฉํ์ง ์๊ณ STATCOM์ ์ฌ์ฉํ์ฌ ํ์ ์ฐ๊ณ๊ธฐ์ค์ ๋ง์ถ๋ คํ๋ ๊ฒฝ์ฐ์ STATCOM ์ฉ๋์ฐ์ ๋
์งํํ์๋ค.
๊ฒฐ๊ณผ์ ์ผ๋ก ๋ณธ ์ฐ๊ตฌ์์ ์ ์ํ ๋จ์ง ์ ์ด๊ธฐ๋ ๋๊ท๋ชจ ์ ์ฌ์์๋์ง ๋ฐ์ ๋จ์ง์ ๊ณํต ์์ ํ์ ํ์์ ์ธ ๋ฌดํจ์ ๋ ฅ ์ ์ด ์ฑ๋ฅ์ ํ๊ธฐ์ ์ผ๋ก ๊ฐ์ ํ์์ผ๋ฉฐ, KEPCO์
์๊ฒฉํ ๊ณํต ์ฐ๊ณ๊ธฐ์ค์ ์ฑ๊ณต์ ์ผ๋ก ์ค์ํ ์ ์์์ ์
์ฆํ์๋ค.
Acknowledgements
This work was supported by the Korea Institute of Energy Technology Evaluation and
Planning(KETEP) grant funded by the Korea government (MOTIE) (RS-2025-02311040, Development
of Advanced Power System Stability Analysis for Expanding DC Transmission and Distribution
Systems)
References
J. D. Follum, K. Mahapatra, R. Hovsapian, A. Riepnieks, N. M. Stenvig, A. J. Wilson,
Y. Agalgaonkar, S. Chanda, K. Chatterjee, S. Granda, 2023, Advanced Measurements for
Resilient Integration of Inverter-Based Resources PROGRESS MATRIX Year-1 Report

S.I. Park, B.H. Chang, J.H. Lee, C.K. Kim, 2017, Study on Stability Analysis for Systematic
Impact Assessment at the Cooperation of Land in Offshore Wind Power Generation Demonstration
Complex, The Transactions of the Korean Institute of Electrical Engineers : P, Vol.
66, No. 4, pp. 151-157

G. C. Tarnowski, P. C. Kjรฆr, S. Dalsgaard, A. Nyborg, 2010, Regulation and frequency
response service capability of modern wind power plants, pp. 1-8

A. Baviskar, K. Das, A. D. Hansen, 2021, Minimize distribution network losses using
wind power, pp. 1-5

P. Koralewicz, S. Shah, V. Gevorgian, R. Wallen, K. Jha, D. Mashtare, K. V. R. Gadiraju,
A. Tiwari, 2020, Impedance Analysis and PHIL Demonstration of Reactive Power Oscillations
in a Wind Power Plant Using a 4-MW Wind Turbine, Frontiers in Energy Research, Vol.
8

2024, Renewable Energy Technical Connection Code for Transmission Level

M. Atallah, A. Mezouar, L. M. Fernรกndez-Ramรญrez, K. Belgacem, Y. Saidi, M. A. Benmahdjoub,
B. Brahmi, 2024, Supervisory control of reactive power in wind farms with doubly fed
induction generator-based wind turbines for voltage regulation and power losses reduction,
Electric Power Systems Research, Vol. 228

S.M. Han, J.H. Park, C.H. Hwang, C.J. Moon, 2024, A Study on the Calculation of Optimal
Compensation Capacity of Reactive Power for Grid Connection of Offshore Wind Farms,
The Journal of The Korea Institute of Electronic Communication Sciences, Vol. 19,
No. 1, pp. 65-76

2020, Plant Controller (REPC_B), PowerWorld WebHelp

D. Chethan Raj, D. N. Gaonkar, J. M. Guerrero, 2018, Improved P-f/Q-V and P-V/Q-f
droop controllers for parallel distributed generation inverters in AC microgrid, Sustainable
Cities and Society, Vol. 41, pp. 421-442

E. Muljadi, M. Singh, V. Gevorgian, 2014, User Guide for PV Dynamic Model Simulation
Written on PSCAD Platform

Y. Liu, Y. Wang, X. Wang, Y. Miao, 2019, Optimal active power dispatch for wind farm
based on the improved fatigue load sensitivity, Journal of Renewable and Sustainable
Energy, Vol. 11, No. 3

์ ์์๊ฐ
He received the Bachelor degree major in Electrical Engineering from Sangmyung University,
South Korea, in 2024. He is currently pursuing Master degree in Department of Energy
Grid Engineering, Sangmyung University, South Korea.
์ด๋์ค (Dong Yoon Lee)
He is currently a undergraduate student in the Electrical Engineering from Sangmyung
University, South Korea.
He received M.S. degree in electrical engineering from Inha University. Currently,
he is an assistant researcher in Power & Industrial Systems R&D Center at Hyosung,
Korea. His research interests are power system analysis related to ESS, HVDC, STATCOM,
and wind farms.
He received his M.S. degree in Electrical and Electronic Engineering from Yonsei University,
Seoul, South Korea, in 2015. His research interests include HVDC, FACTS, SSO, short-circuit
analysis, protective coordination, and power system operation. He is currently pursuing
a Ph.D. at Yonsei University and working as a senior researcher at the Power & Industrial
Systems R&D Center, Hyosung, South Korea.
์์ฌ์ (JaeYoung Yang)
He received M.S. degree in electrical engineering from Jeonbuk National University.
Currently, he is an researcher in Power & Industrial Systems R&D Center at Hyosung,
Korea. His research interests are power system analysis for HVDC, energy storage system.
๊ถ์์ง (YoungJin Kwon)
He received B.S., M.S. and Ph.D. degree from Myongji University, Korea in 2000, 2002,
2010 respectively. He was a researcher at KEPCO-KDN Co., Ltd. His research interests
are to develop power system protective algorithm and signal processing algorithm.
He is a chief researcher in Power & Industrial Systems R&D Center at Hyosung, Korea
from 2011.
์ฌ์ฌ์
(Jae Woong Shim)
Jae Woong Shim received the joint Ph.D. Degree in electrical engineering from Yonsei
University, Seoul, South Korea, and The University of Sydney, Sydney, NSW, Australia,
in 2016. He was a senior researcher in HVDC Research Center, LS Electric from 2016
to 2017. He worked at Department of Energy Engineering, Inje University, South Korea,
between 2017 and 2021. He has been with Department of Electrical Engineering, Sangmyung
University, Seoul, South Korea since 2021, where he is currently leading Inverter-based
Power System Lab.
Appendices
๋ถ๋ก 1. ํ์ ์ฐ๊ณ๊ธฐ์ค ์ํ ์ ์ฐจ
๋ชจ๋ ์๋ฎฌ๋ ์ด์
์ ๊ณตํต์ ์ธ ์ ์ฐจ์ ๋ฐ๋ผ ์ํ๋๋ค. ๋จผ์ ์ด๊ธฐ 10์ด๊ฐ ์ ์์ํ ์ด์ ์ ํตํด ์์คํ
์ ์์ ํ์ํจ ํ, ๊ฐ ์๋๋ฆฌ์ค์ ์ ์๋ ์ง๋ น์ ์ธ๊ฐํ๋ค.
์ฑ๋ฅ ํ๊ฐ๋ POM(Point of Measurement) ์ง์ ์ ๊ธฐ์ค์ผ๋ก ํ๋ฉฐ, ๋ค์ ๋ ๊ฐ์ง ํ๋ณ ๊ธฐ์ค์ ๊ณตํต์ ์ผ๋ก ์ ์ฉํ๋ค. ์ฒซ์งธ, ๊ณผ๋์ํ
์๋ต ํน์ฑ์ผ๋ก ์ง๋ น ์ธ๊ฐ ํ 5์ด ์ด๋ด์ ๋ชฉํ๊ฐ์ ์๋ ดํด์ผ ํ๋ค. ๋์งธ, ์ ์์ํ ์ ํ๋๋ก ์๋ ด ์ดํ์ ์ค์ฐจ๊ฐ ๊ท์ ๋ ๊ธฐ์ค๊ฐ์ ยฑ5% ํน์ ยฑ10%
์ด๋ด๋ฅผ ๋ง์กฑํด์ผ ํ๋ค.
์ด๋ ์ ์์ํ ์ค์ฐจ์จ ์ฐ์ ์ ์ํ ๊ธฐ์ค๊ฐ์ ์ ์ด ํญ๋ชฉ์ ๋ฐ๋ผ ๊ตฌ๋ถํ์ฌ ์ ์ฉํ๋ค. ์ ํจ์ ๋ ฅ๊ณผ ๊ด๋ จ๋ ์ ์ด ์ฑ๋ฅ์ ํ๊ฐํ ๋๋ ๋ฐ์ ๋จ์ง์ ์ ๊ฒฉ ์ ํจ์ ๋ ฅ($P_{max}$)์
๊ธฐ์ค์ผ๋ก ์ค์ฐจ์จ์ ์ฐ์ ํ๋ค. ๋ฐ๋ฉด, ๋ฌดํจ์ ๋ ฅ ๋ฐ ์ ์ ์ ์ด์ ๊ด๋ จ๋ ์ฑ๋ฅ ํ๊ฐ ์์๋ ํ์ ์ฐ๊ณ ๊ธฐ์ค์์ ์๊ตฌํ๋ ์ต์ ๋ฌดํจ์ ๋ ฅ ๊ณต๊ธ๋ฅ๋ ฅ์ธ $P_{max}$
๋๋น ยฑ0.33 pu๋ฅผ ํด์ํ๋ ฅ๋ฐ์ ๋จ์ง์ ์ต๋ ๋ฌดํจ์ ๋ ฅ($Q_{max}$)์ผ๋ก ์ ์ํ๊ณ , ์ด $Q_{max}$๋ฅผ ๊ธฐ์ค์ผ๋ก ยฑ5%์ ํ์ฉ ์ค์ฐจ ๋ฒ์๋ฅผ
ํ๊ฐํ๋ค.
1. ๋ฌดํจ์ ๋ ฅ ๊ณต๊ธ๋ฅ๋ ฅ ํ๊ฐ
๋ฌดํจ์ ๋ ฅ ๊ณต๊ธ๋ฅ๋ ฅ ํ๊ฐ์์๋ ๋ฐ์ ๋จ์ง๊ฐ ์ ํจ์ ๋ ฅ ์ถ๋ ฅ ์์ค์ ๊ด๊ณ์์ด ์์ ์ ์ผ๋ก ๋ฌดํจ์ ๋ ฅ์ ๊ณต๊ธํ ์ ์๋ ๋ฅ๋ ฅ์ ๊ฐ์ถ ๊ฒ์ ์๊ตฌํ๋ค. ์ด๋ ๊ทธ๋ฆผ 1์ ์ ์๋ ์ด์ ์์ญ๊ณผ ๊ฐ์ด, ์ ํจ์ ๋ ฅ ์ถ๋ ฅ์ด ์ ๊ฒฉ์ 20% ์ด์์ผ ๊ฒฝ์ฐ์๋ ์ ๊ฒฉ์ฉ๋์ 33%์ ํด๋นํ๋ ๋ฌดํจ์ ๋ ฅ์ ๊ณต๊ธ ๋๋ ํก์ํ ์ ์์ด์ผ ํ๋ค
[6].
๊ทธ๋ฆผ 1. ์ ํจ์ ๋ ฅ ์ถ๋ ฅ์ ๋ฐ๋ฅธ ๋ฌดํจ์ ๋ ฅ ๊ณต๊ธ๋ฅ๋ ฅ ์๊ตฌ์ฌํญ
Fig. 1. Reactive Power Capability Requirement According to Active Power Output
์ด์ ๋ํ์ฌ, POM์ง์ ์ ์ ์ ๋ ๋ฒจ์ ๋ฐ๋ผ ๋ฌดํจ์ ๋ ฅ ๊ณต๊ธ๋ฅ๋ ฅ์ ์ฐจ๋ฑ์ ์ผ๋ก ๊ท์ ํ๊ณ ์๋ค. ์ ์ ์ ์ ๋ฒ์ (0.95pu, 1.0pu, 1.05pu)์์๋
์ ๊ฒฉ์ฉ๋ ๋๋น ยฑ33%์ ๋ฌดํจ์ ๋ ฅ ๊ณต๊ธ ๋ฐ ํก์ ๋ฅ๋ ฅ์ ๋ชจ๋ ํ๋ณดํด์ผ ํ๋ค [6]. ๋ฐ๋ฉด, 0.9pu์ ์ ์ ์ ์ํฉ์์๋ ๊ณํต ์์ ์ ์ํด ๋ฌดํจ์ ๋ ฅ ๊ณต๊ธ(+33%) ๋ฅ๋ ฅ๋ง์ ์๊ตฌํ๋ฉฐ, 1.1pu์ ๊ณผ์ ์ ์ํฉ์์๋ ๋ฐ๋๋ก ๋ฌดํจ์ ๋ ฅ
ํก์ (-33%) ๋ฅ๋ ฅ๋ง์ ์๊ตฌํ๋ค [6].
2. ์ ํจ์ ๋ ฅ ์ถ๋ ฅ ์ ํ
์ ํจ์ ๋ ฅ ์ ์ด ์ ํ ์ํ์ ์ด 50์ด๊ฐ ์ ํจ์ ๋ ฅ ์ง๋ น์น๋ฅผ 10์ด ๊ฐ๊ฒฉ์ผ๋ก 100% โ 80% โ 50% โ 20% โ 100%๋ก ์์ฐจ ๋ณ๊ฒฝํ๋ฉฐ POM
์ง์ ์์ ์ ํจ์ ๋ ฅ ์๋ต ํน์ฑ์ ๊ด์ฐฐํ๋ค [6]. ์ถ์ข
์๊ฐ 5์ด ์ด๋ด, ์ ์์ํ ์ถ๋ ฅ ์ค์ฐจ๋ $P/P_{rated}$ ๊ธฐ์ค ยฑ5% ์ด๋ด๋ฅผ ๋ง์กฑํด์ผ ํ๋ค.
3. ๊ธด๊ธ ์ถ๋ ฅ๊ฐ์
๊ธด๊ธ ์ถ๋ ฅ๊ฐ์ ์ํ์ ์ด 50์ด๊ฐ ์ ํจ์ ๋ ฅ ์ง๋ น์น๋ฅผ 10์ด ๊ฒฝ๊ณผ์ 100%โ20%๋ก ๊ธ์์ค๋ฝ๊ฒ ๋ณ๊ฒฝํ๋ฉฐ POM ์ง์ ์์ ์ ํจ์ ๋ ฅ ์๋ต ํน์ฑ์ ๊ด์ฐฐํ๋ค
[6]. ์ถ์ข
์๊ฐ 5์ด ์ด๋ด, ์ ์์ํ ์ถ๋ ฅ ์ค์ฐจ๋ $P/P_{rated}$ ๊ธฐ์ค ยฑ5% ์ด๋ด๋ฅผ ๋ง์กฑํด์ผ ํ๋ค.
4. ์ฃผํ์ ์ ํจ์ ๋ ฅ ์ ์ด
์ฃผํ์์ ํจ์ ๋ ฅ ์ ์ด ์ํ์ ์ด 70์ด๊ฐ ๊ณํต ์ฃผํ์๋ฅผ 10์ด ๊ฐ๊ฒฉ์ผ๋ก 60.336Hzโ 60.000Hzโ 60.636Hzโ 60.000Hzโ 60.936Hzโ
60.000Hz๋ก ์์ฐจ ๋ณ๊ฒฝํ๋ฉฐ POM ์ง์ ์์ ์ ํจ์ ๋ ฅ์ ์๋ต ํน์ฑ์ ๊ด์ฐฐํ๋ค. ์ด๋์ Droop ๊ณ์๋ 3% / 5%๋ก ์ค์ ๋์ด ์๋ฎฌ๋ ์ด์
ํ๋ค
[6]. ์ถ์ข
์๊ฐ 5์ด ์ด๋ด, ์ ์์ํ ์ถ๋ ฅ ์ค์ฐจ๋ $P/P_{rated}$ ๊ธฐ์ค ยฑ5% ์ด๋ด๋ฅผ ๋ง์กฑํด์ผ ํ๋ค.
5. ๋ฌดํจ์ ๋ ฅ ์ ์ด
๋ฌดํจ์ ๋ ฅ ์ ์ด ์ํ์ ์ด 60์ด๊ฐ ๊ณํต ์ฃผํ์๋ฅผ 10์ด ๊ฐ๊ฒฉ์ผ๋ก โ33% โ 33% โ -15% โ 15% โ 0%๋ก ์์ฐจ ๋ณ๊ฒฝํ๋ฉฐ POM ์ง์ ์์
๋ฌดํจ์ ๋ ฅ์ ์๋ต ํน์ฑ์ ๊ด์ฐฐํ๋ค [6]. ์ถ์ข
์๊ฐ 5์ด ์ด๋ด, ์ ์์ํ ์ถ๋ ฅ ์ค์ฐจ๋ $Q/P_{rated}$ ๊ธฐ์ค ยฑ5% ์ด๋ด๋ฅผ ๋ง์กฑํด์ผ ํ๋ค.
6. ์ญ๋ฅ ์ ์ด
์ญ๋ฅ ์ ์ด ์ํ์ ์ญ๋ฅ ์ง๋ น์น๋ฅผ 10์ด ๊ฐ๊ฒฉ์ผ๋ก 1โ0.95(์ง์)โ1โ0.95(์ง์)โ 0%๋ก ์์ฐจ ๋ณ๊ฒฝํ๋ฉฐ POM ์ง์ ์์ ๋ฌดํจ์ ๋ ฅ์ ์๋ต ํน์ฑ์
๊ด์ฐฐํ๋ค [6]. ์ถ์ข
์๊ฐ 5์ด ์ด๋ด, ์ ์์ํ ์ถ๋ ฅ ์ค์ฐจ๋ $Q/P_{rated}$ ๊ธฐ์ค ยฑ5% ์ด๋ด๋ฅผ ๋ง์กฑํด์ผ ํ๋ค.
7. ๊ณ ์ ์ญ๋ฅ ์ ์ด
์ญ๋ฅ ์ ์ด ์ํ์ ์ด 50์ด๊ฐ ์ญ๋ฅ ์ง๋ น์น๋ฅผ 0.95(์ง์) ํน์ 0.95(์ง์)์ ๊ณ ์ ํ ์ํ๋ก ์ ํจ์ ๋ ฅ ์ง๋ น์น๋ฅผ 10์ด ๊ฐ๊ฒฉ์ผ๋ก 100% โ 80%
โ 50% โ 20% โ 100% ๋ณ๊ฒฝํ๋ฉฐ POM ์ง์ ์์ ๋ฌดํจ์ ๋ ฅ์ ์๋ต ํน์ฑ์ ๊ด์ฐฐํ๋ค [6]. ์ถ์ข
์๊ฐ 5์ด ์ด๋ด, ์ ์์ํ ์ถ๋ ฅ ์ค์ฐจ๋ $Q/P_{rated}$ ๊ธฐ์ค ยฑ5% ์ด๋ด๋ฅผ ๋ง์กฑํด์ผ ํ๋ค.
8. ์ ์ ๋ฌดํจ์ ๋ ฅ ์ ์ด
์ ์-๋ฌดํจ์ ๋ ฅ ์ ์ด๋ ์ด 70์ด๊ฐ ๊ณํต ์ ์์ 10์ด ๊ฐ๊ฒฉ์ผ๋ก $1pu\rightarrow0.95pu\rightarrow0.92pu\rightarrow0.98pu\rightarrow1.05pu\rightarrow1.08pu\rightarrow1pu$๋ก
์์ฐจ ๋ณ๊ฒฝํ๋ฉฐ POM ์ง์ ์์ ๋ฌดํจ์ ๋ ฅ์ ์๋ต ํน์ฑ์ ๊ด์ฐฐํ๋ค. ์ด๋์ Droop ๊ฐ์ 5.5๋ก ์ค์ ๋์ด ์๋ฎฌ๋ ์ด์
ํ๋ค [6]. ์ถ์ข
์๊ฐ 5์ด ์ด๋ด, ์ ์์ํ ์ถ๋ ฅ ์ค์ฐจ๋ $Q/P_{rated}$ ๊ธฐ์ค ยฑ5% ์ด๋ด๋ฅผ ๋ง์กฑํด์ผ ํ๋ค.
9. ์ฃผํ์ ์ฐ๊ณ ์ ์ง
์ฃผํ์ ์ฐ๊ณ ์ ์ง ์ํ์ ์ด 80์ด๊ฐ ๊ณํต ์ฃผํ์๋ฅผ 10์ด๋ถํฐ ๊ณผ์ฃผํ์ (60.5Hz, 61.0Hz, 61.5Hz) ์ 60์ด๊ฐ, ์ ์ฃผํ์ (59.5Hz,
59.0Hz, 58.5Hz, 58.0Hz, 57.5Hz) ์ 20์ด๊ฐ ์ธ๊ฐํ ํ 60Hz๋ก ๋ณ๊ฒฝํ๋ค [6]. ๊ณผยท์ ์ฃผํ์ ์ง์์๊ฐ ๋์ ์ฐ๊ณ ์ ์ง ์ฌ๋ถ ๋ฐ ์ฃผํ์ ๊ณ์ ๊ธฐ๊ฐ ๋์ํ์ง ์์๋์ง ๊ด์ฐฐํ๋ค.
10. ์ ์ ์ฐ๊ณ ์ ์ง
์ ์ ์ฐ๊ณ ์ ์ง ์ํ์ ์ด 30์ด๊ฐ ๊ณํต ์ ์์ 10์ด๋ถํฐ ์ธ๊ฐ ์ ์์ ๋ฐ๋ผ ์ธ๊ฐํ ํ, ํด๋น ์ ํธ๋ฅผ ์ ๊ฑฐํ์ฌ POM ์ง์ ์์ ์ ํจ์ ๋ ฅ ์๋ต ํน์ฑ์
๊ด์ฐฐํ๋ค [6]. ์ ํจ์ ๋ ฅ ํ๋ณต ์๊ฐ 5์ด ์ด๋ด, ์ ์์ํ ์ถ๋ ฅ ์ค์ฐจ๋ $P/P_{rated}$ ๊ธฐ์ค ยฑ10% ์ด๋ด๋ฅผ ๋ง์กฑํด์ผ ํ๋ค.
ํ 2. ์ ์ ์ฐ๊ณ์ ์ง ์ํ ์ ์ธ๊ฐ์ ์์ ๋ฐ๋ฅธ ์ง์์๊ฐ ์๊ตฌ์ฌํญ
Table 2. Required Duration according to Applied Voltage in VRT Test
|
์ธ๊ฐ ์ ์ [pu]
|
์ง์์๊ฐ [์ด]
|
|
1.2
|
0.2
|
|
1.1
|
0.2
|
|
0.9
|
1.5
|
|
0.5
|
0.9
|
|
0.1
|
0.3
|
|
0
|
0.15
|
11. ๊ณ ์ฅ ์ค ๋ฌดํจ์ ๋ฅ ์ฃผ์
๊ณ ์ฅ ์ค ๋ฌดํจ์ ๋ฅ ์ํ์ ๊ณํต ์ฃผํ์๋ฅผ 10์ด๋ถํฐ 0.1์ด๊ฐ 0.7/0.5/0.1 pu์ ๊ณ ์ฅ์ ์์ ์ธ๊ฐํ ํ, ํด๋น ์ ํธ๋ฅผ ์ ๊ฑฐํ์ฌ ๋ฐ์ ๊ธฐ ๋ด์์
๋ฌดํจ์ ๋ฅ๋ฅผ ๊ณต๊ธํ์๋์ง๋ฅผ ๊ด์ฐฐํ๋ค [6]. ์ถ์ข
์๊ฐ 500ms ์ด๋ด, ์ถ๋ ฅ ์ค์ฐจ๋ $I_{q}/I_{rated}$ ๊ธฐ์ค $\pm10\%$ ์ด๋ด๋ฅผ ๋ง์กฑํด์ผ ํ๋ค.