이문석
(Moon-Seok Lee)
1
최창식
(Chang-Sik Choi)
2
배백일
(Baek-Il Bae)
3,†
-
학생회원, 한양대학교 건축공학과 박사과정
-
정회원, 한양대학교 건축공학부 교수
-
정회원, 한양사이버대학교, 건축도시공학과 교수, 교신저자
Copyright © The Korea Institute for Structural Maintenance and Inspection
키워드
180° 갈고리 철근, 겹침이음길이, 프리캐스트 콘크리트
Key words
180° hooked reinforcing bar, Lap splice length, Precast concrete
1. 서 론
프리캐스트 콘크리트(Precast Concrete, 이하 PC) 구조는 시공성, 품질 관리, 공기 등 다양한 측면에서 장점을 갖고 있어 건축 및 인프라
구조물 전반에 걸쳐 그 활용도가 증가하고 있다. 특히, 수평 부재의 PC화는 공장 생산 및 현장 조립을 통해 공정 효율을 극대화 할 수 있는 방법으로
각광받고 있다. 폭이 넓고 규모가 큰 부재인 슬래브나 교각 캡(pier cap)과 같은 큰 구조물이 PC로 계획된 경우 운송 및 시공상의 제약을 고려해
부재를 분절하여 제작한 후 현장에서 연결하는 방식이 일반적으로 채택된다(Culmo, 2011).
수평 PC부재 접합부에서는 구조적 연속성을 확보하기 위해 철근 이음이 필수적으로 요구되며, 이음길이에 따라 시공방법 및 경간 등이 결정된다. 전통적으로
직선 철근을 이용한Class B 이음 방식이 널리 사용되어 왔으나, 철근 직경 및 항복강도의 증가에 따른 요구 이음길이 증가로 인해 현장 타설 구간이
길어지고, 시공 공정이 복잡해지는 문제가 제기되고 있다. 기계식 커플러를 활용하는 방식도 제안되고 있지만, 맞춤 정밀도와 정렬 정확도 확보가 어려워
프리캐스트 부재 간 접합에서는 현실적인 한계가 존재한다(Coleman, 2025 and Jahromi 2019).
이에 따라 갈고리 철근(hooked bar)을 활용한 이음 방식이 대안으로 주목받고 있다(Jahromi, 2019). 갈고리 철근은 정착 구간에서 말단부의 곡률 내면에 작용하는 지압력(bearing force)을 통해, 직선 철근 대비 짧은 이음길이로도 항복 강도를
발현할 수 있으며, 피복 두께를 줄일 수 있어 이음에 필요한 공간이 제한적인 부재에서도 유리하다. 특히, 일정한 간격으로 배치된 갈고리 철근 이음은
정렬 오차에 대한 민감도가 낮고, 이음 구간의 폭을 줄일 수 있어 시공성과 구조적 효율성 측면에서 실질적인 이점이 있다(Coleman, 2025).
미국 콘크리트 설계기준(ACI 318-25) 및 여러 연구(Jahromi and Azizinamini, 2019; French et al., 2011; Breña et al., 2018)에 따르면, 갈고리 철근은 건축물의 보-기둥 접합부, Deck closure joint나 교각 캡 접합부 등에서
Fig. 1과 같이 사용되며, 그 정착 및 이음 성능은 부착응력(bond stress)과 지압력 간의 상호작용에 의해 좌우된다.
갈고리 철근에 대한 설계 기준인 ACI 318-25와 KDS 14 20 52는 갈고리 철근의 정착 길이에 대해 명시하고 있지만, 이는 대부분 보-기둥 접합부에서의 일방향 인장력 작용 조건을 기반으로 하고 있다. 반면에 슬래브의
이음에서는 양방향으로 인장력이 작용하여 동일한 메커니즘이 아니기때문에 갈고리 철근의 정착식을 이음길이 산정에 적용할 경우 이음 성능이 과대평가될 수
있다. 특히, 갈고리 철근 이음 시 휨균열을 동반한 하부 피복 박리, 프라잉(Prying) 거동, 측면 벌어짐 등 기존 정착 실험과는 상이한 파괴
메커니즘이 관찰될 수 있다.
갈고리를 적용한 이음 성능의 평가에 대한 기존 연구는 대부분 90도 갈고리를 대상으로 수행되었다(Coleman 2025). 그러나 슬래브와 같이 부재 두께가 얇은 경우 90도 표준 갈고리 꼬리 길이 확보가 어렵다. 확대머리철근을 사용할 경우 하부 피복두께에 대한 제약으로
유효깊이가 감소하여 부재의 휨 강도 확보에 불리할 수 있다. 따라서 슬래브와 같이 부재가 얇은 경우 PC 부재간 이음은 180도 갈고리 사용이 합리적일
수 있어 실제 이음 조건에서 180도 갈고리 철근의 응력 분포와 이음 성능을 실험적으로 분석하고, 기존 설계식의 적용성을 검토할 필요가 있다.
따라서, 본 연구에서는 180도 갈고리 철근을 활용한 프리캐스트 슬래브 실험체를 제작하여, 이음길이, 철근 간격, 직경, 항복강도, 콘크리트 압축강도를
변수로 설정하고 총 18개의 실험체에 대한 이음 성능 평가를 수행하였다. 실험 결과로 도출된 180도 갈고리로 이음된 PC 부재의 파괴패턴과 철근
응력의 분포 특성, 부착응력 및 지압력의 기여도를 분석하고, 현행 설계 기준(KDS 14 20 52)에 따른 철근 응력 예측값과 비교함으로써, 해당 기준의 적용 가능성과 보완 방향을 제시한다. 이를 통해 갈고리 철근 이음 방식의 실용적 활용 가능성을
높이고, 프리캐스트 구조물의 시공성과 경제성을 향상시킬 수 있는 기초 자료를 제공하고자 한다.
2. 기존 연구 검토
2.1 기존 연구 분석
PC 부재 이음부에 적용된 180도 갈고리철근의 겹침이음성능을 평가하기 위해 기존 연구와 현행설계기준을 검토하였다. Marques and Jirsa(1975)는 ACI 318-71에서 제시된 갈고리 철근 정착 설계식의 근거가 충분히 검증되지 않았음을 지적하고, 그 적정성을 평가하기 위해 총 22개의 보-기둥 접합부 실험체를
제작하여 실험을 수행하였다. 실험 변수로는 콘크리트 압축강도(약 31 MPa), 철근 직경(D22, 35), 축하중, 갈고리 철근의 배치 위치(기둥
철근 내부/외부), 갈고리 형상(90° 및 180°) 등이 포함되었다. 실험 결과, 기둥의 횡보강 철근의 구속이 강할수록 정착강도가 증가하였으며,
ACI 318-71의 갈고리 철근 설계식은 실제 정착강도를 과소평가하는 것으로 나타났다. 또한 90° 와 180° 갈고리 사이의 anchorage strength 차이는
거의 없었으며, 축하중의 영향은 미미했고, 갈고리의 배치 위치 역시 정착강도에 큰 영향을 주지 않았다.
Sperry et al.(2015)는ACI 318-14의 갈고리 정착 규정이 제한된 실험자료에 근거하고 있으며, 특히 고강도 철근과 콘크리트 조건에 대한 검증이 부족함을 지적하였다.
이에 총 337개의 보-기둥 접합부 실험체를 대상으로 콘크리트 강도, 철근 직경(D16, 25, 35), 간격(3∼11db), 갈고리 형상(90°
및 180°), 배치 위치(기둥 내부/외부), 횡보강 비율, 매입길이 등을 변수로 평가하였다. 실험 결과, 주요 파괴모드는 ACI 318-14가 예측한 측면 분리파괴가 아닌 전면 파괴(front face breakout)가 지배적이었다. 또한 ACI 318-14는 큰 직경 갈고리, 콘크리트 강도, 횡보강 효과를 과대평가하고 있으며, 갈고리가 기둥 내부에 배치될 경우 외부 배치보다 정착성능이 우수하였다. 철근
직경이 클수록 동일 매입길이에서 발현되는 인장력이 증가하였다.
Orangun et al.(1975)는 당시 축적된 다양한 정착 및 이음 실험 데이터를 토대로 기존 설계식을 재검토하였다. 횡보강근이 배치되지 않은 보 62개와 횡보강이 배치된 29개
보의 실험자료를 이용하여 비선형 회귀분석과 차원해석을 수행한 결과, 정착시 요구되는 철근의 매입길이와 요구되는 겹침이음 길이는 동일하다는 점을 확인하였다.
또한, 피복두께, 철근 간격, 횡보강철근의 비율이 증가할수록 쪼갬파괴가 발생할 경우 요구되는 정착⋅이음길이가 감소함을 규명하여 ACI Committee 408에서 채택하여 사용하고 있다.
Jahromi와 Azizinamini(2019)는 프리캐스트 슬래브 패널을 연결하기 위해 비접촉 갈고리 철근 겹침이음의 적용 가능성을 평가하였다. 총 48개의 실험체를 제작하여 이음길이, 이음
간격, 철근 직경, 횡보강근의 유무를 변수로 4점 휨 실험을 수행하였다. 다만, 사용된 갈고리 철근은 ACI 318-25에서 제안하는 철근 상세에 부합하지 않는 비표준 90° 갈고리였다. 실험 결과, 절반 이상의 실험체는 부착파괴, 나머지는 휨파괴를 보였다. 횡보강근이
제공되는 경우 D13, 16 철근의 최소 이음길이는 12$d_{b}$, 횡보강근이 없는 경우 최소 14$d_{b}$를 제시하였다.
Coleman et al. (2025)은 표준 90도 갈고리 철근이 이음되고 높이 400∼780 mm인 프리캐스트 콘크리트 보를 대상으로, 현장타설 콘크리트로 마감된 이음부의 응력 전달
메커니즘과 파괴 양상을 실험적으로 분석하였다. 해당 연구에서는 이음부에서 발생하는 주요 파괴 모드로 부착응력 손실에 의한 쪼갬(splitting),
측면 파열(side-face blowout), 프라잉(prying action), 벌징(bulging) 등을 제시하였다. 또한, 이음된 철근에 작용하는
응력의 크기에 대하여 실험결과를 ACI Committee 408의 직선철근 이음식을 통해 예측된 값과 비교하였다. 예측결과에 대한 실험 결과의 비는 평균 1.42로 갈고리 철근을 사용할 경우 현장타설구간을 감소시킬
수 있음을 보고하였다.
기존 연구의 데이터를 수집하여 베이스화하여 현행설계기준과 실험결과를 비교하여 갈고리 정착식을 이음설계에 적용할 수 있는지 평가하였다(Sperry et al., Jahromi and Azizinamini, Han et al., Coleman) 비교 결과, Fig. 2에서 확인할 수 있는 바와 같이, 보-기둥 접합부의 실험값/계산값 평균은 1.43으로 설계식이 보수적인 경향을 보였으나, 갈고리 철근 이음 실험체에서는
1.01로 상대적으로 낮게 나타났다. 이는 현행 설계식을 그대로 적용할 경우 갈고리 철근 이음의 성능을 과대평가할 가능성을 뒷받침한다.
Fig. 2 Comparison results(Beam-column vs lap splice)
2.2 현행 설계기준 분석
이음 및 정착길이 설계에 사용되는 설계 변수와 실험 변수의 일관성을 확보하기 위해, 현행 설계기준에서 제시하는 표준 갈고리 철근의 정착길이 산정식을
정리하였다.
2.2.1 KDS 14 20 52
KDS 14 20 52에 따르면, 표준갈고리를 갖는 인장 이형철근의 정착길이($l_{dh}$)는 기본 정착길이($l_{dh}$)에 적용 가능한 모든 보정계수를 곱하여 산정한다.
이때 정착길이는 최소 8$d_{b}$ 이상이면서 150 mm 이상이어야 한다. 여기서 $l_{dh}$는 기본정착길이(mm), $d_{b}$는 철근지름(mm),
$f_{y}$는 철근의 설계기준 항복강도(MPa), $f_{ck}$는 콘크리트의 설계기준 압축강도(MPa), $\lambda$는 경량 콘크리트 계수,
$\beta$는 도막계수를 의미한다.
2.2.2 ACI 318-25
ACI 318-25에서는 인장 상태에서의 표준 갈고리 철근 정착길이를 다음 식으로 제시하며, 정착길이는 최소 $8d_{b}$ 이상 또는 152 mm 이상이어야 한다.
주요 변수는 $\psi_{e}$(에폭시 계수), $\psi_{s}$ (철근 크기 계수), $\psi_{cc}$(피복 계수), $\psi_{r}$(구속
철근 계수)로 구성된다. 또한 $f_{y}$는 철근의 설계기준 항복강도(MPa), $f_{c}'$는 콘크리트의 설계기준 압축강도(MPa), $d_{b}$는
철근 지름(mm)을 나타낸다.
2.2.3 표준갈고리 상세
KDS 14 20 50에서는 180° 표준 갈고리의 상세를 규정하고 있다. 구부린 반원의 끝은 최소 $4d_{b}$, 또한 60 mm 이상 연장되어야
하며, 최소 내면 반지름은 철근 크기에 따라 구분된다. 즉, D25 이하는 최소 내면 반지름 3$d_{b}$, D29부터 D35는 4$d_{b}$,
D38 이상은 5$d_{b}$ 이상이어야 한다.
2.2.4 겹침이음기준
KDS 14 20 50과 ACI 318-25에서는 인장력을 받는 이형철근 및 이형철선의 겹침이음을 수행함에 있어, 휨 부재에서 비접촉 이음의 경우, 이음 철근의 횡방향으로의 철근 간격은 요구되는
겹침이음 길이의 1/5 또는 6 in. 중 더 작은 값을 초과해서는 안되도록 규정하고 있다. 또한, 이음 길이는 A급과 B급으로 분류하며, 각각 1.0배와
1.3배의 계수를 적용하도록 하고 있다. 그러나 이 규정은 직선 철근을 대상으로 한 보 실험을 기반으로 제시된 것이며, 갈고리 철근 이음의 경우 동일한
산정식이 그대로 적용 가능한지에 대해서는 검증이 필요하다.
3. 실험계획
3.1 실험변수 및 상세
기존 연구와 현행 설계기준 분석 결과, 갈고리 철근 이음에 대해 직접적으로 적용 가능한 설계식은 제안되어 있지 않다. 따라서 최적화된 콘크리트 부재
접합 설계를 위해서는 갈고리 철근의 실제 거동을 반영할 수 있는 새로운 이음 설계식이 필요하다. 이에 본 연구에서는 이음성능에 주요한 영향을 미치는
이음길이를 중심 변수로 설정하고, 기존 연구와 설계기준을 바탕으로 철근 직경, 겹침이음 철근 간격, 철근 항복강도, 콘크리트 압축강도를 추가 변수로
선정하였다.
실험체는 총 10개로 구성되었으며, 이 중 1개는 이음을 하지 않은 직선 철근 비교군이고, 나머지 9개는 변수 조합에 따른 갈고리 철근 이음 실험체이다.
사용된 갈고리 철근은 현행 설계기준(KDS 14 20 50, ACI 318-25)에서 제시하는 표준 갈고리 상세를 적용하였다. 이음길이는 보정계수를 고려하여KDS 14 20 52에 따른 갈고리 철근 정착길이의 0.3, 0.5, 0.7, 1.0배로 계획하였다. 철근 직경은 D19로 설정하였으며, 겹침이음 철근 간격은 50 mm로
계획하였다. 또한, 재료 특성의 영향을 검토하기 위해 콘크리트 압축강도는 24 MPa와 50 MPa, 철근 항복강도는 500 MPa와 600 MPa로
설정하였다.
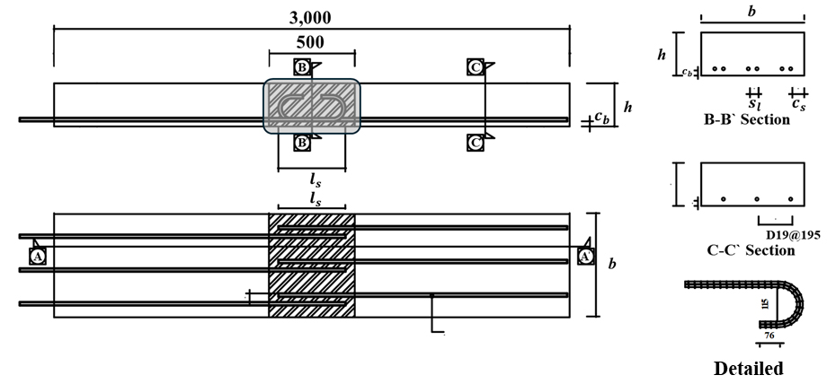
실험체는 높이 250 mm, 폭 600 mm로 계획하였다. 모든 실험체는 측면 피복두께 70 mm, 하부 피복두께 30 mm로 동일하게 제작되었다.
각 실험체의 상세 변수는 Table 1에 정리하였다. 실험체명은 철근의 형상(연속형과 갈고리), 철근의 직경, 겹침이음길이, fc는 콘크리트 압축강도, fy는 철근의 항복강도를 나타낸다.
실험체의 상세 형상 및 배근 도면은 Fig. 3에 나타내었으며, 실험체가 다수이므로 구분을 위해 각 변수에 따른 명칭 체계를 사용하였다.
Fig. 3 Specimen detailed and plan
Table 1 Test matrix
|
Specimen ID
|
Reinforcement detail
|
$f_{y}$
(MPa)
|
$f_{ck,\: PC}$
(MPa)
|
$f_{ck,\: CIP}$
(MPa)
|
$d_{b}$
(mm)
|
$c_{b}$
(mm)
|
$c_{s}$
(mm)
|
$s_{l}$
(mm)
|
$l_{s}$
(mm)
|
$l_{s}/l_{dh}$
|
|
Co-D19
|
Continue
|
500
|
40
|
24
|
19
|
30
|
70
|
80
|
-
|
N/A
|
|
Ho-D19-L140
|
Hooked
|
140
|
0.4
|
|
Ho-D19-L230
|
230
|
0.7
|
|
Ho-D19-L330
|
330
|
1.0
|
|
Ho-D19-L90-fc50
|
50
|
90
|
0.4
|
|
Ho-D19-L150-fc50
|
150
|
0.7
|
|
Ho-D19-L200-fc50
|
200
|
0.9
|
|
Ho-D19-L170-fy600
|
600
|
24
|
170
|
0.4
|
|
Ho-D19-L280-fy600
|
280
|
0.7
|
|
Ho-D19-L390-fy600
|
390
|
1.0
|
Notes: $f_{y}$: yield stress of hooked bar; $f_{ck}$: concrete compressive strength;
$d_{b}$: diameter of reinforcing bar; $c_{b}$: cover of bottom; $c_{s}$: cover of
side face; $l_{s}$: splice length
3.2 실험방법과 재료 물성
실험체의 변형능력 평가를 위하여 실험체 중앙부에 LVDT를 설치하여 처짐을 계측하였으며, 갈고리 철근의 이음 시 철근에 전달되는 응력의 크기를 계측하기
위해 이음 시작부, 이음 중간부, 갈고리 굽힘부 중앙, 갈고리 꼬리 단부에 스트레인 게이지를 부착하였다.
실험에 사용된 철근의 설계기준 항복강도는 500 MPa와 600 MPa이고 직경은 19.1 mm(D19)이다. 철근 인장시험은 KS B 0801(KATS 2017)에 따라 제작하여 KS B 0802(KATS 2018)에 따라 수행하였다. 철근 재료 시험결과는 Table 2에 정리하였으며, 사용된 철근 모두 설계기준 항복강도 이상이 측정되었다. 실험에 사용된 콘크리트는 타설부위에 따라 구분되며, PC는 40 MPa,
CIP는 24 MPa 와 50 MPa이다. 콘크리트 압축강도와 쪼갬인장강도는 ∅100 mm × 200 mm의 원주형 공시체를 KS F 2403(KATS 2019)에 따라 제작하였고 압축시험은 KS F 2405(KATS 2022), 쪼갬시험은 KS F 2423(2017)에 따라 수행하였다. 사용된 콘크리트의 배합비는 Table 3, 콘크리트 시험결과는 Table 4에 정리하였다.
Table 2 Rebar tensile test results
|
Rebar
|
$f_{y}$ (MPa)
|
$f_{ym}$ (MPa)
|
$\epsilon_{y}$ (mm/mm)
|
|
D19 (Straight)
|
500
|
545.75
|
0.00272
|
|
D19 (Hook)
|
500
|
553.06
|
0.00276
|
Notes: $f_{y}$: nominal yield stress; $f_{ym}$: measured yield stress; $\epsilon_{y}$:
yield strain
Table 3 Mixture proportions of concrete
|
$f_{ck}$
(MPa)
|
W/C
(%)
|
Unit weight (kg/m3)
|
|
W
|
C
|
S
|
G
|
Ad
|
|
24
|
44.3
|
168
|
379
|
882
|
923
|
3.8
|
|
40
|
31.5
|
170
|
540
|
733
|
986
|
5.4
|
|
50
|
24.2
|
160
|
660
|
727
|
929
|
7.3
|
Notes: W/C: water-cement ratio; S/a: sand-aggregate ratio; W: water; C: cement; S:
sand; G: gravel; Ad: high-range water reducing admixture
Table 4 Test result of concrete strength
|
$f_{ck}$ (MPa)
|
$f_{cm}$ (MPa)
|
$f_{sp}$ (MPa)
|
|
24
|
26.0
|
2.57
|
|
40
|
43.9
|
2.78
|
|
50
|
52.2
|
2.86
|
Notes: $f_{ck}$: characteristic compressive strength; $f_{cm}$: measured compressive
strength; $f_{sp}$: splitting tensile strength
4. 실험결과
4.1 하중-처짐 관계
갈고리 겹침이음 슬래브와 연속 철근이 배근된 슬래브의 하중-처짐 관계를 Fig. 4에 나타냈다. 이음 철근에 작용하는 응력은 모멘트-곡률 단면해석방법을 사용하여 도출하였다. 모멘트-곡률 단면해석에 사용된 콘크리트는 Hognestad
모델을 사용하였으며, 해석 프로그램은 Matlab을 사용했다.
초기 하중 단계에서 겹침이음 슬래브가 철근이 이중 배근됨에도 불구하고 연속 철근 슬래브보다 작은 강성을 보였다. 이는 충분한 이음길이를 확보하지 못하였기
때문에 이음부 내 갈고리 철근에 슬립이 발생하면서 강성이 더욱 저하되고 취성적 이음파괴가 발생하였다.
Fig. 4 Load-displacement relationship
4.2 파괴패턴
모든 실험체의 실험 종료 후 균열 진전 상태를 Fig. 5와 6에 나타내었다. Co-D19 실험체에서는 철근이 항복에 도달하였으며, 분리타설 구간 내의 휨 균열과 함께 PC-CIP 계면에 균열이 집중되었다. 실험
종료후 하부 면을 관찰하였을 때 부착응력에 기인한 쪼갬파괴는 관찰되지 않았다. 반면, 그 외 실험체에서는 철근이 항복하지 못하고 파괴가 발생하였으며,
철근 측면을 따라 종방향 균열이 형성되고 철근 간 콘크리트가 분리되는 쪼갬파괴가 나타났다. 최종 파괴양상으로 Fig. 5와 6에서 측면 피복의 탈락과 프라잉 거동에 의한 취성파괴가 공통적으로 나타났다.
균열의 진전 양상(Fig. 4)은 하중 수준에 따라 단계적으로 변화하였다. 하중 초기에는 PC-CIP 계면에서 균열이 발생하고 작용 하중의 증가에 따라 이음부 내의 갈고리 시작점
또는 이음부 중앙 하부에서 균열이 발생하고 진전되었다. 이음 시작점 슬래브 하부에서 발생한 균열은 계면의 상부 지압 위치에서 발생하는 균열과 이어지면서
대각 방향의 균열이 나타났다. 이 대각 균열은 겹침이음이 시작된 곳과 맞은편 철근의 끝부분으로 연결되었다. 최대 하중에서는 이 균열의 균열폭이 확장되면서
갈고리 단부 주변 콘크리트의 탈락이 관찰되었다. Coleman et al.(2025)의 연구에서도 보 하부에서 갈고리 이음시작부와 단부에서 철근간의 대각균열이 형성되고 보의 측면의 균열과 연결되면서 파괴되는 양상과 동일하게 나타났다.
갈고리 겹침이음 실험 전반에서는 파괴가 특정 메커니즘 하나에 의해 지배되기보다 부착응력 저하, 갈고리 정착에 의한 지압력, 프라잉 거동, 콘크리트
외측 벌어짐이 복합적으로 작용하였다. 특히 갈고리 직선부 인장력과 굽힘부 지압력의 상호작용으로 인해 콘크리트가 외측으로 벌어지는 현상이 발생하였다(Fig. 4). 이는 Dragosovićet al.(1975)와 Brush(2004)의 루프형 겹침이음 실험에서도 보고된 바 있다. 본 연구에서는 작은 직경
철근과 충분한 피복두께로 인해 전형적인 측면 파열(side-face blowout)은 발생하지 않았으나, Fig.5 (a)와 같이 이음길이(L150∼280)가
짧은 실험체에서는 국부적인 콘크리트 벌어짐이 발생하였다.
프라잉 거동은 특히 짧은 이음길이를 가진 실험체에서 두드러졌다. 이들 실험체는 짧은 이음길이로 인해 지압력이 집중되고 동시에 큰 휨 모멘트가 작용하여,
갈고리가 굽혀지면서 이음부 하부에 수직 인장력이 유도되며 하부 피복 파괴로 이어졌다. 이음길이비($l_{s}/l_{dh}$)가 0.4 수준의 실험체는
지압력은 작용하였으나 짧은 이음길이로 인해 프라잉 파괴보다는 굽힘부를 따라 발생한 휨균열이 주요 파괴 메커니즘이 작용하였다.
Fig. 5 Typical specimen failures
5. 결과분석
180도 갈고리 철근 겹침이음의 성능에 영향을 미치는 주요인자의 효과를 규명하기 위하여 매개변수평가를 수행하였다. 고려된 변수는 이음길이, 콘크리트
압축강도, 철근직경, 철근 항복강도이다. 각 변수의 효과를 분석하기 위해 철근 직경별 로 실험체를 구분하고, 나머지 조건은 일정하게 유지하여 비교하였다.
실험체 변수별로 제원의 차이가 존재하기때문에, 최대 이음강도(Splice strength, Coleman 2025)를 기준으로 분석 대상 변수에 대하여 정규화를 수행하였다.
5.1 이음강도에 길이와 항복강도의 미치는 영향
Fig. 7는 180도 갈고리 철근 겹침이음 실험체 중 이음길이만을 변수로 한 실험결과를 나타냈다. Darwin(2005)의 연구에서는 이음길이가 이음강도에
미치는 영향을 평가할 때 콘크리트강도의 효과를 제거하기위해 철근의 이음강도가 콘크리트 압축강도의 대략에 $f_{cm}^{0.25}$ 비례한다는 결과를
보고하였고 본 연구에서는 이를 근거로 실험결과를 정규화하여 평가하였다.
Fig. 7에 나타낸 실험결과에 따르면, 이음길이가 증가할수록 갈고리철근 이음의 정규화 강도는 뚜렷하게 증가하였다. 정규화된 철근 응력의 크기는 이음길이에 대하여
선형적으로 증가하는 것을 확인 할 수 있었다.
600 MPa 철근 실험체가 500 MPa 철근 실험체보다 전반적으로 높은 강도를 발현하였으나, 이는 항복강도의 영향뿐만 아니라 이음길이비 증가의
영향도 함께 작용한 결과로 해석할 수 있다. 즉, 동일한 이음비 조건에서 항복강도의 증가만이 강도향상을 직접적으로 설명한다고 보기는 어렵다. 다만,
모든 실험체에서 공통적으로 이음길이가 증가할수록 이음강도가 증가하는 경향은 뚜렷하게 확인되었고, Fig. 6에 제시된 모든 실험체들은 항복한 상태가 아니므로 정규화된 이음강도는 이음길이비에 선형적으로 관계한다고 할 수 있다.
Fig. 7 Effect of splice length on splice strength
5.2 콘크리트 압축강도가 이음강도에 미치는 영향
Fig. 8에는 180도 갈고리철근 겹침이음 실험체 중 콘크리트 압축강도를 변수로한 실험결과를 $f_{s}d_{b}/l_{s}f_{c}^{0.25}$로 무차원화하여
콘크리트 압축강도에 따라 나타내었다. 콘크리트 압축강도 증가가 이음강도에 긍정적인 영향을 미친다는 점을 보여준다. 특히, 동일한 이음길이비에서 고강도
콘크리트를 적용할경우, 저강도 콘크리트 대비 약 15∼30% 높은 강도 발현이 확인되었다.
Fig. 8 Effect of concrete strength on splice strength
5.3 KDS 14 20 52 정착길이 비교평가
Fig. 9에 180° 갈고리 철근 겹침이음의 실험 결과를 현행 설계기준인 KDS 14 20 52의 표준 갈고리 정착 설계식과 각각 비교하여 나타내었다. 계산된 결과는 설계기준에서 제안하는 보정계수를 곱하여 산정한 값과의 비교를 통해 이루어졌다.
그 결과, KDS 14 20 52의 경우 실험/계산값의 평균은 1.03, 변동계수(COV)는 0.96, 최소값은 0.94, 최대값은 1.23으로 나타났다. 설계식이 평균적으로는 실험
강도를 합리적으로 예측하는 것으로 확인되었다.
Fig. 9 Comparison of test results and KDS 14 20 52
6. 결 론
본 연구에서는 180° 갈고리 철근을 이용한 겹침이음의 거동을 규명하기 위하여 총 10개의 프리캐스트 슬래브 실험체를 제작하고 4점 휨실험을 수행하였다.
주요 변수는 이음길이, 철근 직경, 콘크리트 압축강도, 철근 항복강도로 설정되었으며, 실험 결과를 바탕으로 파괴 메커니즘, 응력 분포, 및 현행 설계기준과의
비교를 통해 다음x과 같은 결론을 도출하였다.
(1) 파괴 메커니즘
갈고리 철근 겹침이음부에서는 부착 응력에 의한 쪼갬 파괴, 프라잉 거동, 콘크리트 외측 벌어짐 등이 복합적으로 발생하였다.
짧은 이음길이를 갖는 실험체에서는 갈고리 굽힘부에서 발생한 지압력이 집중되어 취성적인 파괴가 발생하였으며, 충분한 이음길이를 확보한 실험체에서는 부착응력에
의한 응력 전달이 지배적으로 작용하였다.
(2) 이음길이의 영향
이음길이가 증가할수록 겹침이음 강도는 선형적으로 증가하는 경향을 보였다. 현행설계기준의 정착길이 산정식의 1.0배로 이음길이를 산정하였을 때 철근이
항복하지 않았기 때문에 갈고리 철근의 겹침이음길이는 더 크게 산정해야한다.
(3) 재료 특성의 영향
콘크리트 압축강도가 증가함에 따라 정규화된 이음 강도 역시 증가하여, 압축강도가 이음 성능에 긍정적인 영향을 미침을 확인하였다.
항복강도 500 MPa와 600 MPa 철근 모두 이음길이에 따라 선형적인 강도 증가를 보였으며, 고강도 철근(600 MPa) 역시 추가 연구를 통해
180° 갈고리 철근 겹침이음 설계에 적용될 수 있음을 확인하였다.
감사의 글
이 연구는 2025년도 정부(과학기술정보통신부)의 지원을 받아 수행된 연구에 의한 결과의 일부입니다. 연구비 지원에 감사드립니다. (NRF-2022R1A2C3008940,
RS-2023-00207763)
References
ACI Committee 318 (2025), Building Code Requirements for Structural Concrete (ACI
318R-25). Farmington Hills, MI; American Concrete Institute (ACI)

Coleman, Z. W., Jacques, E., and Roberts-Wollmann, C. L. (2025), Strength and Behavior
of Unconfined Noncontact Hooked Bar Lap Splices. Journal of Bridge Engineering, 30(2),
04024110.

Choi, S. D., Kim, M. S., Kim, K. S., Hong, S. Y., and Han, S. J. (2020), Experimental
Study on Structural Behavior of Inverted Multi-Tee Precast Slabs Manufactured by Slipformer.
Korea Institute for Structural Maintenance and Inspection, 24(3), 80-86 (in Korean).

DeVries, R. A. (2015), Load distribution between bond and end-bearing for hooked and
headed bars in concrete. AEI 2015. 269-278.

E. Hognestad (1951), A Study of Bending and Axial Load in Reinforced Concrete Members,
Bulletin No. 399, University of Illinois Engineering Experiment Station, Urbana, IL.

Han, S. M., and Chun, S. C. (2024), Experimental Evaluation on the Reinforcement Details
of Splice Strength of Hooked Bars. Journal of the Korea Concrete Institute, 36(6),
573-581 (in Korean). 10.4334/JKCI.2024.36.6.573

Son, D. H., Bae, B. I., Lee, J., and Choi, C. S. (2024), Shear strength of steel fiber
reinforced concrete exterior beam-column joints with various anchorage details under
cyclic loading. Structures, 61, 105940.

Jahromi, A. J., and Azizinamini, A. (2019), Investigation of longitudinal closure
joint using 90 hooked bars in accelerated bridge construction (No. ABC-UTC-2013-C1-FIU05-Final).

Jirsa, J. O., and Marques, J. L. (1972), A study of hooked bar anchorages in beam-column
joints. Department of Civil Engineering, Structures Research Laboratory, University
of Texas at Austin.

Korean Agency for Technology and Standard. (KATS). (2017), Test Pieces for Tensile
Test for Metallic Materials, KS B 0801 (in Korean)

Method of Tensile Test for Metallic Materials, KS B 0802 (in Korean)

Standard Test Method for Making and Curing Concrete Specimens, KS F 2403 (in Korean)

Standard Test Method for Compressive Strength of Concrete, KS F 2405 (in Korean)

Standard Test Method for Tensile Splitting Strength of Concrete, KS F 2423 (in Korean)

Korea Design Standard(KDS) Concrete Design Code 14 20, KDS 14 20 (in Korean)

Orangun, C. O., Jirsa, J. O., and Breen, J. E. (1975), The strength of anchor bars:
a reevaluation of test data on development length and splices (No. FHWA-RD-75-S0422
Final Rpt.).

Sperry, J., Yasso, S., Searle, N., DeRubeis, M., Darwin, D., O’Reilly, M., ... and
Ajaam, A. H. (2017, January), Conventional and high-strength hooked bars—Part 1: Anchorage
tests. American Concrete Institut

Sperry, J., Darwin, D., O’Reilly, M., Lequesne, R. D., Yasso, S., Matamoros, A., ...
and Lepage, A. (2017), Conventional and high-strength hooked bars—Part 2: Data analysis.
ACI Structural Journal, 114(1), 267-276.

Parastesh, Hossein, Iman Hajirasouliha, and Reza Ramezani. (2014), A new ductile moment-resisting
connection for precast concrete frames in seismic regions: An experimental investigation,
Engineering Structures 70.
