김효두
(Hyo Doo Kim)
1
창상훈
(Sang Hoon Chang)
†iD
-
(Seoul Metropolitan Regional Office Facilities Project Div. Korea National Railway,
Korea. E-mail : kimhyodoo@naver.com)
Copyright © The Korean Institute of Electrical Engineers
Key words
Fault Locator, Absorption current ratio method, Reactance method, Auto-transformers
1. 서 론
제4차 국가철도망 구축계획에 따르면, 2015년부터 2019년까지 국내 철도 연장은 약 322.4km 증가하였으며, 이 중 전철화 구간은 318.8km로
전체 전철화 구간의 약 1.9%가 확대되었다. 또한, 해당 계획에 따르면 2030년까지 철도 연장은 총 5,340km, 전철화 구간은 4,182km까지
증가할 것으로 전망된다[1]. 이에 따라 철도 노선 연장 및 전철화 비율의 증가와 더불어, 전기철도에서의 고장 및 사고 발생 빈도 또한 상승하고 있는 추세이며, 사고 발생 지점을
신속하고 정확하게 파악할 수 있는 고장점 표정장치의 정밀도 향상이 중요한 기술적 과제로 부각되고 있다.
전차선로의 상하선 간 전압차를 최소화하고, 선로 전압의 안정성을 확보하기 위해, 선로 말단에는 필요 시 단말보조급전구분소(ATP, Auto Transformer
Post)를 설치하는 것이 권장된다[2]. 그러나 신규 노선의 개설이나 기존 전차선로와의 연계 과정에서, 실제 교류 철도계통의 말단 구간에는 단권변압기(AT, Auto-Transformer)가
설치되지 않은 구간이 다수 존재한다. 이와 같은 말단선 구간에서는 전차선 또는 급전선의 지락 고장 발생 시, 기존 방식으로는 ±2% 이내의 고장점
표정 오차 범위를 만족하는 정밀한 고장점 추정이 어려운 한계가 있다[2].
일반적으로 말단 구간에서 지락 고장이 발생하면 고장 전류는 대부분 하나의 AT를 통해 흡상되는 전류 특성을 보이며, 이러한 특성을 활용하여 말단선
여부를 판단할 수 있다. 그러나 AT가 설치되지 않은 구간에서는 선로 거리별 흡상전류비의 계산이 불가능하다는 한계가 존재한다[3]. 기존 고장점표정 기술은 흡상전류비 방식, 임피던스 방식으로 구분되며 전자는 일반선에 적용하고 후자는 고속선로에 적용하고 있다. 또한 AT가 설치되지
않은 말단 구간에서의 고장점표정 기술은 연구 사례가 없는 실정이다.
본 논문에서는 AT가 설치되지 않은 말단 구간에서의 고장 전류 흐름을 분석하고, 흡상전류비와 임피던스 기반 방식을 혼용한 새로운 고장점 표정 기법을
제안한다. 또한 PSCAD/EMTDC 시뮬레이션을 통해 AT 미설치 말단 구간의 모델링 및 고장 사례를 모의하고, 제안된 표정 기법의 유효성을 검증한
결과를 제시한다.
2. 본 문
2.1 AT없는 말단구간에 대한 고장 전류 분석
교류 전기철도 급전계통에서 고장점의 위치를 정확히 표정하기 위해서는, 고장 발생 시 고장 전류가 AT(Auto Transformer)를 통해 어떻게
분기되고 흡상되는지를 명확히 이해해야 한다. 특히, 보조급전구분소(SSP)가 설치된 말단 구간에서는 AT 유무에 따라 고장 전류 흐름 특성이 크게
달라지며, 이 특성은 고장점 표정 알고리즘 설계의 핵심 요소로 작용한다.
본 절에서는 AT가 설치된 구간(Zone 1)과 설치되지 않은 말단 구간(Zone 2)에서 발생하는 다양한 고장 상황에 대해 고장 전류 흐름을 도식적으로
분석하고, 표정 방식 적용 가능성을 검토한다.
2.1.1 Zone 1에서의 지락 고장 전류 흐름
그림 1은 Zone 1, 즉 변전소와 보조급전구분소 사이 AT가 설치된 구간에서 전차선(TF) 지락 고장(Fault 1)이 발생한 경우의 고장 전류 흐름을
보여준다. 고장 전류는 변전소 측 AT의 중성점과 보조급전구분소 측 AT 중성점으로 분산되어 흐르며, 각각의 Slave 장치와 Master 장치에서
전류 측정이 가능하다. 이때, 고장점이 변전소에서 멀어질수록 Slave 측 AT에 더 많은 전류가 흡상되므로, 두 측정 지점의 전류비를 이용하여 고장
위치를 거리 단위로 판단할 수 있다[4-5].
그림 1. Zone 1에서 지락 고장 시 고장전류 흐름
Fig. 1. Fault current path in Zone 1 under ground fault condition
2.1.2 Zone 2에서의 지락 고장 전류 흐름
그림 2는 AT가 존재하지 않는 Zone 2에서 전차선(TF) 지락 고장(Fault 2)이 발생한 경우의 고장 전류 흐름을 나타낸다. 이 경우, 고장 전류는
보조급전구분소 측 AT의 중성점으로 대부분 흡상되며, 변전소 측 AT를 통해 흐르는 전류는 상대적으로 매우 작다. 이로 인해 전류비 기반 거리 판단이
어려워지고, 고장 위치가 어디든지 간에 비슷한 전류 분포가 관측된다. 이러한 특성은 Zone 2에서 흡상전류비 방식이 적용되지 않는 이유이며, 별도의
표정 방식이 필요함을 의미한다.
그림 2. Zone 2에서 지락 고장 시 고장전류 흐름
Fig. 2. Fault current path in Zone 2 under ground fault condition
2.1.3 Zone 1에서의 단락 고장(TF–AF 간) 전류 흐름
그림 3은 Zone 1 내에서 전차선(TF)과 급전선(AF) 간 단락 고장(Fault 3)이 발생한 경우의 고장 전류 경로를 보여준다. 이 경우 고장 전류는
변전소 측에서 TF와 AF를 통과하여 직접 고장점으로 흘러들어가며, AT 중성점을 통해 흡상되는 전류는 존재하지 않는다. 따라서 흡상전류비 방식으로는
고장점 구간을 구분할 수 없고, 변전소 측 전류 및 전압을 이용한 임피던스 기반 판단 방식이 필요하다.
그림 3. Zone 1에서 전차선(TF)-급전선(AF) 단락 고장 시 고장전류 흐름
Fig. 3. Fault current path in Zone 1 under a TF–AF short-circuit fault
2.1.4 Zone 2에서의 단락 고장(TF–AF 간) 전류 흐름
그림 4는 Zone 2에서 전차선과 급전선 간 단락 고장(Fault 4)이 발생한 경우를 나타낸다. 이 경우에도 AT가 설치되어 있지 않기 때문에 고장 전류는
TF와 AF를 직접 통과하여 고장점으로 흐르며, AT 중성점과는 무관한 경로를 따른다. 이와 같은 고장 유형 역시 흡상전류비 방식으로는 거리 판단이
불가능하므로, 임피던스를 기반으로 한 고장점 추정 기법이 요구된다.
그림 4. Zone 2에서 전차선(TF)-급전선(AF) 단락 고장 시 고장전류 흐름
Fig. 4. Fault current path in Zone 1 under a TF–AF short-circuit fault
이상의 고장 전류 흐름 분석을 통해 다음과 같은 결론을 도출할 수 있다.
-
⦁ Zone 1 지락 고장: 고장 전류가 양측 AT를 통해 분산되며, 흡상전류비 기반 거리 표정 가능
-
⦁ Zone 2 지락 고장: 고장 전류가 하나의 AT로 집중되며, 전류비는 일정 → 거리 판단 불가능
-
⦁ TF–AF 단락 고장 (Zone 1, 2 공통): 고장 전류가 AT를 경유하지 않음 → 흡상전류비 방식 부적합
따라서, 고장 유형과 위치에 따라 표정 방식을 구분하여 적용하는 것이 중요하며, Zone 2 및 단락 고장 조건에서는 별도의 임피던스 기반 거리 표정
알고리즘이 필요함을 확인하였다. 이러한 결과는 다음 절에서 다루는 고장점 표정 방안의 이론적 기반이 된다.
2.2 흡상전류비, 임피던스 혼용방식을 적용한 고장점 표정 방안
양단에 AT가 설치되어 있는 구간(Zone 1)의 경우, 기존에 적용하는 흡상전류비 방식과 동일하게 고장점 표정이 가능하다. 반면, AT가 설치되어
있지 않은 구간(Zone 2)의 경우, 해당 구간의 양단에 AT가 존재하지 않기 때문에 흡상전류비 방식으로는 표정이 불가능하다. 따라서 본 연구에서는
고장점 표정 장치의 무정차성 확보를 위해 흡상전류비 방식과 임피던스 방식의 혼용을 통해 표정 성능을 향상시키는 방안을 제시하고자 한다.
AT가 존재하지 않는 구간(Zone 2)에서 지락 고장이 발생하는 경우, 고장 전류는 하나의 AT로 대부분 흡상된다는 특성이 있다. 이 특성을 활용하면
고장 위치가 Zone 1인지 Zone 2인지 여부를 판단할 수 있다. 변전소에 설치되는 모장치(Master)에서 측정한 AT 전류 크기($I_{M,
AT}$)를 기준으로 고장구간을 판정하며, 보조급전구분소에 설치되는 자장치(Slave)에서 측정된 AT 전류 크기($I_{S1, AT}$)를 비교하여
다음과 같은 조건으로 고장구간을 구분한다.
그림 1에서 해석한 전류 값을 대입하면, Zone 1과 Zone 2에 따른 변전소 TF 전류 크기($I_{M, TF}$) 대비 보조급전구분소 자장치(Slave)에서
측정한 AT 전류($I_{S1, AT}$)를 이용해 다음과 같은 식으로 Zone 판단 지표($D_{Zone}$, Determinant Zone Index)를
구할 수 있다.
Zone 1에서 고장 발생 위치가 변전소에서 가까울수록 고장 전류 $I_{2}$는 작아지고 $I_{1}$은 커지게 된다. 그러므로 식 (3)의 판단식에서 흡상전류는 고장 발생 위치가 변전소에 가까울수록 커지는 형태를 가지며, 이 경우 고장점은 Zone 1으로 판단된다. 반대로 고장 발생
위치가 보조급전구분소에 가까울수록 분모에 비해 분자 값이 작아져 흡상전류비는 낮아지며, 이 경우 Zone 2로 유지된다. 즉, 고장 전류가 어느 측
AT로 더 많이 흡상되었는지를 나타내는 비율이 고장점의 위치 정보를 정량적으로 내포하게 된다. 이 비율은 실제 계통의 거리나 임피던스에 따라 달라질
수 있으며, 이에 따라 식 (1)의 임계값(Setting)을 적절히 보정함으로써 구간 분류의 정확도를 높일 수 있다. 이 방식은 다음 절에서 제시되는 PSCAD/EMTDC 기반의
수치 해석 결과와 결합하여, AT 설치 여부에 따른 고장 구간 판별 및 거리 추정 알고리즘의 핵심 논리로 작용한다.
2.3 PSCAD/EMTDC를 이용한 AT없는 말단 구간 모델링 및 흡상전류비, 임피던스 혼용방식을 적용한 고장점 표정 방안 검증
본 절에서는 AT(Auto-Transformer)가 설치되지 않은 말단 구간에서의 고장점 표정 성능을 검증하기 위해, PSCAD/EMTDC 시뮬레이터를
이용하여 실제 계통을 모사한 모델을 구현하고 다양한 고장 조건에서 흡상전류비 및 임피던스 기반 고장점 표정식의 유효성을 분석하였다.
2.3.1 PSCAD/EMTDC 모델 구성
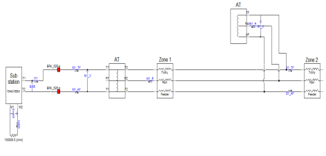
그림 5는 구현된 PSCAD/EMTDC 모델로, 변전소(Substation), 중간 AT 설치 지점, Zone 1 및 Zone 2로 구분된 전차선로와 급전선로
구조를 포함하고 있다. Zone 1은 변전소와 AT 사이의 약 10 km 구간으로 정의되며, Zone 2는 AT 이후의 약 20 km 구간으로 구성되어
있다. 이때, Zone 2는 AT가 존재하지 않는 전형적인 말단 구간이다.
그림 5. AT 없는 말단선로 PSCAD/EMTDC 모델링
Fig. 5. PSCAD/EMTDC Modeling of a Terminal Line without AT
2.3.2 흡상전류비 기반 고장점 판단 결과
TF(Trolley Feeder) 및 AF(Auto-Transformer Feeder) 지락 고장을 각각 Zone 1과 Zone 2 내에서 거리별로
발생시켜, 변전소 측에서 측정된 TF 전류 크기($I_{M, TF}$)와 보조급전구분소(SSP)에서 측정된 AT 전류 크기($I_{S1, AT}$)를
이용한 고장점 판단식($D_{Zone}=\frac{I_{S1, AT}}{I_{M, TF}}$)을 계산하였다. 그림 6과 7은 각 Zone에서 발생한 TF 및 AF 지락고장에 대해 위 식의 결과를 도시한 그래프이다.
-
⦁ Zone 1의 경우 (그림 6): 고장 위치가 변전소에서 멀어질수록 $I_{S1, AT}$가 증가하고 $I_{M, TF}$에 대한 비율도 선형적으로 증가함을 확인할 수 있다.
이 결과는 고장 전류가 AT로 점점 더 많이 흡상된다는 물리적 특성을 반영한다. 즉, 고장 위치를 거리 기준으로 정량화할 수 있음을 보여준다.
-
⦁ Zone 2의 경우 (그림 7): 고장 위치와 관계없이 비율이 거의 일정하게 유지되며, 이는 AT가 존재하지 않기 때문에 거리별 전류 분포 특성이 나타나지 않음을 의미한다. 따라서
흡상전류비 방식으로는 Zone 2 내 고장점의 거리 추정이 불가능함을 시사한다.
그림 6. Zone 1 TF 지락(좌측), AF 지락(우측) 사고시 거리별 판단 식 계산값($D_{Zone}=\frac{I_{S1, AT}}{I_{M,
TF}}$)
Fig. 6. Calculated values of distance-based decision equations for Zone 1 TF ground
fault(left) and AF ground fault(right)
그림 7. Zone 2 TF 지락(좌측), AF 지락(우측) 사고시 거리별 판단 식 계산값($D_{Zone}=\frac{I_{S1, AT}}{I_{M,
TF}}$)
Fig. 7. Calculated values of distance-based decision equations for Zone 2 TF ground
fault(left) and AF ground fault(right)
2.3.3 고장위치별 흡상전류비 분석
Zone 1에서 발생한 고장에 대해 고장 위치에 따른 $I_{S1, AT}$의 절대값 변화, 즉 AT로 흡상되는 전류량 자체의 변화를 관찰한 결과는
그림 8과 같다. 이때도 TF와 AF 모두에서 고장 위치가 변전소에서 멀어질수록 흡상전류량이 점진적으로 증가하는 경향을 보인다.
그림 8. Zone 1에서 TF 지락(좌측), AF 지락(우측) 고장치 거리별 흡상전류비 값
Fig. 8. Current ratio versus distance for Zone 1 TF ground fault (left) and AF ground
fault (right)
2.3.4 고장위치별 임피던스 기반 거리 산정 결과
흡상전류비 방식이 유효하지 않은 Zone 2에서는 임피던스 기반 방식, 즉 고장점까지의 선로 리액턴스를 이용하여 고장 위치를 추정해야 한다. 본 연구에서는
변전소에서 계측되는 전압 및 전류를 이용하여 고장 리액턴스를 계산하고, 이를 거리로 환산하는 방식을 적용하였다. 전철 계통은 급전선–레일 간의 긴
루프 구조와 도체 간 이격 거리로 인해 선로 리액턴스가 저항 성분보다 상대적으로 크게 형성되는 특성을 가지며, 여기에 아크저항·부하 영향·지락 경로
변화 등이 더해지면서 저항 성분의 변동성이 크게 증가한다. 계통 임피던스는 고장 시 계측 전압·전류로부터 식 (5) 로 구할 수 있으며, 앞서 언급한 특성으로 인해 저항 $R_{M}$ 성분의 불확실성이 커지게 된다.
이 경우 전체 임피던스를 그대로 이용하면 고장거리 산정 오차가 증가할 수 있어, 임피던스 중 상대적으로 안정적인 리액턴스만을 이용해 고장점을 추정하는
방식이 고장 표정 정확도를 향상시킬 수 있다.
그림 9. Zone 1에서 TF 지락(좌측), AF 지락(우측) 사고시 거리별 리액턴스 값
Fig. 9. Reactance values versus distance for Zone 1 TF ground fault (left) and AF
ground fault (right)
그림 9는 Zone 1의 TF 및 AF 고장 시 계산된 리액턴스 값이며, 거리 증가에 따라 리액턴스도 곡선 형태로 증가하는 추세를 보인다. 이는 선로 고유의
임피던스 구성에 따른 영향이다.
그림 10은 Zone 2에서 동일 방식으로 계산된 리액턴스 값이다. Zone 2에서는 흡상전류비가 일정하게 유지되어 거리 추정이 불가능하므로, 리액턴스를 이용한
방식이 유일한 대안으로 사용될 수 있다. 해당 결과는 TF 및 AF 고장 모두에서 거리 증가에 따라 리액턴스가 선형적으로 증가함을 보여주며, Zone
2 내 고장점 위치를 효과적으로 추정할 수 있음을 확인하였다.
그림 10. Zone 2에서 TF 지락(좌측), AF 지락(우측) 사고시 거리별 리액턴스 값
Fig. 10. Reactance values versus distance for Zone 2 TF ground fault (left) and AF
ground fault (right)
본 시뮬레이션 분석을 통해 다음과 같은 결론을 도출할 수 있다.
-
⦁ Zone 1과 같이 AT가 존재하는 구간에서는 흡상전류비 기반 방식이 고장점 표정에 효과적으로 적용 가능하다.
-
⦁ 반면, AT가 존재하지 않는 Zone 2의 경우에는 전류비 방식으로 거리 추정이 불가능하므로, 임피던스 기반 방식을 혼용하여 보완할 필요가 있다.
-
⦁ 따라서, AT 유무에 따라 구간을 판단하고, 해당 구간에 맞는 방식(흡상전류비 또는 임피던스 기반)을 선택적으로 적용하는 고장점 표정 시스템이
요구된다.
3. 결 론
본 논문에서는 AT(Auto-Transformer)가 설치되지 않은 교류 전차선 말단 구간에서 고장 발생 시 고장점의 위치를 효과적으로 표정할 수
있는 방안을 제시하였다. 기존 흡상전류비 기반 고장점 표정 방식은 AT가 설치된 구간(Zone 1)에서만 유효하며, 말단 구간(Zone 2)에서는
적용이 어렵다는 한계를 가진다. 이에 따라 본 연구에서는 흡상전류비 방식과 임피던스(리액턴스) 기반 방식을 혼용하여, 각 구간 특성에 맞는 고장점
표정 기법을 제안하였다.
제안된 방안의 타당성을 검증하기 위해 PSCAD/EMTDC 시뮬레이션을 통해 AT가 없는 철도 급전 계통을 모델링하고, Zone 1 및 Zone 2
각각에서 TF(Trolley Feeder) 및 AF(Auxiliary Feeder) 지락고장을 거리별로 발생시켜 고장점 표정 판단식을 적용하였다.
그 결과, 다음과 같은 결론을 도출할 수 있었다:
-
⦁ Zone 1 (AT 설치 구간)에서는 고장위치에 따라 AT로 흡상되는 전류비율이 선형적으로 변화하며, 흡상전류비 기반 판단식이 고장위치 추정에
유효하게 적용됨을 확인하였다.
-
⦁ Zone 2 (AT 미설치 말단 구간)에서는 고장 위치에 따른 흡상전류비의 변화가 거의 없어, 해당 방식으로는 거리 기반 고장 위치 판단이 불가능함을
확인하였다. 이에 따라 Zone 2에서는 변전소 측의 전압과 전류를 이용한 임피던스(리액턴스) 기반 방식이 유효한 대안으로 분석되었다.
-
⦁ 특히, Zone 2 내에서는 고장 위치에 따라 리액턴스 값이 비선형적으로 증가하는 특성을 보이며, 거리 추정에 활용할 수 있음을 확인하였다.
본 연구는 Zone 1(AT 설치 구간)에서는 전류비 방식을, Zone 2(AT 미설치 말단 구간)에서는 리액턴스 기반 방식을 적용함으로써 각 구간에서
고장 위치가 거리 변화와 일관된 관계로 산정되도록 구성하였다. AT가 양단에 위치한 구간에서는 기존 리액턴스 기반 방식에서 고장 위치가 두 개 이상으로
나타나는 다중해 문제를 해결하고 모든 구간에서 고장 위치를 단일해로 표정할 수 있는 기반을 확보하였다.
이러한 결과는 AT 설치 여부에 따라 구간을 판단하고, Zone 1에서는 흡상전류비 방식, Zone 2에서는 임피던스 기반 방식을 선택적으로 적용함으로써
전구간에 대한 고장점 표정 정확도를 크게 향상시킬 수 있음을 의미한다. 본 방안은 특히 실제 철도 급전계통 운영 중 AT가 미설치된 구간에서의 사고
대응력 향상 및 복구 시간 단축에 기여할 수 있을 것으로 기대된다. 향후에는 다양한 선로(분기선, 삼각선 등) 계통에 대한 적용성과 표정 정확도도
추가적으로 검토될 필요가 있다.
Acknowledgements
This research was supported by a grant from the R&D program of the Woosong University,
Republic of Korea.
References
2021, National Rail Network Development Plan 4th Edition, pp. 69

2019, General Provisions for Electric Railway Power Design, pp. 1-7

2020, Fault Locator(KRSA 3010), pp. 1-11

Yang-Hee Han, 2023, A Study on the Performance Improvement of a Fault Locator in AC
Electric Railway based on Fault Location Error, pp. 31-32

Yong-Joo Jeon, 2017, A Study on the Railway Fault Locator Impedance Estimation Method
using Substation and Rolling Stock Synchronized Power Data, pp. 30-43

저자소개
He received a master's degree from Department of Electrical and Radio Science Engineering
Graduate School of Industry Chungnam National University, February 2013. He is in
the Ph.D. program. Department of Railway Electrical Systems, Woosong University as
of November 2025. From June 1995 to 2025, he is serving for the Korea National Railway.
His main research interest is hybrid method of fault location for AC railway power
supply system.
He received the M.S. and Ph.D. degrees in electrical engineering from the Yonsei University
and Hongik University, Seoul, Korea, in 1992 and 2002, respectively. From 1994 to
2019, he was a Chief Researcher with Korea Railroad Research In Institute, Uiwang,
Korea. He is currently a Professor with the Department of Railroad Electrical System
Engineering, Woosong University, Daejeon, Korea. His main research interests include
traction power supply system design and electrical railroad system analysis.