I. INTRODUCTION
The use of delta-sigma ($\Delta\Sigma$) modulators that incorporate noise-shaping
successive approximation register (NS-SAR) analog-to-digital converters (ADC) as quantizers
has been explored for the purpose of achieving higher-order noise shaping (NS) [1]. Hybrid noise coupling, integrating analog and digital feedback, enhances NS. However,
this approach discards the fine quantizer after using it only for increasing NS order,
thus presenting an inefficiency [2]. Achieving high precision demands a high-resolution quantizer and digital-to-analog
converter (DAC). Digital processing techniques have been explored to relax this requirement,
but their effectiveness is constrained by analog--digital mismatches, resulting in
noise leakages [3,4].
This work presents a hybrid $\Delta\Sigma$ modulator that uses a 6-bit SAR quantizer
with 1-bit redundancy to enhance second-order NS while improving noise suppression
by reusing the fine quantizer.
This paper details the system architecture, circuit implementation, and simulation
results, thereby validating the noise suppression and power efficiency of the proposed
solution.
II. ARCHITECTURE
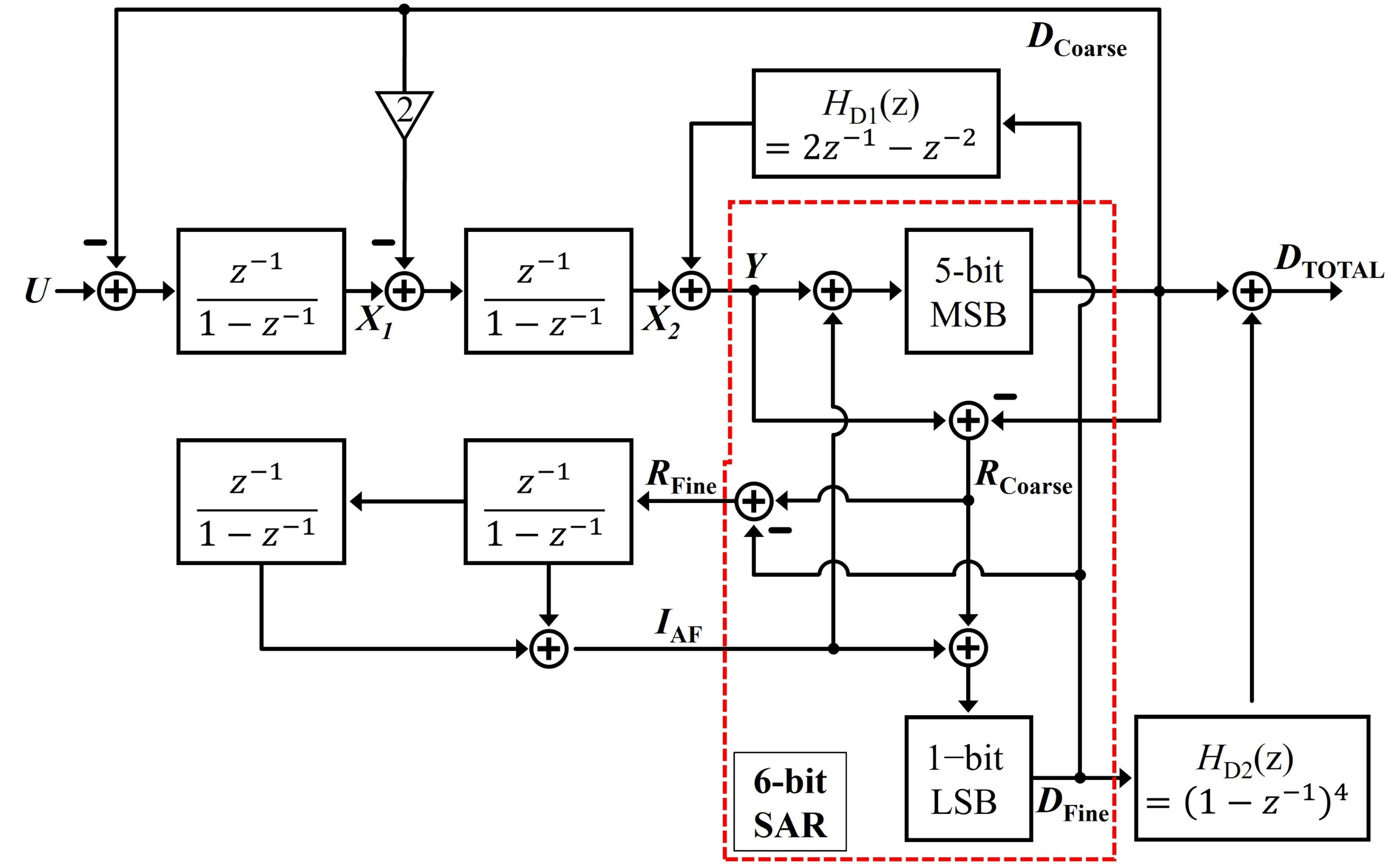
Fig. 1 illustrates the proposed $\Delta\Sigma$ modulator with hybrid NS-SAR ADC and digital
cancellation. It employs two cascaded integrators in the $\Delta\Sigma$ modulator
loop filter, a 6-bit quantizer consisting of a 5-bit coarse and 1-bit fine ADC, a
three-input comparator, and two cascaded integrators for residue integration. The
cascaded integrators successively process the input signal (${U}$) along with the
coarse quantizer output (${D}_{\rm Coarse}$), producing the outputs ${X}_{1}$ and
${X}_{2}$.
The input to the quantizer, represented by node ${Y}$, is obtained from ${X}_{2}$
and the digitally processed fine quantizer output (${D}_{\rm Fine}$). The digital
process (${H}_{\rm D1}$) is given by $1 -(-z^{-1})^{2}$ and creates a second-order
noise-transfer function (NTF) for the coarse quantization error (${E}_{\rm Coarse}$)
within the loop filter.
The coarse quantizer compares ${Y}$ to the analog feedback path (${I}_{\rm AF}$),
which consists of the processed fine quantizer residue ($R_{\rm Fine}$) obtained from
the two cascaded integrators and eliminates $E_{\rm Fine}$ within the loop filter.
After coarse quantization, the residue ($R_{\rm Coarse}$) is obtained.
The fine quantizer performs a 1-bit conversion using the same $I_{\rm AF}$. Then,
it generates $D_{\rm Fine}$ and $R_{\rm Fine}$.
Based on Eqs. (5)-(7), $D_{\rm Fine}$ consists only of coarse and fine quantization errors (QE).
Accordingly, ${Y}$ to $D_{\rm Coarse}$ is derived as follows:
Consequently, $E_{\rm Fine}$ is canceled out, while $E_{\rm Coarse}$ undergoes second-order
NS. When the NS-SAR is incorporated into the $\Delta\Sigma$ modulator loop filter,
the ${U}$ to $D_{\rm Coarse}$ transfer function is derived as follows:
The final modulator output ($D_{\rm Total}$) is processed through digital cancellation
between $D_{\rm Coarse}$ and $D_{\rm Fine}$ multiplied by $H_{\rm D2}$, which is given
by ($1-z^{-1})^{4}$.
Consequently, the NTF of $D_{\rm Total}$ contains only $E_{\rm Fine}$, indicating
that the total quantizer is fully utilized. Thus, the noise floor is further lowered
compared to that of the coarse quantizer alone. Notably, the proposed architecture
inherently achieves a fourth-order NTF response to $E_{\rm Coarse}$, as shown in Eq.
(11). Assuming a mismatch factor $\Delta$ between the analog and digital filters, the
leakage due to imperfect digital cancellation from $D_{\rm Coarse}+{H}_{\rm D2} \cdot
D_{\rm Fine}$ is derived as follows:
The leakage term originating from a mismatch in $E_{\rm Coarse}$ is also shaped by
the fourth-order NTF owing to the inherent loop filter. Since $\Delta$ is a small
mismatch factor, the resulting noise floor from leakage is significantly lower than
that of $E_{\rm Fine}$. Consequently, the effect of $E_{\rm Coarse}$ leakage is substantially
suppressed.
Fig. 1. Proposed $\Delta\Sigma$ modulator structure using hybrid NS-SAR with digital
cancellation.
III. CIRCUIT DESCRIPTION
As illustrated in Fig. 2, the proposed circuit consists of a switched capacitor (SC) integrator, a 7-bit nonbinary-weighted
capacitor array, two SC arrays, a three-input dynamic comparator, a digital decoder
for multiplication with $H_{\rm D1}$ and asynchronous SAR clock generation, nonbinary
to binary decoder, two cascaded gm-C integrators, and an $H_{\rm D2}$ multiplier block.
The clock operates in two main phases, ${\Phi}_{\rm ODD}$ and $\Phi_{\rm EVEN}$, where
each phase corresponds to one conversion period. Each phase is further divided into
$\Phi_{1}$ and $\Phi_{2}$, resulting in a four-phase operation [2]. The SC integrator is the core component of the $\Delta\Sigma$ modulator loop filter.
An additional switch allows the reuse of a single SC integrator, enabling amplifier
sharing [5]. The 7-bit SAR quantizer employs a 7-bit nonbinary-weighted capacitor array for 1-bit
redundancy [6].
During $\Phi_{1}$ of $\Phi_{\rm ODD}$, the first stage samples ${U}$ on ${C}_{\rm
S1}$, and the second-stage integration is performed by connecting $C_{\rm F2}$ to
the amplifier input through SW${}_{\rm I2}$ while opening SW${}_{\rm I1}$. At this
time, the bottom plate of $C_{\rm S2}$ is connected to the reference controlled by
$D_{\rm Coarse}$. When $X_{2}$ is sampled on the top plate of the total DAC array
with $72{\cdot }C_{\rm SAR}$, where $C_{\rm SAR}$ is the unit capacitance of the SAR
quantizer, the bottom plate is connected to the reference selected by $D_{\rm Fine}$
and multiplied by $H_{\rm D1}$. The stored charge on $C_{\rm EVEN}$ at $\Phi_{1}$
of $\Phi_{\rm EVEN}$ is coupled to the input of two successively cascaded gm-C integrators
for integration.
At the start of $\Phi_{2}$ in $\Phi_{\rm ODD}$, the bottom plate of $C_{\rm S1}$ is
connected to the reference controlled by $D_{\rm Coarse}$. Then, the stored ${U}$
is transferred to $C_{\rm F1}$ through the SC integrator, where SW${}_{\rm I1}$ is
closed while SW${}_{\rm I2}$ is opened. Each $C_{\rm I1}$ and $C_{\rm I2}$ is disconnected
from its respective gm-${C}$ integrator output and then referenced by the three-input
comparator [7].
During $\Phi_{2}$ in $\Phi_{\rm ODD}$, the SAR quantization digital outputs are decoded
from nonbinary to binary, and the resulting 6-bit output is separated into $D_{\rm
Coarse}$ and $D_{\rm Fine}$ for use in digital error feedback and digital cancellation,
respectively. No additional processing is required between the coarse and fine quantization
steps during SAR conversion [6,8]. Furthermore, no extra clock cycles or timing constraints are introduced as the full
7-bit conversion is executed sequentially without interruption. After the SAR conversion,
the digital cancellation is performed, where $D_{\rm Coarse}$ is combined with $D_{\rm
Fine}$ multiplied by $H_{\rm D2}$, yielding the final output $D_{\rm Total}$.
The operation in $\Phi_{\rm EVEN}$ is identical to that in $\Phi_{\rm ODD}$, except
that a ping-pong operation is employed, where $C_{\rm ODD}$ and $C_{\rm EVEN}$ alternately
store the charge during $\Phi_{\rm ODD}$ and $\Phi_{\rm EVEN}$, respectively, to be
used in the opposite phase [2].
The proposed architecture offers several key architectural choices that simultaneously
reduce circuit complexity and power consumption. First, amplifier sharing in the SC
integrator with phase interleaving reduces the number of required amplifiers, directly
lowering analog power consumption. Second, although the proposed architecture achieves
the same SQNR performance as conventional fourth-order NTF modulators with four cascaded
SC integrators (CIFB/CIFF), digital cancellation enables a one-bit reduction in feedback
DAC resolution; this reduction enables the use of larger thermometer unit capacitors
in the feedback DAC for the same total sampling capacitance, thereby improving capacitor
mismatch characteristics. The complexity of the control logic for dynamic element
matching circuits, such as DWA, is also reduced by half, further enhancing power efficiency.
Third, the proposed architecture eliminates the need for a feedback DAC array in the
third and fourth SC integrator stages, which removes routing overhead and further
simplifies circuit complexity. Compared to the CIFF architecture, no additional adder
amplifier is required at the quantizer input for signal summing, which also contributes
to lower power and complexity. In addition, the third and fourth stages of a conventional
$\Delta\Sigma$ are replaced by open-loop gm-C integrators, which consume less power
than SC integrators and do not require feedback DACs or their associated routing.
This open-loop structure, together with the small signal swing achieved by cascaded
integration of the $R_{\rm Fine}$ signal, greatly reduces the impact of gm-C integrator
gain nonlinearity and allows for significant static current reduction. Finally, unlike
conventional $\Delta\Sigma$ modulators using NS-SAR quantizers that employ a $D_{\rm
Coarse}$ and a digital filter, where the architecture is constrained by processing
time and suffers from reduced input signal swing due to residue saturation, the proposed
architecture utilizes only a 1-bit $D_{\rm FINE}$ for both $H_{\rm D1}$ and $H_{\rm
D2}$ digital filters. Since $H_{\rm D1}$ ($=1-(1-z^{-1})^2$) consists of both the
original and a second-order noise-shaped signal, the resulting swing remains significantly
smaller; this results in an increased dynamic range (DR) at the quantizer input, reduced
digital logic complexity, and relaxed timing constraints. By combining these strategies,
the proposed architecture achieves a reduction in circuit complexity and lower power
consumption, all while maintaining high conversion performance.
Fig. 2. Circuit implementation of proposed $\Delta\Sigma$ modulator.
IV. SIMULATION RESULTS
The proposed $\Delta\Sigma$ modulator was designed and validated via circuit-level
simulations based on a 0.18-$\mu$m 1P6M standard complementary metal-oxide-semiconductor
(CMOS) process.
Capacitor mismatch in standalone NS-SAR ADCs directly limits SNDR, INL, and DNL because
mismatch errors propagate to the output without NS. Conventional digital error correction
cannot compensate for this limitation since DAC mismatch directly impacts residue
generation. Calibration circuits can alleviate mismatch effects, but they increase
circuit complexity and power consumption. Mismatch Error Shaping (MES) is widely adopted
to suppress DAC mismatch as it shapes mismatch errors out of band and introduces a
dithering effect that suppresses deterministic in-band tones, enabling high SNDR [9,10]. However, despite its benefits, MES introduces additional circuit complexity and
reduces DR. In NS-SAR $\Delta\Sigma$ modulators, the main loop filter inherently shapes
most non-periodic DAC mismatch errors out of the band, often eliminating the need
for additional calibration [1,2]. Nevertheless, in the absence of MES, static mismatch components can still introduce
in-band tones, which must be carefully verified.
Monte-Carlo simulations were conducted by sweeping the capacitor mismatch from 0\%
to 1.5\%, with 200 iterations at each point. As illustrated in Fig. 3, the SNDR degradation remains within 6 dB for up to 0.63\% mismatch. In this work,
a total thermal noise target of 96 dB is specified for an oversampling ratio of 16,
ensuring that thermal noise remains the dominant noise source. Accordingly, the SNDR
target limited by DAC mismatch is chosen as 102 dB; this target is compatible with
the minimum capacitor matching achievable in this process but provides a limited design
margin, thus requiring careful layout and routing. The unit capacitance of the NS-SAR
quantizer is slightly increased to provide additional headroom. Further improvement
in SNDR by decreasing DAC mismatch noise would require even larger capacitors, which
increases both the switching power and the load for the final-stage SC integrator.
Therefore, an optimal trade-off among matching, area, and power consumption must be
considered in the design.
The input-referred error sources of the three-input dynamic comparator can be divided
into thermal noise and transistor mismatch. The thermal noise arises from random fluctuations
in the comparator's input devices and is broadband in nature. Transistor mismatch
can lead to a static offset, input-dependent dynamic offset, and gain error caused
by process variation and layout mismatch.
All the input-referred noise sources are located inside the $\Delta\Sigma$ modulator
loop filter. The fourth-order NTF shapes these errors and significantly suppresses
their in-band spectral components. Therefore, the in-band contribution of thermal
noise becomes negligible compared to the shaped quantization noise, provided the device
sizing meets the matching requirements for robust suppression of gain error from input
transistor mismatch. Similarly, the dynamic offset caused by transistor mismatch is
noise-shaped by the loop filter and further suppressed through a symmetric layout
and careful sizing of the input transistors. In this architecture, the static offset
is digitally corrected using the 1-bit redundancy of the NS-SAR quantizer.
However, in the proposed architecture, the multi-input comparator sums the output
of the second SC integrator with the sampled $H_{\rm D1}\cdot E_{\rm Fine}$ and the
analog error feedback path (${I}_{\rm AF}$) from the outputs of each cascade gm-C
integrator [7]. This summing can cause the zero of the NTF to deviate from the unit circle. Although
this effect is also suppressed by NS, it must be verified because a fourth-order NTF
demands a precise transfer function. Even small coefficient deviations could lead
to a substantial degradation in SQNR. As shown in Fig. 4, to verify the robustness of the proposed architecture, Monte-Carlo simulations were
performed by sweeping the input transistor mismatch from 0\% to 5\%, with 200 iterations
at each point. The results show that the SQNR degradation remains within 1 dB for
up to 3\% mismatch, confirming that the proposed architecture is robust against input
transistor mismatch in the three-input comparator.
Fig. 5 illustrates the dynamic performance for a 200-kHz input sinusoidal signal. In Fig. 5(a), the black and blue power spectral densities (PSD) represent the signal-to-quantization
noise ratios (SQNR) of the discrete Fourier transforms (DFT) for $D_{\rm Coarse}$
and $D_{\rm Total}$, respectively, exhibiting the ideal performance without transient
noise. For a 375-kHz bandwidth (BW) at a sampling rate of 12 MS/s and OSR = 16, the
SQNR values are 102.2 dB for $D_{\rm Coarse}$ and 107.1 dB for $D_{\rm Total}$. A
5-dB improvement is observed in $D_{\rm Total}$ with digital cancellation using $D_{\rm
Fine}$ due to the reduced noise floor. Fig. 5(b) presents the DFT results of $D_{\rm Coarse}$ and $D_{\rm Total}$ with transient noise
simulation. In this case, the SNDRs for both are approximately 92.9 dB, as the thermal
noise of the input sampling capacitor and the first-stage SC integrator dominates
and exceeds the quantization noise at OSR $= 16$. However, when the OSR is reduced
to 8, the SNDR values for $D_{\rm Coarse}$ and $D_{\rm Total}$ are 74.7 dB and 79.4
dB, respectively, maintaining a 5 dB improvement; this improvement is further verified
by the lower NTF slope observed near the bandwidth edge. These results demonstrate
that the noise floor improvement achieved by 1-bit digital cancellation becomes more
pronounced as thermal noise is reduced or in wide-band applications.
The total power consumption is 1.3 mW under a 1.8-V power supply. The ADC achieves
figures of merit (FoMs) of 177.5 dB, comparable to those of $\Delta\Sigma$ modulators
with NS-SAR, as shown in Table 1. The reduced power consumption stems from the NS-SAR based quantizer, SC integrator
sharing, and the use of digital cancellation, which collectively minimize analog complexity
while maintaining state-of-the-art performance, as summarized in Table 1.
Fig. 3. Simulated SNR as a function of capacitor mismatch ($1\sigma$) in the binary-weighted
DAC of the SAR quantizer at $\text{OSR} = 16$.
Fig. 4. Simulated SNR versus input transistor mismatch ($1\sigma$) in the three-input
comparator at $\text{OSR} = 16$.
Fig. 5. Simulated output discrete Fourier transform (DFT) spectrum. (a) SQNR of $D_{\rm
Coarse}$ (black) and $D_{\rm Total}$ (blue). (b) SNDR of $D_{\rm Coarse}$ (black)
and $D_{\rm Total}$ (blue).
Table 1. Performance summary and comparison.
V. CONCLUSIONS
This work introduces a $\Delta\Sigma$ modulator with a digitally assisted hybrid NS-SAR
quantizer. The ADC achieves an additional second-order NS while reusing the fine quantizer
output, lowering the noise floor by 5 dB and reducing the DAC resolution. In a 180-nm
CMOS process, the ADC has a total power consumption of 1.3 mW and achieves an SQNR
of 107 dB and SNR of 92.9 dB.
ACKNOWLEDGMENTS
This research was supported by the National Research Foundation (NRF) funded by
the Korean government (MSIT) (No. RS-2024-00439520) and by ``Regional Innovation Strategy
(RIS)'' through the National Research Foundation of Korea (NRF) funded by the Ministry
of Education(MOE)(2021RIS-004).
References
I.-H. Jang, S.-H. Park, J. Sim, and H.-J. Park, ``A 4.2-mW 10-MHz BW 74.4-dB SNDR
continuous-time delta-sigma modulator with SAR-assisted digital-domain noise coupling,''
IEEE Journal of Solid-State Circuits, vol. 53, no. 4, pp. 1139--1148, April 2018.

K. E. Lozada, J. Ramos, and M. P. Flynn, ``A 4th-order continuous-time delta-sigma
modulator with hybrid noise coupling,'' IEEE Transactions on Circuits and Systems
II: Express Briefs, vol. 69, no. 9, pp. 3635--3639, September 2022.

Y. Cheng, C. Petrie, B. Nordick, and D. Comer, ``Multibit delta-sigma modulator with
two-step quantization and segmented DAC,'' IEEE Transactions on Circuits and Systems
II: Express Briefs, vol. 53, no. 9, pp. 848--852, September 2006.

L. He, J. Liu, M. P. Flynn, and L. R. Carley, ``Digital noise-coupling technique for
delta–sigma modulators with segmented quantization,'' IEEE Transactions on Circuits
and Systems II: Express Briefs, vol. 61, no. 6, pp. 403--407, June 2014.

I. Lee, B. Kim, and B.-G. Lee, ``A low-power incremental delta–sigma ADC for CMOS
image sensors,'' IEEE Transactions on Circuits and Systems II: Express Briefs, vol.
63, no. 4, pp. 371--375, April 2016.

H.-K. Hong, Y.-D. Jeon, S.-T. Ryu, and G.-H. Cho, ``A decision-error-tolerant 45 nm
CMOS 7-bit 1 GS/s nonbinary 2-bit/cycle SAR ADC,'' IEEE Journal of Solid-State Circuits,
vol. 50, no. 2, pp. 543--555, February 2015.

H. Zhuang, Y. Zhu, S.-W. Sin, U.-F. Chio, and R. P. Martins, ``A second-order noise-shaping
SAR ADC with passive integrator and tri-level voting,'' IEEE Journal of Solid-State
Circuits, vol. 54, no. 6, pp. 1636--1647, June 2019.

W.-Y. Pang, C.-S. Wang, Y.-K. Chang, N.-K. Chou, and C.-K. Wang, ``A 10-bit 500-kS/s
low-power SAR ADC with splitting comparator for biomedical applications,'' in Proceedings
of the IEEE Asian Solid-State Circuits Conference, Taipei, Taiwan, pp. 149--152, November
2009.

Y.-S. Shu, L.-T. Kuo, and T.-Y. Lo, ``An oversampling SAR ADC with DAC mismatch error
shaping achieving 105 dB SFDR and 101 dB SNDR over 1 kHz bandwidth in 55 nm CMOS,''
IEEE Journal of Solid-State Circuits, vol. 51, no. 12, pp. 2928--2940, December 2016.

J. Liu, C.-K. Hsu, X. Tang, S. Li, G. Wen, and N. Sun, ``Error-feedback mismatch error
shaping for high-resolution data converters,'' IEEE Transactions on Circuits and Systems
I: Regular Papers, vol. 66, no. 4, pp. 1342--1354, April 2019.

Sung-Hoon Cho received his B.S. degree in electronic engineering from Sejong University,
Seoul, South Korea, in 2014, and an M.S. degree from the School of Mechatronics, Gwangju
Institute of Science and Technology (GIST), Gwangju, South Korea, in 2016.
He is currently pursuing his Ph.D. degree with the School of Electrical Engineering
and Computer Science. His research interests include CMOS image sensors (CIS), dynamic
vision sensors (DVS), and analog-to-digital converters (ADCs).
Myonglae Chu received his Ph.D. degree in mechatronics engineering from the Gwangju
Institute of Science and Technology (GIST), Gwangju, South Korea, in 2016. In 2015,
he was a Visiting Scholar at the Interuniversity Microelectronics Centre (IMEC) in
Leuven, Belgium. From 2016 to 2018, he worked as a Research and Development Engineer
at IMEC, focusing on the Department of Imager System on Chip for CMOS image sensors
(CIS). From 2018 to 2022, he was a Staff Engineer at Samsung Electronics in Hwaseong-si,
South Korea. From 2022 to 2024, he was with Omnivision Technologies in San Jose, USA.
Currently, he is a Principal Member of Technical Staff at IMEC in Leuven, Belgium.
His current research interests include next-generation image sensor design for short-wavelength
infrared (SWIR), pixel-level ADC, high dynamic range (HDR) image sensors, and dynamic
vision sensors (DVS).
Byung-Geun Lee (S'04-M'08) received his B.S. degree in electrical engineering from
Korea University, Seoul, Korea, in 2000. He received his M.S. and Ph.D. degrees in
electrical and computer engineering from the University of Texas at Austin in 2004
and 2007, respectively.
From 2008 to 2010, he was a senior design engineer at Qualcomm Incorporated in
San Diego, CA, where he was involved in the development of various mixed-signal ICs.
Since 2010, he has been with the Gwangju Institute of Science and Technology (GIST)
and is currently a professor at the School of Electrical Engineering and Computer
Science.