I. INTRODUCTION
Recently, high-resistivity (HR) partially-depleted (PD) silicon-on-insulator (SOI)
MOSFETs have been frequently used in RF IC fabrication. These devices exhibit enhanced
RF performance compared to bulk MOSFETs because the combination of a thick buried
oxide (BOX) layer and an HR substrate structure reduces leakage current and substrate
loss, enabling RF IC design [1,
2]. For RF switch design using body-contact (BCT) PD-SOI MOSFETs [3,
4], accurate equivalent circuit models capable of representing RF on-state and off-state
characteristics are required.
In conventional approaches, the off-state model parameters of PD-SOI MOSFETs have
been directly extracted using a simple equivalent circuit [5] in a common source-body (CSB) configuration shown in Fig. 1, where $C_{jdo}$ is the drain-body junction capacitance, $C_{bo}$ is the drain-source
coupling capacitance through the BOX layer, and $C_{gb}$ is the gate-body capacitance.
The extrinsic resistances ($R_G, R_D, R_S$) and inductances ($L_G, L_S, L_D$) can
be neglected in the low-frequency (LF) region because they are much smaller than the
impedance of capacitances.
Fig. 1. A simple off-state equivalent circuit of a PD-SOI MOSFET under the CSB configuration.
However, unlike the bulk MOSFET model [6], this simple model cannot be fully extracted with LF $S$-parameter measurement data
alone, because $C_{bo}$ is added to the bulk device model. For a symmetric source
and drain device structures at zero-bias conditions ($V_{GS} = V_{DS} = 0$ V), the
assumption of $C_{gdo} = C_{gso}$ is valid. Based on this symmetry, $C_{gb}$ can be
extracted using $(1/\omega)Im(Y_{11} + 2Y_{12})_{LF}$. However, it becomes impossible
to extract $C_{bo}$ and $C_{jdo}$ individually, because $(1/\omega)Im(Y_{22} + Y_{12})_{LF}
\approx C_{bo} + C_{jdo}$.
To overcome this limitation, an additional LF $S$-parameter measurement using a common
gate-body (CGB) test pattern has been employed to separately extract $C_{bo}$ [5]. However, this method has the drawback that the extraction process becomes complex,
because it requires both CSB and CGB test patterns. Furthermore, the model in Fig. 1 is highly simplified to enable direct extraction, which limits its ability to accurately
reflect the physical characteristics of the off-state device. This simplification
also reduces the accuracy of parameter extraction in the high-frequency (HF) region.
In particular, the body resistance $R_b$ in series with $C_{gb}$ becomes significantly
larger in PD-SOI MOSFETs than in bulk ones due to the thin body region above the BOX
layer, resulting in increased sheet resistance. Thus, the simple model, neglecting
$R_b$, exhibits insufficient accuracy. In the depletion region where $V_{GB}$ is greater
than the flat-band voltage $V_{FB}$, the small value of $C_{gb}$ suppresses the effect
of $R_b$ at LFs. However, at HFs, the influence of $R_b$ becomes non-negligible. In
the accumulation region ($V_{GB} < V_{FB}$), $C_{gb}$ increases significantly, and
thus the effect of $R_b$ becomes pronounced even at LFs. Consequently, the accuracy
of a simple model that neglects $R_b$ is degraded significantly in the accumulation
bias.
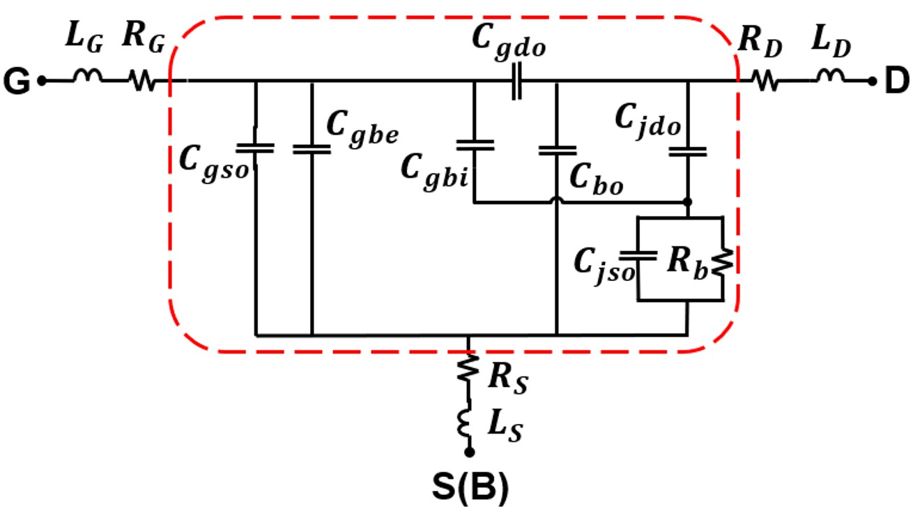
Therefore, a more complex physical off-state equivalent circuit model [7] shown in Fig. 2 was used instead of the one in Fig. 1. In this model, $R_b$ and $C_{jso}$, which are not negligible within the high frequency
range, are added to the simple equivalent circuit. In this work, to account for the
body-distributed effect resulting from the high aspect ratio of the body region, $C_{gb}$
is divided into intrinsic gate-body capacitance $C_{gbi}$ and extrinsic gate-body
capacitance $C_{gbe}$.
Fig. 2. A physical off-state equivalent circuit of PD-SOI MOSFET under the CSB configuration.
The intrinsic equivalent circuit is surrounded by a dashed box.
This physical model has a larger number of parameters than the simple one, and the
input and output parameters of the model are cross-linked via $C_{gbi}$ in Fig. 2, making derivation of the $Y$-parameter equation for direct extraction much more
difficult. To overcome this difficulty of the direct extraction, numerical optimization
is typically utilized, but may be complicated and produce uncertainties in finding
a unique solution.
To solve this problem without optimization process, a direct method using a simplified
model by treating the large $C_{gbi}$ under accumulation bias as a short circuit at
HFs in Fig. 2 was previously reported [7]. However, $C_{gbi}$, $C_{jdo}$ and $C_{jso}$ could not be directly extracted through
this simplification. To determine these parameters, further $S$-parameter measurements
at zero bias ($V_{GS} = 0$ V) and inversion bias ($V_{GS} > V_{TH}$) are used, making
this previous method more complex. Moreover, because the model is simplified for the
accumulation region, this direct extraction can not apply in the depletion region.
To overcome the limitations of existing simple models and complex extraction methods,
in this paper, we propose a novel technique for directly extracting all parameters
of a physical off-state equivalent circuit using only $S$-parameters measured at a
single bias, and verify its accuracy in various biases.
II. PARAMETER EXTRACTION AND ANALYSIS
Multi-finger HR PD-SOI N-MOSFETs with a gate length $L_g$ of 0.25 µm, a unit finger
width $W_u$ of 5 µm, the number of gate fingers $N_f$ of 16 and a T-shaped single
body contact (BCT) layout were fabricated in the CSB configuration. $S$-parameters
were measured from 100 MHz to 40 GHz and de-embedded to eliminate the parasitic components
of “on-wafer” RF probe pads and interconnections using open and short patterns [8,
9].
In Fig. 2, the extrinsic resistances and inductances affecting HF $Y$-parameters are extracted
under each off-state bias using the y-intercepts of the following HF Z-parameter equations
versus $\omega^{-2}$ [10]:
After de-embedding the extracted extrinsic resistances and inductors from Fig. 2, the $Y^i$-parameters of the intrinsic equivalent circuit can be expressed as follows:
where $A = R_b C_{gbi}^2$, $B = R_b(C_{jdo} + C_{jso} + C_{gbi})$, $C = R_b(C_{jdo}
+ C_{jso})$, $D = (C_{gso} + C_{gbo} + C_{gdo})$, $E = R_b C_{jdo}^2$, $F = R_b(C_{gbi}
+ C_{jso})$, $G = (C_{bo} + C_{gdo})$, and $H = R_b C_{jdo} C_{gbi}$.
First, it is assumed that $C_{gdo} = C_{gso}$ in symmetric source and drain structures
at $V_{DS} = 0$ V. This assumption may not hold under process variations or asymmetric
S/D layouts in which the extraction method for $C_{gso}$ is required.
Using the LF approximation of Eq. (9), the value of $C_{gdo} = C_{gso}$ can be directly extracted from the LF data of $-(1/\omega)Im(Y^i_{12})$.
Since Fig. 2 contains more unknown parameters than Fig. 1, and the feedback $C_{gbi}$ is connected between the input and output, the expressions
for the $Y^i$-parameters shown in Eqs. (7)-(9) become more complex, making it impossible to extract all parameters directly using
only LF approximated equations. Therefore, we derive newly simplified equations based
on HF approximations, enabling complete direct extraction. Unlike conventional methods
that require additional test patterns or multiple bias measurements, this novel method
allows all off-state equivalent circuit parameters to be extracted directly from a
single $S$-parameter measurement, making the method significantly simpler. Using this
novel approach that combines both LF and HF approximations, the remaining parameters
are directly extracted as follows:
To extract $C_{gbi}$ and $C_{jdo}$, the differences ($m$, $k$) between the LF and
HF approximations derived from the $Y^i$-parameter equations in Eqs. (7)-(9) are expressed by the following equations:
where
By combining Eqs. (10) and (11), we can derive the following new expressions for extracting $C_{gbi}$ and $C_{jdo}$
($= C_{jso}$):
where the assumption of $C_{jdo} = C_{jso}$ is valid in multi-finger SOI devices at
$V_{DS} = 0$ V because the junction capacitance is confined to the sidewall due to
the n$^+$ source and drain contact region just above the BOX layer.
In Figs. 3 and 4, $m$ and $k$ are determined from the LF-HF difference values of Eqs. (12) and (13), respectively. The values of $C_{jdo}$ ($= C_{jso}$) and $C_{gbi}$ are then extracted
by substituting $m$ and $k$ into Eqs. (14) and (15).
To extract $C_{bo}$, the following new equation approximated from Eqs. (8) and (9) in the HF region is used:
Substituting the HF value of $(1/\omega)Im(Y^i_{22} + Y^i_{12})$ from Fig. 4 and the previously extracted ones of $C_{jdo}$ ($= C_{jso}$) and $C_{gbi}$ into Eq.
(16), $C_{bo}$ can be extracted.
To extract $C_{gbe}$, the following new equation approximated at HFs from Eq. (7) is used:
Fig. 3. Frequency response of the measured $(1/\omega)Im(Y^i_{11} + Y^i_{12})$ data
under various bias conditions.
Fig. 4. Frequency response of the measured $(1/\omega)Im(Y^i_{22} + Y^i_{12})$ data
under various bias conditions.
Fig. 5. Frequency response of the measured $(1/\omega)Im(Y^i_{11})$ data under various
bias conditions.
$C_{gbe}$ is extracted by substituting the HF value of $(1/\omega)Im(Y^i_{11})$ from
Fig. 5 and the extracted ones of $C_{jdo}$ ($= C_{jso}$), $C_{gbi}$, and $C_{gdo}$ ($= C_{gso}$)
into Eq. (17).
Applying the proposed extraction method at mmWave frequencies, it becomes possible
to select more accurate HF values that fits Eqs. (12)-(17) at frequencies higher than 40 GHz in Figs. 3-5. Therefore, the validity of the HF approximation equation in Eqs. (12)-(17) is improved in the mmWave range, leading to improved extraction accuracy.
Typically, it is better to select the lowest frequency for the LF value and the highest
frequency for the HF value in the measured frequency range. However, in this work,
the LF extraction is performed using the 500 MHz data, because the lowest frequency
of 100 MHz seems to have some measurement uncertainty. For the HF extraction, the
average value of the 38-40 GHz measurement range is used, considering the fluctuation
observed in the measured HF data.
To extract $R_b$, the following equation derived from Eq. (8) is employed:
At LFs where $\omega^2 R_b^2 (C_{jso} + C_{jdo} + C_{gbi})^2 \ll 1$, Eq. (18) simplifies to $Re(Y^i_{22}) \approx R_b C_{jdo}^2 \omega^2$. Since $R_b C_{jdo}^2$
is the LF slope of the $Re(Y^i_{22})$ versus $\omega^2$ curve, $R_b$ is calculated
by dividing the slope by the extracted $C_{jdo}^2$.
Table 1. Percentage change of extracted parameters compared to the novel method according
to LF or HF point shift at $V_{GS} = V_{GB} = -2.5$ V.
|
|
Novel method LF = 500 MHz HF = 38 ~ 40 GHz
|
LF = 900 MHz
|
HF = 28 ~ 30 GHz
|
|
Results
|
% Change
|
Results
|
% Change
|
|
$C_{jdo}$
|
11.04 fF
|
8.47 fF
|
-23.3%
|
10.08 fF
|
-8.7%
|
|
$C_{jso}$
|
|
$C_{gbi}$
|
37.76 fF
|
31.83 fF
|
-15.7%
|
33.82 fF
|
-10.4%
|
|
$C_{bo}$
|
22.46 fF
|
23.03 fF
|
2.5%
|
23.42 fF
|
4.2%
|
|
$C_{gdo}$
|
24.5 fF
|
25.5 fF
|
4.1%
|
24.5 fF
|
0%
|
|
$C_{gso}$
|
|
$C_{gbe}$
|
25.07 fF
|
25.94 fF
|
3.5%
|
29.06 fF
|
15.9%
|
|
$R_b$
|
346 $\Omega$
|
587 $\Omega$
|
69.7%
|
414 $\Omega$
|
19.7%
|
Table 1 shows the sensitivity analysis of the extracted parameters in the case of shifting
LF or HF points. As shown in Figs. 3-5, the slope of the decreasing trend in the LF region is much steeper than that in
the HF region. Consequently, the variation in the extracted parameter values according
to the frequency points selected for determining the LF and HF values in Eqs. (12)-(18) is more pronounced in LF than in HF. When LF values are selected at the measurement
frequency point of 900 MHz, the average magnitude of percentage change in the extracted
parameters compared to the novel method is approximately 19.8%, as shown in Table 1.
To examine the change in the extracted parameters based on the selected HF points,
an additional parameter extraction is carried out using the average value in the 28-30
GHz range, which is lower than the 38-40 GHz frequency range selected for the HF values
in Eqs. (12)-(18) using the novel method. Although the frequency shift in HF extraction is much larger
than LF one in Table 1, the resulting average magnitude of % change in the extracted parameters based on
those using the novel method is about 9.8%, which is considerably lower than that
of the LF extraction. Therefore, we conclude that the proposed extraction method exhibits
higher parameter sensitivity to LF value selection than HF one, with $R_b$ showing
the largest variation among all parameters. Furthermore, Table 1 shows that the LF point shift strongly affects $C_{jdo}$ ($= C_{jso}$), $C_{gbi}$
and $R_b$, while the HF point shift largely affects $C_{gbi}$, $C_{gbe}$ and $R_b$.
Fig. 6. Extracted model parameters in Fig. 2 as a function of $V_{GB} = V_{GS}$.
Fig. 6 shows the extracted model parameters in Fig. 2 as a function of $V_{GB} = V_{GS}$, using the proposed direct method. The extracted
parameters show physically consistent trends: As $V_{GB}$ decreases, the channel depletion
depth $X_d$ of the active region becomes shallower. Since the gate oxide capacitance
$C_{OX}$ and channel depletion capacitance $C_{de}$ are connected in series between
the gate and body, the total gate-body capacitance $C_{gbi} + C_{gbe}$ increases in
the accumulation region due to the increase in $C_{de}$ [5]. Therefore, $C_{gbe}$, which is separated to model the body-distributed effect, exhibits
a similar voltage dependence to $C_{gbi}$, but is smaller than $C_{gbi}$. Additionally,
the reduction in $X_d$ leads to an increase in the gate-edge sidewall junction area
between the lightly doped drain (LDD) and the internal body, resulting in an increase
in $C_{jdo}$ and $C_{jso}$ as $V_{GB}$ decreases [11]. As $V_{GB}$ decreases, $R_b$ shows little change in the depletion region, but sharply
decreases at $V_{GB} < -0.5$ V in the thin body because the effective body thickness
increases due to the decreased channel depletion depth.
III. VERIFICATIONS
In Fig. 7, simulated $S$-parameters from a simple model (Fig. 1) are compared to a physical one (Fig. 2) together with the measured data. For the simple model simulation, the extracted
resistances and inductances are de-embedded from measured $S$-parameters, and the
following equations are then used to extract parameters in Fig. 1:
Fig. 7. Comparison of measured $S$-parameters with a simple model and a physical model
extracted under various off-state bias conditions.
As shown in Fig. 7, the physical model using the novel direct method shows good agreement with the measured
$S$-parameters in a wide frequency range (100 MHz ~ 40 GHz) and various bias conditions.
To quantitatively verify the superior extraction accuracy of the proposed direct method,
the error rates of the simple and physical models with respect to the measured data
are evaluated using the following equation:
where $N$ represents the number of measured frequency points, $\sum_{i,j=1}^{2}$ denotes
the sum of the errors for each $S_{ij}$, and $\sum_{f}$ denotes the summation for
all measured frequency points.
Fig. 8. Comparison of $S$-parameter modeling error rates in the range of 100 MHz to
40 GHz between simple and physical models.
The modeling error rates under various bias conditions for the simple and physical
models are shown in Fig. 8. The physical model exhibits $S$-parameter error rates at various biases, which are
considerably lower than those of the simple model, demonstrating superior accuracy
under off-state bias conditions. However, as $V_{GB}$ decreases, the simple model
shows a larger error rate than the physical one, because $R_b$ is neglected in the
simple one. In Fig. 7, the error in $S_{11}$-parameter for the simple model is larger than that in $S_{22}$-parameter,
and this error increases as $V_{GB}$ decreases. This $S$-parameter error occurs for
the following reasons: In the input circuit of Fig. 2, $R_b$ is in series with large $C_{gbi}$, leading to a more significant frequency
dependence on $S_{11}$-parameter, whereas in the output circuit, $R_b$ is in series
with small $C_{jdo}$, which has a relatively minor frequency effect on $S_{22}$-parameter.
Furthermore, the increase in $C_{gbi}$ in the accumulation region as $V_{GB}$ decreases
results in a larger error in the $S_{11}$-parameter due to the shorted $R_b$ in the
simple model.
Table 2. Comparison of extracted parameters between the previous [7] and proposed method at $V_{GS} = V_{GB} = -2.5$ V.
|
Parameters
|
Proposed method
|
Previous method [7]
|
|
$C_{jdo}$
|
11.04 fF
|
5.47 fF
|
|
$C_{gbe}$
|
25.07 fF
|
27 fF
|
|
$C_{gbi}$
|
37.76 fF
|
33.2 fF
|
|
$C_{bo}$
|
22.46 fF
|
24.5 fF
|
|
$R_b$
|
346 $\Omega$
|
840 $\Omega$
|
Table 2 compares the main extraction parameters of Fig. 2 obtained from the previous complex method [7] and the proposed method in the accumulation region. The previous method extracts
$C_{jdo}$ at $V_{GS} = V_{GB} = 0$ V, which fails to reflect the physical increase
in capacitance as the gate voltage decreases [11]. Thus, an unphysically smaller $C_{jdo}$ than that obtained using the proposed method
is extracted using the previous one. For $C_{gbi}$, the previous method extracts the
value from the difference between the on-state ($V_{GS} = 2.5$ V) and the zero-$V_{GS}$
condition. Since the depletion region exists inside the n$^+$-doped polysilicon gate
in the inversion region [12], the previous method incorrectly extracts a smaller $C_{gbi}$ than the value obtained
in the accumulation region using the proposed method.
In the previous method [7], $C_{bo}$ and $C_{gbe}$ are extracted using the $Y$-parameter equations derived from
the simplified equivalent circuit, assuming that the large value of $C_{gbi}$ is shorted
in the HF region. However, this assumption is inaccurate because extra fractional
terms composed of multiple capacitance components are added in Eqs. (16) and (17). Thus, the previous method yields extracted values of $C_{bo}$ and $C_{gbe}$ that
are unphysically larger than those obtained using the novel method. In addition, the
novel model exhibits an $S$-parameter error rate of 3.99% in the range of 100 MHz
to 40 GHz, which is considerably lower than the 9.35% of the previous complex method
at $V_{GS} = V_{GB} = -2.5$V, verifying the superior accuracy of the proposed simple
method.
Therefore, the novel extraction method enables direct extraction of all parameters
in the complex off-state equivalent circuit using only a single $S$-parameter measurement.
Compared to previous methods requiring complex extraction processes, our method is
much simpler and shows significantly improved accuracy, especially in the accumulation
region.
IV. CONCLUSIONS
A novel extraction method is proposed for directly extracting all parameters of a
physical off-state BCT PD-SOI MOSFET equivalent circuit without numerical optimization.
By utilizing not only LF but also HF measurement data, this method enables complete
parameter extraction using only a single $S$-parameter measurement in both accumulation
and depletion regions. New $Y$-parameter equations are derived from LF and HF approximations
of the off-state equivalent circuit, allowing direct extraction of all parameters.
This approach significantly simplifies the extraction process compared to conventional
direct methods that require additional test patterns or measurements at different
biases. The accuracy of the novel method is validated by ensuring that the modeled
$S$-parameters closely match the measured data at various biases up to 40 GHz.
ACKNOWLEDGMENTS
This work was supported by Hankuk University of Foreign Studies Research Fund of 2025.
REFERENCES
Ali K. B. , Neve C. R. , Gharsallah A. , Raskin J.-P. , 2014, RF performance of SOI
CMOS technology on commercial 200-mm enhanced signal integrity high resistivity SOI
substrate, IEEE Transactions on Electron Devices, Vol. 61, No. 3, pp. 722-728

Raskin J.-P. , 2016, SOI technology pushes the limits of CMOS for RF applications,
Proc. of the IEEE 16th Topical Meeting on Silicon Monolithic Integrated Circuits in
RF Systems, pp. 17-20

Yu B. , Ma K. , Meng F. , Yeo K. S. , Shyam P. , Zhang S. , Verma P. R. , 2017, DC-30
GHz DPDT switch matrix design in high resistivity trap-rich SOI, IEEE Transactions
on Electron Devices, Vol. 64, No. 9, pp. 3548-3554

Zhang Z. , Lin J. , Yu K. , Zhang S. , Huang L. , Zhang G. , 2015, A novel low-loss
high-isolation DP5T SOI CMOS switch in MCM for multi-band applications, Proc. of the
2015 Asia-Pacific Microwave Conference, pp. 1-3

Ahn J. , Lee S. , 2016, A direct method to extract extrinsic capacitances of rf SOI
MOSFETs using common source-body and gate-body configurations, Microwave and Optical
Technology Letters, Vol. 58, No. 12, pp. 2851-2853

Lee S. , 2008, A direct method to extract RF MOSFET model parameters using common
source-gate and source-drain configurations, Microwave and Optical Technology Letters,
Vol. 50, No. 4, pp. 915-917

Kuk J. , Lee S. , 2021, Improved RF method to extract extrinsic capacitances in PD-SOI
MOSFETs, Journal of the Institute of Electronics and Information Engineers, Vol. 58,
No. 4, pp. 3-8

Cha J. , Cha J. , Lee S. , 2008, Uncertainty analysis of two-step and three-step methods
for deembedding on-wafer RF transistor measurements, IEEE Transactions on Electron
Devices, Vol. 55, No. 8, pp. 2195-2201

Kim J.-Y. , Choi M.-K. , Lee S. , 2012, A thru-short-open de-embedding method for
accurate on-wafer RF measurements of nano-scale MOSFETs, Journal of Semiconductor
Technology and Science, Vol. 12, No. 1, pp. 53-58

Lee S. , 2005, An accurate RF extraction method for resistances and inductances of
sub-0.1µm CMOS transistors, Electronics Letters, Vol. 41, No. 24, pp. 1325-1327

Kuk J. , Lee S. , 2021, Gate voltage-dependence of junction capacitance in MOSFETs,
IEEE Transactions on Electron Devices, Vol. 68, No. 10, pp. 5315-5318

Ricco B. , Versari R. , Esseni D. , 1996, Characterization of polysilicon-gate depletion
in MOS structures, IEEE Electron Device Letters, Vol. 17, No. 3, pp. 103-105

Seunghun Yi was born in Gwangju, Korea. He received his B.E. degree in electronics
engineering in 2025 from the Hankuk University of Foreign Studies, Yongin, Korea,
where he is currently working toward the M.S. degree in electronic engineering in
the Department of Electronics Engineering. His current research work is focused on
simulation. characterization, and SPICE modeling for RF SOI CMOS.
Seonghearn Lee was born in Junjoo, Korea. He received his B.E. degree in electronic
engineering in 1985 from Korea University, Seoul, Korea, and his M.S. and Ph.D. degrees
in electrical engineering from the University of Minnesota, Minneapolis, in 1989 and
1992, respectively. His doctoral dissertation work involved the design, fabrication,
and parameter extraction of AlGaAs/GaAs heterojunction bipolar transistors. From 1992
to 1995, he was a Senior Member of the Research Staff with the Semiconductor Technology
Division, Electronics and Telecommunications Research Institute (ETRI), Daejeon, Korea,
where he worked on the development of polysilicon emitter bipolar transistors and
Si/SiGe/Si heterojunction bipolar transistors. Since 1995, he has been with the Department
of Electronic Engineering, Hankuk University of Foreign Studies (HUFS), Yongin, Korea,
where he is currently a Professor. In 1996 and 1998, he was an Invited Member of the
Research Staff with ETRI, where he worked on RF CMOS modeling in wireless communications
applications. He served as the director of the Institute of Information Industrial
Engineering at HUFS in 2019. Since 1996, he has carried out research on RF CMOS and
bipolar compact modeling and parameter extraction for the RF IC design. In 2013, he
successfully developed SPICE model library for SOI RF CMOS Process at the National
Nanofab Center, Daejeon, Korea. In 2020, he built a novel RF harmonic distortion breakdown
model of HRS-SOI MOSFETs for RF switch IC design through a research and development
project funded by DB HiTek, Bucheon, Korea. His research interests are in the field
of characterization, parameter extraction, and compact modeling of silicon devices
for use in high-frequency ICs. Prof. Lee is a senior member of the IEEE Electron Devices
Society and a member of IEIE. He served as a subcommittee chair at the Korean Conference
on Semiconductors (KCS) from 2012 to 2013. He received the HUFS Excellence in Research
Award in 2001, 2003, and 2004. He has been listed in Who's Who in the World and Who's
Who in Asia. He is named a Top Scholar by ScholarGPS in 2024 and 2025.