김평강
(Pyeong-Kang Kim*)
1iD
송승호
(Seung-Ho Song†)
†iD
-
(M.S. course, Department of Electronic Engineering, Korea National University of Transportation,
Korea)
Copyright © The Korean Institute of Illuminating and Electrical Engineers(KIIEE)
Key words
Discontinuous conduction mode, Filament power supply, Indirect sensing, Output estimation, Series resonant converter
1. 서 론
마그네트론(Magnetron)을 이용한 마이크로파 발생 기술은 식품 가공, 유해가스 처리, 레이더, 안티드론 등 다양한 분야에 적용되었다[1-3].
마그네트론 구동을 위해서는 다양한 종류의 전원장치가 요구되며, 이를 Fig. 1에 나타내었다. 그중 필라멘트 전원은 열전자를 방출하기 위해 필라멘트에 수십 V, 수십 A의 전원을 인가하여 필라멘트를 가열한다[4-6]. 필라멘트는 가열 전 단락회로와 같은 매우 낮은 임피던스를 가져 냉간 시 순간적으로 과전류가 인가될 수 있으므로 전류원 특성의 전원장치가 요구된다[7].
불연속 전도 모드(Discontinuous Conduction Mode, DCM)에서 동작하는 직렬 공진형 컨버터(DCM 직렬 공진형 컨버터)는 출력이
스위칭 주파수에 비례한 전류원 특성을 가지며, 공진으로 인해 소프트 스위칭이 가능하여 스위칭 손실이 매우 작다[8, 9]. 또한 고전압 변압기의 절연 거리로 인해 큰 누설 인덕턴스가 발생하여 이를 공진에 활용 가능하므로 필라멘트 전원장치에 효과적으로 적용 가능하다[10, 11].
한편, 필라멘트 전원장치의 출력은 수십 V의 전위차를 갖지만, 출력단이 수십 kV의 고전압 측에 연결되므로 고전압 절연이 요구된다[4-6]. 특히, 출력 측 센서의 경우 고전위에 대한 고려 사항뿐만 아니라 절연 인터페이스가 요구된다. 이러한 문제를 해결하기 위해 광 절연 인터페이스를
구성하는 방안이 제안되었다[12]. 기존 방식의 경우 센싱 회로를 고압 측에 구성하여 센싱 회로에 고압의 절연 성능이 요구되고 신뢰성 측면에서 문제가 발생할 수 있다.
이러한 문제를 해결하기 위해, 본 논문은 고전압 절연 및 인터페이스가 요구되지 않는 DCM 직렬 공진형 컨버터의 저압 측 전류 정보만으로 출력 전압
및 전류를 추정하는 기법을 제안한다.
제안하는 기법은 시뮬레이션을 통해 필라멘트 전원장치의 정격 출력 조건을 비롯한 다양한 출력 조건에서의 추정 결과를 확인하였다.
Fig. 1. Power supply connection diagram for magnetron
2. DCM 직렬 공진형 컨버터의 동작
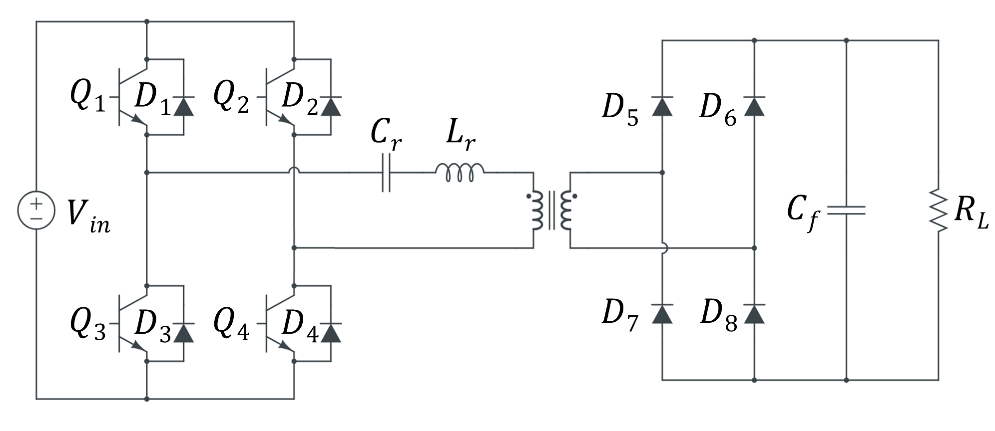
DCM 직렬 공진형 컨버터의 회로도는 Fig. 2에 나타내었다. DCM 직렬 공진형 컨버터의 스위칭 한 주기 동작은 스위치 Q1, Q4와 Q2, Q3의 상보적 동작으로 구성되며 그로 인해 나타나는
공진전류($i_{Lr}$) 파형의 변화에 따라 총 6가지의 구간으로 구분할 수 있다[8, 13]. 또한 공진전류($i_{Lr}$)의 변화에 따른 공진 커패시터 전압($V_{Cr}$)의 파형 변화를 Fig. 3에 나타내었다.
Mode 1(t0~t1) : Q1, Q4에 공진 반주기 동안의 스위칭 신호를 인가 시 시작된다. 이때의 등가회로는 Fig. 4(a)와 같다. Q1, Q4가 도통 되어 공진회로에 입력전압($V_{in}$)이 인가되어 공진회로가 공진 반주기 동안 공진하며 공진전류($i_{Lr}$)로
인해 공진 커패시터 전압($V_{Cr}$)이 증가한다. 이 구간에서의 공진전류($i_{Lr}$)는 식 (1)과 같다. 공진이 종료되어 공진전류($i_{Lr}$)가 0이 되는 시점까지 지속되며 이때 스위치 Q1, Q4가 개방된다.
이때 공진 각 주파수($\omega_{r}$)와 특성임피던스($Z_{0}$)는 식(2), (3)과 같이 정의한다.
Mode 2 (t1~t2) : Mode 1 구간 동안 공진 커패시터($C_{r}$)에 충전된 전압이 공진 인덕터($L_{r}$)에 인가되고 공진회로가
공진 반주기 동안 공진하여 시작된다.
이때의 등가회로는 Fig. 4(b)와 같다. Mode 1 구간과는 반대의 방향으로 공진전류($i_{Lr}$)가 흘러 Q1, Q4의 역병렬 다이오드인 D1, D4가 도통 된다. 이
구간에서의 공진전류($i_{Lr}$)는 식 (4)과 같다. 공진이 종료되어 공진전류($i_{Lr}$)가 0이 되는 시점에 Mode 2 구간이 종료된다.
Mode 3 (t2~t3) : 스위칭 반주기가 공진 주기보다 길게 동작하여 나타나는 구간이다. Mode 2 구간 종료 이후 스위치 Q2, Q3가 도통
되는 시점 전까지 공진전류($i_{Lr}$)가 흐르지 않아 전력이 전달되지 않는다.
Mode 4~6 (t3~t6) : 스위치 Q1, Q4와 상보적 동작하는 스위치 Q2, Q3의 동작으로 인해 나타나는 구간으로 Mode 1~3 구간과
반대의 부호를 갖는다.
Fig. 2. Circuit diagram of DCM series resonant converter
Fig. 3. Waveform of DCM series resonant converter
Fig. 4. Schematic of equivalent circuit
3. 제안하는 출력 추정기법
3.1 출력 전류 추정
DCM 직렬 공진형 컨버터의 출력 전류는 모든 구간에서의 1차 측 공진전류($i_{Lr}$)가 변압기를 거쳐 정류 다이오드를 통해 정류된 후 부하로
전달된다. Fig. 5의 출력 전류 그래프를 통해 이를 확인할 수 있으며 식 (5), (6)과 같이 수식화 가능하다.
사인파의 한 주기 평균은 사인파의 피크 값과 주기를 사용하여 도출 가능하며 이를 DCM 직렬 공진형 컨버터의 출력 전류에 적용 시 식 (7)과 같이 나타난다. 이때 공진전류의 피크 값($I_{Lr m1 pk,\:}I_{Lr m2 pk,\:}$)은 공진전류 센싱을 통해 측정이 가능하며,
스위칭 주파수($f_{sw}$)는 제어기 내에서 실시간 측정이 가능하다.
또한 변압기 턴 수비($n$)와 공진 각 주파수($\omega_{r}$)는 설계 시 결정되기에 저압 측의 공진전류 측정을 통해 출력 전류를 추정 가능하다.
Fig. 5. Waveform of output current
3.2 출력 전압 추정
DCM 직렬 공진형 컨버터의 1차 측 공진전류는 공진 탱크 양단에 걸리는 입력전압($V_{in}$)과 변압기 1차 측 전압($V_{o}/n$)의 영향을
받으며 그 피크 값은 입력전압($V_{in}$)과 변압기 1차 측 전압($V_{o}/n$)의 합⋅차 관계로 인해 결정된다. 이는 식 (1)과 식 (4), Fig. 4(a)~(b)를 통해 확인 가능하며 이러한 관계를 활용하여 공진전류의 피크 값과 출력 전압 간의 관계식인 식 (8)을 도출 가능하다.
이때 공진전류의 피크 값($I_{Lr m1 pk,\:}I_{Lr m2 pk,\:}$)은 공진전류 센싱을 통해 측정이 가능하며, 변압기 턴 수비($n$)와
특성임피던스($Z_{0}$)는 설계 시 결정된다. 따라서 출력 전압 또한 저압 측의 공진전류 측정을 통해 추정 가능하다.
3.3 제안하는 추정기법의 오차
제안하는 출력 추정 기법은 출력 전류 추정의 경우 공진 각 주파수($\omega_{r}$)를 사용하고 출력 전압 추정의 경우 특성임피던스($Z_{0}$)를
사용하며 이는 식 (7), (8)을 통해 확인 가능하다. 이로 인해 공진 각 주파수($\omega_{r}$)와 특성임피던스($Z_{0}$)에 오차가 발생할 시 출력 추정에도 오차가
발생한다. 이의 확인을 위해 공진 인덕턴스($L_{r}$)와 커패시턴스($C_{r}$)의 ±10% 편차 조건에서 추정 오차를 분석하였다.
각 파라미터의 최대 오차는 공진 각 주파수($\omega_{r}$)의 경우 공진 인덕턴스($L_{r}$)와 공진 커패시턴스($C_{r}$) 모두 90%
조건에서 11%의 오차율을 가지며, 특성임피던스($Z_{0}$)의 경우 공진 인덕턴스($L_{r}$) 값의 90% 조건, 공진 커패시턴스($C_{r}$)
값의 110% 조건에서 10.6%의 오차율을 갖는다.
이에 따라 출력 전류 추정의 경우 최대 11%, 출력 전압 추정의 경우 10.6%의 오차율을 갖는다.
4. 시뮬레이션 결과
본 논문에서 제안하는 추정 기법의 정확성을 검증하기 위해 Plecs 시뮬레이션을 사용하였고 시뮬레이션 파라미터는 Table 1과 같다.
Fig. 6은 DCM 직렬 공진형 컨버터의 정격 출력 조건(20V, 25A 조건)에서의 출력 추정 결과이다. 정격 출력 시 출력 전압과 출력 전류는 모두 1.3%
이내의 오차율을 갖는다.
Fig. 7은 정격 전압 출력 조건에서 전류 출력 비율 에 따른 전류 추정오차를 나타낸다. 정격의 80% 출력 조건에서 다른 출력 조건에 비해 큰 오차율을 갖는
이유는 시뮬레이션 내에서 발생한 연산 오차로 인한 것이다.
정격 전류 출력 조건에서 전압 출력 비율에 따른 전류 추정오차를 Fig. 8에 나타내었다. 경부하 출력 시 나타나는 큰 오차의 원인은 시뮬레이션 상에서 출력 조건마다 변하는 특성임피던스 값과 출력 추정 연산 시 입력한 이상적인
값의 특성임피던스 값 간의 오차 때문이다.
Fig. 6. Simulation results of proposed output estimation method
Fig. 7. Current estimation error rate of output estimation method
Fig. 8. Voltage estimation error rate of output estimation method
Table 1. Simulation parameters
|
Parameter
|
Value
|
|
$V_{in}$
|
500V
|
|
$V_{o_{-}rated}$
|
20V
|
|
$I_{o_{-}rated}$
|
25A
|
|
$P_{o_{-}rated}$
|
500W
|
|
$f_{sw_{-}rated}$
|
50kHz
|
|
$n$
|
1/17
|
|
$f_{r}$
|
100kHz
|
|
$Z_{0}$
|
216.5Ω
|
|
$L_{r}$
|
344.5uH
|
|
$C_{r}$
|
7.353nF
|
5. 결 론
본 논문에서는 필라멘트 전원장치에 적용 가능한 DCM 직렬 공진형 컨버터의 저압 측 공진전류 측정을 통한 출력 추정 기법을 제안하였다. 출력 추정
기법은 1차 측 공진전류 측정만으로 출력 추정이 가능하므로 고전압 절연 및 인터페이스가 요구되지 않는다. 제안하는 추정기법은 공진 소자의 파라미터를
기반으로하며, 실제 소자 값의 편차에 의해 오차가 발생 할 수 있다. 이 경우 공진 파라미터의 실측 값을 사용하는 등 파라미터 편차에 의한 오차 보정이
요구된다.
도출된 추정 기법의 검증을 위해 20V, 25A, 500W급 DCM 직렬 공진형 컨버터를 설계 및 시뮬레이션을 진행하였다. 제안하는 추정 기법은 정격
출력 조건에서 최대 1.3%의 오차율을 가지며, 다양한 출력 조건에서의 출력 전류 추정 시 최대 0.005%, 출력 전압 추정 시 최대 1.5%의
오차율을 달성하였다. 이를 통해 제안하는 추정 기법이 효과적으로 적용 가능함을 검증하였다.
Acknowledgement
이 논문은 한국조명·전기설비학회 2025년도 춘계학술대회에서 발표하고 우수추천논문으로 선정된 논문이며, 본 과제(결과물)은 교육부와 충청북도 RISE사업의
재원으로 지원을 받아 수행된 충청북도 RISE사업의 연구결과임.
References
S. R. Jang, S. H Ahn, H. J Ryoo, and J. S Kim, “Power supply for 60㎾ industrial magnetron,”
in Proc. of Power Electronics Conference, pp. 248-249, 2010.

W. Y. Lee, G. B. Chung, and P. S. Shin, “A design of driving circuit for microwave
oven using phase-shifted FB-ZVS PWM switching,” The Transactions of Korean Institute
of Power Electronics, vol. 6, no. 3, pp. 265-272, 2001.

J. Y. Lee, M. K. Choi, and H. J. Ryoo, “A study on a pulsed power modulator for generating
high power microwaves for anti-drone systems,” in Proc. of Power Electronics Conference,
pp. 38-40, 2023.

P. J. Villegas, et al., “Filament power supply for electron beam welding machine,”
IEEE Transactions on Industrial Electronics, vol. 62, no. 3, pp. 1421-1430, 2015.

J. Y. Lee, W. C. Jeong, M. K. Choi, and H. J. Ryoo, “Design of the heater power supply
using the indirect sensing,” in Proc. of Proceedings of KIIEE Annual Conference, p.
11, 2022.

J. Y. Lee, M. K. Choi, and H. J. Ryoo, “Design of the filament power supply based
on the phase-shifted PWM technique,” in Proc. of Proceedings of KIIEE Annual Conference,
p. 30, 2023.

C. Ma, et al., “Design of gyrotron filament power supply based on Buck voltage-fed
full-bridge inverter,” in Proc. of 22nd International Vacuum Electronics Conference
(IVEC), pp. 1-2, 2021.

S. R. Jang, H. J. Ryoo, J. S. Kim, and S. H. Ahn, “Design and analysis of series resonant
converter for 30kW industrial magnetron,” in Proc. of IECON 2010 - 36th Annual Conference
on IEEE Industrial Electronics Society, pp. 415-420, 2010.

S. Kim, S. R. Jang, and H. S. Kim, “A study on the capacitor charger for solid-State
marx modulator,” Journal of the Korean Institute of Illuminating and Electrical Installation
Engineers, vol. 32, no. 11, pp. 54-59, 2018.

S. R. Jang, et al., “Development and optimization of high-voltage power supply system
for industrial magnetron,” IEEE Transactions on Industrial Electronics, vol. 59, no.
3, pp. 1453-1461, 2012.

W. C. Jeong, et al., “Design of the filament power supply based on the DCM series
resonant converter,” Journal of the Korean Institute of Illuminating and Electrical
Installation Engineers, vol. 34, no. 6, pp. 28-33, 2020.

H. B Jo, et al., “Design of filament power supply based on high voltage insulation
for driving Magnetron,” in Proc. of KIEE Conference, pp. 42-43, 2021.

T. H. Kim, et al., “Development of DC power supply for plasma activated water using
gliding Arc discharge,” IEEE Transactions on Plasma Science, vol. 51, no. 10, pp.
2805-2812, 2023.

Biography
He received his B.S. degree in electronic engineering from the Korea National University
of Transportation, Chungju, South Korea, in 2025. He is currently pursuing the M.S.
degree in Dept. of electronic engineering, Korea National University of Transportation.
His research interests include soft-switched resonant converter applications.
He received his B.S. degree in electrical engineering from the Kwang-Woon University,
Seoul, South Korea, in 2016 and his M.S. and Ph.D. degrees from the Department of
Energy Engineering, Chung-Ang University, Seoul, in 2021. He worked as a Senior Researcher
in the Smart Electrical and Signaling Division of the Korea Railroad Research Institute
(KRRI), Uiwang, South Korea. In 2024, he joined Korea National University of Transportation,
Chungju, South Korea, where he is currently a professor of the School of Electronic
Engineering. His research interests include soft-switched resonant converter applications
and high- voltage solid-state transformers.