문의창
(Ui-Chang Mun*)
1iD
송승호
(Seung-Ho Song†)
†iD
-
(M.S. course, Department of Electronic Engineering, Korea National University of Transportation,
Korea)
-
(Assistant Professor, Department of Electric Engineering, Korea National University
of Transportation, Korea)
Copyright © 2025 KIIEE All right's reserved
Key words
High-voltage capacitor charger, LCC resonant converter, Output estimation method
1. 서 론
최근 수년간, 고전압 커패시터 충전기는 펄스 전력 시스템, 국방, 의료, 수처리 장치 등 다양한 고전압 응용 분야에서 활용되고 있다[1,2]. 이러한 응용 시스템에서 대용량 커패시터는 짧은 시간 안에 고에너지 전력을 충전해야 하므로, 충전 시간, 안정성 및 전력 효율이 시스템 전체 성능에
큰 영향을 미친다. 이에 따라 대용량 커패시터를 효과적으로 충전할 수 있는 고효율 충전기에 관한 연구가 활발히 진행되고 있다[3-8].
고전압 커패시터 충전기의 특성상, 높은 턴 수비의 변압기에서 누설 자속이 크게 발생하고, 고압 측에 많은 권선을 감기 때문에, 권선 간 기생 커패시턴스가
높다는 특징을 가진다. LCC 공진형 컨버터는 위 기생 소자를 공진 소자로 활용하여 시스템의 부피 저감 및 높은 전력 밀도 달성이 가능하다. 또한
스위치 턴-온 시점에서 스위치의 역병렬 다이오드로 흐르는 전류를 통한 ZVS(Zero-Voltage-Switching) 구현으로 스위칭 손실을 효과적으로
저감 할 수 있으며, 특정 설계를 통해 전류 RMS 및 파고율 저감이 가능하므로 도전 손실 또한 저감이 가능하므로 고전압 커패시터 충전기의 토폴로지로
적합하며, 이를 적용하기 위한 연구가 수행되고 있다[9-13].
한편, 센서를 통해 고압 측의 전압과 전류를 직접 센싱할 경우, 센서 소자는 높은 전력 스트레스를 받게 된다.
따라서 센서의 고전압 절연 및 신뢰성 확보가 요구되며, 고압 측의 수십 kV의 내전압을 견딜 수 있는 전압 및 전류 센서가 요구된다는 단점이 있다[5]. 이러한 문제를 해결하기 위해 1차 측 RMS 전류를 기반으로 출력을 추정하는 기법이 제안되었으나 기생 성분이 고려되지 않아 오차가 비교적 크다[14].
본 논문에서는 이러한 한계를 극복하기 위해 전압 및 전류 센서를 저압 측에 배치하고, 이를 기반으로 고압 측 출력 전압 및 출력 전류를 간접적으로
추정하는 기법을 제안한다. 위 추정 기법은 고전압 센싱이 요구되지 않고, 센서의 지속적인 신뢰성 확보가 가능하며, 전력 스트레스를 저감 할 수 있다.
제안하는 출력 추정 기법은 PLECS 시뮬레이션을 통해 타당성을 검증하였다.
2. LCC 공진형 컨버터
2.1. LCC 공진형 컨버터
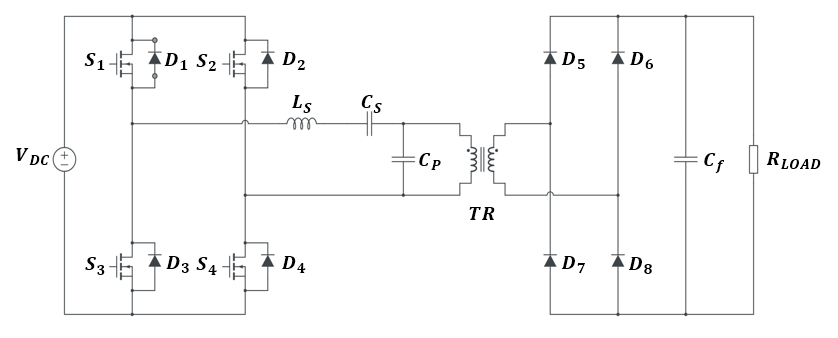
Fig. 1은 LCC 공진형 컨버터의 회로도를 나타낸다. LCC 공진형 컨버터는 풀-브리지 인버터, 공진 탱크, 변압기, 풀-브리지 정류기, 부하로 구성되며,
공진 탱크는 직렬 공진 인덕터 및 커패시터와 병렬 공진 커패시터로 구성된다. DC 입력 전압을 받는 인버터 단의 스위치는 각 leg의 상‧하단 스위치가
상보적으로 동작하며, 생성된 구형파 전류가 공진 탱크에서 직⋅병렬 공진을 거치며 공진 전류를 생성한다. 또한 공진 전류는 변압기와 풀-브리지 정류기,
필터를 거쳐 출력 전압 및 전류는 DC 형태로 출력된다.
본 논문에서는 LCC 공진형 컨버터의 변압기에서 발생하는 자화 인덕턴스는 직렬 공진 인덕턴스에 비해 무시가 가능할 정도로 크다고 가정하여 자화 인덕턴스에
대한 영향을 고려하지 않는다.
Fig. 1. Circuit diagram of LCC resonant converter
2.2. LCC 공진형 컨버터 동작 모드
LCC 공진형 컨버터는 동작 특성에 따라 6개의 모드로 구별된다.
M1($t_{0}$ ~ $t_{1}$) : M1은 공진 탱크의 병렬 공진 커패시터 $C_{p}$를 충전하는 구간으로 $C_{p}$가 공진에 관여하므로
병렬 공진 전류가 흐르고, 공진 전류는 부하 측으로 전달되지 않고 변압기 1차 측을 순환한다. 스위치 S1, S4는 M1이 시작되기 전 이미 On
되어 있는 상태이다. M1 구간에서 병렬 공진 커패시터 $C_{p}$를 빠르게 충전해야 하므로 병렬 공진 주파수 $f_{op}$는 스위칭 주파수 $f_{sw}$
에 비해 매우 크게 설계된다.
M2($t_{1}$ ~ $t_{2}$) : 충전되는 병렬 공진 커패시터 전압 $V_{cp}$가 출력 전압과 변압기 턴 수비의 역수의 곱과 같아질때,
정류 단 다이오드($D_{5}$-$D_{8}$)가 도통 되어 부하 측으로 전력이 전달되는 구간이다. 이때, $C_{p}$의 충전이 멈추므로 $V_{cp}$가
일정 값으로 유지되므로 $C_{p}$는 전압원으로 등가화할 수 있고, $C_{p}$가 공진에 관여하지 않기 때문에 직렬 공진 전류가 흐른다. 이때,
공진 전류의 기울기는 공진 인덕터 $L_{s}$의 양단에 걸리는 전압의 차에 따라 달라지며, 직렬 공진 주파수 $f_{os}$는 스위칭 주파수 $f_{sw}$에
비해 매우 크게 설계하여 공진 전류의 파고율을 낮추어 전도 손실 저감이 가능하다.
Fig. 2. Equivalent circuits of each modes (a) M1 (b) M2 (c) M3
M3($t_{2}$ ~ $t_{3}$) : M3는 스위치 S1, S3가 OFF 되며 공진 탱크를 통해 흐르던 전류가 역병렬 다이오드 $D_{2}$,
$D_{3}$ 를 통해 흐르게 된다. 따라서 스위칭 시점에서 S2와 S3의 양단 전압은 0이므로 ZVS가 가능하다. $L_{s}$의 양 단 전압 차의
절댓값이 커지므로 공진 전류는 빠르게 0으로 떨어진다.
M4-M6($t_{3}$ ~ $t_{6}$) : M4, M5, M6는 각각 M1, M2, M3의 스위치 상보적 동작으로 이루어져 공진 전류 파형은
M1, M2, M3의 음 전류 형태로 나타난다.
Fig. 2(a), 2(b), 2(c)는 각각 M1, M2, M3에서의 공진 탱크 등가회로를 나타낸 것이다. 인덕터 전압 공식에 따라서 각 모드에서 공진 전류의 기울기는 인덕터 양 단의
전위차와 같으며, Fig. 2(b), 2(c)에서 확인할 수 있듯 $C_{s}$의 영향을 무시했을 때, 공진 전류 기울기는 입력 및 출력 전압의 상대적 크기에 따라 달라진다. Fig. 3은 입력 전압 대비 출력 전압이 큰 조건(a), 같은 조건(b), 그리고 작은 조건(c)에서의 변압기 1차 측 공진 전류 파형을 나타낸 것이다. 일반적으로
고전압 커패시터 충전기는 부하 커패시터 전압이 정격 수준으로 충전될 시 충전을 멈추며, 부하 커패시터의 방전으로 인해 일시적으로 전압이 감소하면 재충전하는
시스템이다. 또한 Fig. 3(a)의 $V_{in} > V_{o}/n$ 조건에서는 스위치의 턴-오프 시점에서의 전류가 크므로 스위칭 손실이 크게 증가한다. 따라서 본 논문에서는 Fig. 3(b)와 3(c)에 적용된 $V_{in} \approx V_{o}/n$와 $V_{in} < V_{o}/n$ 조건에서의 출력 전압 및 전류 추정 기법을 제안한다.
Fig. 3. Waveform of resonant current by cases (a) $V_{in} > V_o/n$ (b) $V_{in} \approx
V_o/n$ (c) $V_{in} < V_o/n$
3. 제안하는 출력 추정 기법
Fig. 4는 $V_{in} < V_{o}/n$ 조건에서의 스위칭 한 주기 공진 전류와 병렬 공진 커패시터 전압 파형을 나타낸 것이다. 본 논문에서는 출력을
추정하기 위해 공진 전류의 특정 시점의 값으로 Fig. 4의 $I_{Ls, peak}$와 $I_{Ls, M2end}$ 정보를 사용한다. 고전압 응용 분야에서 LCC 공진형 컨버터의 병렬 공진 커패시터는 고
턴 수비 변압기에서 발생하는 기생 성분으로 구현하기 때문에 병렬 공진 커패시터 $C_{p}$는 직렬 공진 커패시터 $C_{s}$에 비해 매우 작게
설계된다. 따라서 $C_{p}$와 $C_{s}$의 직렬연결은 $C_{p}$로 등가화할 수 있으며, 공진 전류의 피크 값은 $L_{s}$의 양단에 걸리는
전압과 병렬 공진 특성 임피던스 $Z_{op}$로 나타낼 수 있다.
3.1. 출력 전압 추정 기법
LCC 공진형 컨버터는 병렬 공진 커패시터의 공진 관여 여부에 따라서 직렬 공진 주파수 $f_{os}$와 병렬 공진 주파수 $f_{op}$, 총 2개의
공진 주파수가 생성된다. M1에서는 병렬 공진 주파수가 공진에 관여하므로 병렬 공진 주파수를 따르는 병렬 공진 전류 $I_{Ls, p}$가 변압기
저압 측을 순환한다. Fig. 2(a)의 등가회로 정상 상태 해석을 통한 병렬 공진 전류의 피크 값 $I_{Ls, p}(peak)$은 식 (1)과 같이 나타난다.
이때, 병렬 공진 전류의 첨두치 $I_{Ls, p}(peak)$는 전체 공진 전류의 첨두치 $I_{Ls, peak}$와 같다. 또한 $t_{0}$는
정류 단 다이오드가 도통 상태에서 차단 상태로 전환되는 시점이며, 다이오드 도통이 시작되는 시점은 병렬 공진 커패시터 전압이 출력 전압까지 충전되는
시점이므로 $V_{Cp}(t_{0})=-V_{o}/n$ 이다. 또한 $C_{s}$는 $C_{p}$ 에 비해 매우 크기 때문에, $V_{Cs}$는 입력전압($V_{DC}$)과
$V_{Cp}$에 비해 매우 작은 수준으로 무시할 수 있다. 따라서 출력 전압은 $V_{Cs}(t_{0})$를 무시한 식 (1)에서 $V_{Cp}(t_{0})$를 대입하여 출력 전압에 대해 정리한 식 (2)와 같이 추정할 수 있다.
Fig. 4. Waveforms of resonant current and parallel resonant capacitor voltage ($V_{in}
< V_{o}/n$)
3.2. 출력 전류 추정 기법
출력 전류는 부하 측으로 전력이 전달되는 M2와 M3에서의 공진 전류 적분치를 반 스위칭 주기로 나눈 값으로 추정한다. 직렬 공진 커패시터의 영향을
무시했을 때, Fig. 2(b), 2(c)에서 M2와 M3의 공진 전류 기울기는 등가회로 상 입력 전압과 출력 전압의 합 또는 차에 의해 결정된다. 이를 전제로 두고 공진
전류를 해석했을 때, Fig. 4의 M2와 M3의 전류 적분치 $Q_{2}$와 $Q_{3}$는 각각 사다리꼴과 직각 삼각형 꼴로 근사화할 수 있다. 따라서 $Q_{2}$와 $Q_{3}$의
넓이는 각각 식 (3)과 식 (4)로 근사화할 수 있다.
여기서 $t_{M2}$와 $t_{M3}$는 각각 M2와 M3 구간의 시간이다.
Fig. 5. Comparison of resonant current waveform
Fig. 5는 $V_{in} \approx V_{o}/n$와 $V_{in} < V_{o}/n$ 조건에서의 공진 전류 파형을 비교한 것이다. $V_{in} \approx
V_{o}/n$ 조건에선 M2의 공진 전류 파형의 기울기가 0이므로 $I_{Ls, peak}=I_{Ls, M2end}$ 이다. 또한 손실이 없는 LCC
공진형 컨버터에서 입력 전력과 변압기에서 소모되는 전력이 같으므로 M1과 M3의 시간은 $t_{M1}=\frac{T_{op}}{4}$, $t_{M3}=\frac{T_{op}}{8}$
로 근사화할 수 있다[10]. 여기서 $T_{op}$는 병렬 공진 주기를 의미한다. 위 조건에서 $V_{DC}$또는 $V_{o}$의 변동이 발생하여 공진 전류 파형이 Fig. 3과 같이 나타날 때, 동일한 스위칭 주파수로 동작 시 공진 전류 기울기에 의한 파형의 변화가 나타나고 이에 따른 M2와 M3 구간의 시간 차이가 발생한다.
설계 과정에서 $C_{s}\gg C_{p}$ 관계로 인해 직렬 및 병렬 특성 임피던스는 $Z_{Cs}\ll Z_{Cp}$ 관계로 나타나며, $\triangle
i=\triangle\frac{v}{z}$ 관계에 따라 특성 임피던스 변화가 없을 때, $V_{DC}$와 $V_{o}/n$의 차에 의한 공진 전류
변화는 $Z_{Cp}$에 의해 결정되는 $I_{Ls, peak}$보다 $Z_{Cs}$에 의해 결정되는 $I_{Ls, M2end}$에서 지배적으로 발생한다.
따라서 $V_{DC}$와 $V_{o}/n$의 차이가 반영된 $t_{M3}$는 식 (5)와 같이 근사화할 수 있다[10].
또한 M2 구간에서 공진 전류가 선형적으로 감소한다고 가정했을 때, $I_{Ls, peak}$ 에서 $I_{Ls, M2end}$ 까지의 변화량은 ‘공진
전류 파형 기울기($\frac{V_{in} - V_{o}/n}{L_{s}}$) * $t_{M2}$’로 정의할 수 있으며, 이를 $t_{M2}$에 대한
수식으로 변환했을 때, $V_{DC}$와 $V_{o}/n$의 차이가 반영된 $t_{M2}$는 식 (6)과 같이 근사화할 수 있다.
따라서 출력 전류는 식 (7)과 같이 추정할 수 있다.
4. 시뮬레이션 결과
본 논문에서는 LCC 공진형 컨버터의 출력 추정 기법의 타당성을 검증하기 위해 PLECS 시뮬레이션 프로그램을 사용하였다. 고전압 커패시터 충전기에
적용이 가능한 입력 전압 DC 510V, 정격 출력 30kW의 LCC 공진형 컨버터를 설계하였고, 정격 파라미터를 Table 1에 정리하였다. 공진 인덕턴스 및 직병렬 공진 커패시턴스에 따른 공진 주파수는 병렬 공진 주파수를 155kHz로 직렬 공진 주파수 13kHz의 약
12배 수준으로 크게 설계하였다. 파라미터에 따른 LCC 공진형 컨버터의 공진 전류의 피크 값 $I_{Ls, peak}$는 센싱한 아날로그 전류 신호를
피크 감지 회로를 이용하여 검출하였고, M2 구간이 끝나는 지점에서의 전류$I_{Ls, M2end}$는 S1 스위치 양단 전압 아날로그 신호의 상승
에지를 감지한 시점의 전류를 검출하였다.
Table 1. Specification of rated simulation parameter
|
Parameter
|
Mark
|
Value
|
Unit
|
|
Rated Output Power
|
$P_o$
|
30
|
$kW$
|
|
Rated Output Voltage
|
$V_o$
|
20
|
$kV$
|
|
Input Voltage
|
$V_{DC}$
|
510
|
$V$
|
|
Turn Ratio($N_2/N_1$)
|
$n$
|
35
|
-
|
|
Series Resonant Inductance
|
$L_s$
|
14
|
$\mu H$
|
|
Series Resonant Capacitance
|
$C_s$
|
20
|
$\mu F$
|
|
Parallel Resonant Capacitance
|
$C_p$
|
75
|
$nF$
|
|
Switching Frequency (Rated)
|
$f_{sw}$
|
45
|
$kHz$
|
정격 파라미터에서 스위치 동작에 따른 공진 전류 파형 출력 전압 및 전류 추정 결과를 Fig. 6에 나타내었다. 정격 입력 조건에서 20kV, 1.5A 정격 출력을 확인하였으며, 정격 출력에 대한 출력 추정 기법 오차율은 출력 전압 0.65%,
출력 전류 1.33%로 나타났다. 정격 파라미터에서 스위치 동작에 따른 공진 전류 파형 출력 전압 및 전류 추정 결과를 Fig. 6에 나타내었다. 스위치 신호에 따른 공진 전류 파형을 확인했을 때 S1 및 S4가 턴-온 시 음 전류가 급격하게 0으로 감소한 후 높은 병렬 공진
주파수로 인해 병렬 공진 커패시터를 빠르게 충전한다. 이후에 직렬 공진으로 전환되어 부하 측에 전력을 전달 후에 스위치 턴-오프 시 전류가 0으로
감소하는 것을 확인할 수 있다. 정격 입력 조건에서 20kV, 1.5A 정격 출력을 확인하였으며, 정격 출력에 대한 출력 추정 기법 오차율은 출력
전압 0.65%, 출력 전류 1.33%를 확인하였다.
Fig. 6. PLECS simulation result
Fig. 7. Error rate of output estimation result
입력 전압 및 정격 출력 전류 고정 조건에서의 스위칭 주파수에 따라 변동되는 출력 전압 추정 결과와 입력 전압 및 정격 출력 전압 고정 조건에서의
스위칭 주파수에 따라 변동되는 출력 전류 추정 결과를 Fig. 7에 나타내었다. 시뮬레이션 조건은 고전압 커패시터 충전기의 정상 상태 도달 조건인 $V_{in} \approx V_{o}/n$ 및 $V_{in} <
V_{o}/n$조건으로 설정하였으며, 대용량 커패시터의 작은 전압 변동 특성을 고려하여 출력 전류를 경부하 출력을 제외한 1.5A~1A로 선정하였다.
스위칭 주파수가 증가할수록 Fig. 6의 공진 전류 파형에서 부하 측으로 전력이 전달되는 M2와 M3 구간이 점점 짧아지기 때문에, 출력 전압 및 전류 모두 감소하는 결과를 확인할 수
있다. 출력 추정을 위해선 스위칭 주파수 전 구간에서 출력 전압은 오차율 1% 이내, 출력 전류는 오차율 2% 이내를 달성하였다. 더 정확한 출력
추정을 위해선 직렬 공진 커패시터의 영향을 고려해야 하며, 정상 상태 해석 및 인덕터 양 단 전압 공식에 직렬 공진 커패시터 전압 $v_{Cs}$의
측정 및 대입이 요구된다. 하지만 이를 위해선 저압 측에 전압 센서 추가가 요구되며, 기존의 출력 전압 및 전류를 직접 센싱하는 방법 대비 요구되는
센서가 더 많다. 직렬 공진 커패시터의 영향을 무시했지만 추정하는 출력 전압 및 전류의 낮은 오차율로 제안하는 출력 추정 기법을 검증하였다.
5. 결 론
본 논문에서는 고전압 커패시터 충전기에 적용되는 LCC 공진형 컨버터의 입력 전압 및 공진 전류 측정을 통한 출력 추정 기법을 제안하였다. 출력 전압
및 전류 정보 추출을 위한 센싱 회로의 전력 스트레스를 저감 하기 위해 LCC 공진형 컨버터의 공진 전류 파형에 따른 동작 원리를 해석했다. 또한
공진 전류의 특정 시점에서의 값을 추출하여 출력 전압 및 전류를 간접적으로 추정하는 수식을 도출했다. 이는 정격 출력 20kV, 30kW급 고전압
커패시터 충전기에 적용되는 LCC 공진형 컨버터의 출력 추정 시뮬레이션에서 검증하였다. 시뮬레이션은 공진 소자 파라미터, 공진 주파수 및 특성 임피던스의
정확한 값을 알고 있는 조건에서 수행했으며, 정격 출력 전압 추정 오차율 0.65%, 정격 출력 전류 추정 오차율 1.33% 을 달성하였다. 가변하는
스위칭 주파수 조건에서의 출력 전압 추정 오차율은 전 구간에서 1% 이내, 출력 전류 추정 오차율은 전 구간에서 2% 이내를 달성하였고, 이를 통해
제안하는 출력 추정 기법의 타당성을 검증하였다.
Acknowledgements
이 논문은 한국조명‧전기설비학회 2025년도 춘계학술대회에서 발표하고 우수 추천 논문으로 선정된 논문이며 2025년도 교육부 및 충청북도의 재원으로
충북RISE센터의 지원을 받아 수행된 지역혁신중심 대학지원체계(RISE) 글로컬대학30의 결과임.(2025-RISE-11-004)
References
Hidenori Akiyama, "Industrial applications of pulsed power technology", IEEE Transactions
on Dielectrics and Electrical Insulation, vol. 14, no. 5, pp. 1051-1064, 2007.

Alireza Bagheri, Hossein Iman-Eini, Mohammad Emaneini, "Underwater arc discharge treatment
using high-voltage arc-robust supply", IEEE Journal of Emerging and Selected Topics
in Power Electronics, vol. 11, no. 3, pp. 3261-3269, 2023.

Alex Pokryvailo, Costel Carp, Clifford Scapellati, "High-power high performance low-cost
capacitor charger concept and implementation", IEEE Transactions on Plasma Science,
vol. 38, no. 10, pp. 2734-2745, 2010.

S. C. Rho, Y. H. Kim, "A study on the high voltage CCPS using a resonant frequency
tracking type series resonant inverter", Journal of the Korean Institute of Illuminating
and Electrical Installation Engineers, vol. 19, no. 7, pp. 107-112, 2005.

W. C. Jeong, J. Y, Lee, M. K. Choi, H. J. Ryoo, "Implementation of the 160kV high
voltage DC/DC converter", 2023 11th International Conference on Power Electronics
and ECCE Asia, 2023.

S. Kim, S. R. Jang, H. S. Kim, "A study on the capacitor charger for solid state marx
modulator", Journal of the Korean Institute of Illuminating and Electrical Installation
Engineers, vol. 32, no. 11, pp. 54-59, 2018.

Alireza Bagheri, Hossein Iman-Eini, "A high-voltage capacitor charger based on a novel
LCCL resonant converter", IEEE Transaction on Industrial Electronics, vol. 69, no.
11, pp. 11046-11054, 2021.

H. J. Ryoo, "Design of high voltage capacitor charger with improved efficiency, power
density and reliability", IEEE Transactions on Dielectrics and Electrical Insulation,
vol. 20, no. 4, pp. 1076-1084, 2013.

J. S. Kim, "A study on the high voltage resonant LCC converter design for high voltage
application", Journal of the Korean Institute of Illuminating and Electrical Installation
Engineers, vol. 31, no. 3, pp. 53-60, 2017.

S. R. Jang, C. H. Yu, H. J. Ryoo, "Trapezoidal approximation of LCC resonant converter
and design of a multistage capacitor charger of a solid-state marx modulator", IEEE
Transaction on Power Electronics, vol. 33, no. 5, pp. 3816-3825, 2018.

Hossein Jafari, Morteza Habibi, "High-voltage charging power supply based on an LCC-type
resonant converter operating at continuous conduction mode", IEEE Transactions on
power Electronics, vol. 35, no. 5, pp. 5461-5478, 2019.

S. H. Ahn, S. R. Jang, H. J. Ryoo, "The design and applications of LCC resonant converter",
Journal of the Korean Institute of Power Electronics, vol. 20, no. 6, pp. 566-572,
2015.

H. S. Kim, "Development of high voltage DC power supply based on LCC resoannt converter
with small output voltage imbalance", Journal of the Korean Institute Illumination
and Electrical Installation Engineers, vol. 32, no. 12, pp. 82-87, 2018.

J. Y. Lee, M. K. Choi, H. B. Jo, H. J. Ryoo, "Comparative study of high-voltage isolated
filament power supply for driving a high-power magnetron", IEEE Transactions on Plasma
Science, vol. 52, no. 7, pp. 2699-2705, 2024.

Biography
He received the B.S. degree in Electrical Engineering from Korea National University
of Transportation, Chungju, South Korea, in 2025. He is currently pursuing the M.S.
degree in Electrical Engineering, Korea National University of Transportation. His
research interests include soft-switched resonant converter applications and highvoltage
capacitor charger.
He received his B.S. degree in electrical engineering from the Kwang-Woon University,
Seoul, South Korea, in 2016 and his M.S. and Ph.D. degrees from the Department of
Energy Engineering, Chung-Ang University, Seoul, in 2021. He worked as a Senior Researcher
in the Smart Electrical and Signaling Division of the Korea Railroad Research Institute
(KRRI), Uiwang, South Korea. In 2024, he joined Korea National University of Transportation,
Chungju, South Korea, where he is currently a professor of the School of Electronic
Engineering. His research interests include soft-switched resonant converter applications
and high- voltage solid-state transformers.