박상욱
(Sang-Wook Park*)
1iD
이교범
(Kyo-Beum Lee†)
†iD
-
(M.S. course, Department of IT Convergence Engineering, Ajou University, Korea)
Copyright © 2025 KIIEE All right's reserved
Key words
Chip ferrite bead, Digital audio signal, EMI, FFT, HDMI, Resistor, Soundbar
1. 서 론
1.1. 연구의 필요성
TV화면의 대형화와 경량화로 인해 디자인은 슬림화 되어 내부 공간의 축소로 내장된 스피커의 음향 성능이 저하되는 문제가 부각되고 있다[1]. 이러한 음향 품질 저하를 보완하고, 가정에서도 영화관과 같은 풍부한 음향 효과를 제공하기 위해 다수의 스피커를 내장한 사운드바가 개발되었다. 초기
사운드바는 단순히 스피커만으로 구성되어 별도의 오디오 증폭 장치가 필요했지만, 디지털 증폭 IC의 소형화와 폭넓은 기능의 모듈화로 제한된 내부 공간에도
여러 유형의 기능들을 탑재한다.
사운드바는 다양한 기능을 지원하며, 대표적으로 HDMI (High Definition Multimedia Interface)가 있다. HDMI는 음성,
영상, 제어 등 다양한 신호를 단일 커넥터로 전송하는 기술이며, 신호들이 하나의 케이블을 통해 연결되어 EMI 노이즈가 발생하면 근접한 신호선에 전달된다.
노이즈는 사운드바의 HDMI 입출력 단자와 연결된 케이블을 통해 접속기기와 주변기기로 확산되며, 노이즈의 내성 설계가 부족한 기기에서 오동작을 유발한다[2-4].
고주파 신호에 의해 발생하는 EMI 노이즈는 사운드바 내부의 케이블과 PCB 패턴을 통해 외부로 방출된다. 케이블을 통해 전달되는 노이즈는 케이블
표면에 페라이트 코어(Ferrite Core)를 적용하여 감쇠시킨다. 페라이트 코어가 케이블과 밀착되지 않으면 효과가 저하된다[3]. 페라이트 코어는 협소한 공간에 적용이 어려워 저항과 칩 페라이트 비드로 대체하여 노이즈를 감소시킨다. 고주파 통신 신호선의 저항과 칩 페라이트
비드는 신호의 왜곡이 발생하지 않는 값을 선정하여 사용한다[5].
본 논문에서는 사운드바의 HDMI 모드에서 디지털 오디오 신호에 발생하는 EMI 노이즈를 저감하기 위해 저항과 칩 페라이트 비드를 활용한다. 저항과
칩 페라이트 비드의 적용에 따른 통신 신호의 왜곡을 검증하기 위해 오실로스코프를 이용하여 파형의 변화를 관찰하고, 순간적인 오디오 드롭 현상을 검증하기
위해 1kHz 테스트 신호를 사용하여 청음 시험을 수행한다. EMI 노이즈의 저감 효과를 사전에 검증하기 위해 스펙트럼 분석기로 FFT를 측정하여
데이터를 분석한다. 오동작이 발생하지 않는 저항과 칩 페라이트 비드를 적용하여 EMI 테스트를 수행하고, 테스트 결과를 비교하여 노이즈 저감 성능이
우수한 부품을 제시한다.
2. HDMI의 사양
HDMI는 고해상도의 디지털 비디오 신호와 고음질의 오디오 신호 및 제어 신호를 효율적으로 전송하기 위해 개발된 인터페이스이다. HDMI 커넥터를
이용하여 소스 기기의 고화질 영상과 오디오 신호를 TV, 모니터, 프로젝터 등 다양한 디스플레이 기기에 전송하며, 하나의 케이블로 여러 신호를 동시에
전송하여 설치와 사용의 편의성이 크게 향상된다. HDMI의 버전 2.1에서는 8K 비디오 해상도와 HDR (High Dynamic Range)등 대용량
데이터 전송을 지원하여 최신 멀티미디어 환경에 적합한 성능을 제공한다[2,6].
2.1. HDMI 신호의 정의
HDMI 시스템은 소스(Source)와 싱크(Sink)로 구성된다. HDMI 기술이 적용된 기기는 각각 하나 이상의 소스와 싱크를 가지며, 각 기기의
소스와 싱크는 상호 통신 규약에 따라 동작한다.
Fig. 1은 HDMI의 인터페이스 블록도로 소스와 싱크의 각 신호들의 흐름을 나타낸다. TMDS (Transition Minimized Differential
Signaling) 신호는 세 개의 데이터 채널과
Fig. 1. HDMI system block diagram
Fig. 2. Differential signal of TMDS
하나의 클럭 채널로 구성되며, 각 채널의 신호는 Fig. 2와 같은 +Vswing과 -Vswing의 차동 신호(Differential signal) 형태로 전송한다. 데이터 채널은 HDMI에서 비디오, 오디오,
보조 데이터를 전송하는 데 사용된다. 또한, HDMI는 VESA (Video Electronics Standards Association)의 DDC
(Display Data Channel) 기술을 채택하여 소스와 싱크 사이의 환경 설정과 상태 정보를 교환한다. 옵션 사양인 CEC (Consumer
Electronics Control) 프로토콜은 AV (Audio- Visual) 기기 사이에 다양한 제어 정보를 제공하며, 추가 옵션 사양인 HEAC
(HDMI Ethernet and Audio Return Channel)는 이더넷과 ARC (Audio Return Channel) 기능을 접속된
장치에 지원한다. 오디오, 비디오, 보조 데이터는 세 개의 TMDS의 데이터 채널을 통해 전송되고, 비디오 화소 비율(Pixel ratio)의 주파수로
작동하며, TMDS의 클럭은 클럭 채널을 통해 전송한다. 싱크는 이것을 세 개의 TMDS의 데이터 채널에서 기준 주파수로 사용한다. 소스에서는 TMDS
인코딩을 통해 각 데이터 채널당 8bit를 10bit의 직류 평형(DC-balanced) 신호로 변환한다. 직류 평형 신호는 지정된 주파수 이하에서
매우 낮은 전력으로 전송하도록 설계된 신호로, 효율적인 데이터 전송과 노이즈 저감을 위해 활용한다. 직류 평형 신호로 변환하여 전체 TMDS 클럭의
주기 당 10bit를 한 쌍(Pair)으로 전송한다. 비디오 데이터는 24, 30, 36, 48bit의 픽셀 크기를 가지며, 기본적으로 24bit
색심도(Color depth)비디오 신호를 픽셀 클럭 속도와 동일한 TMDS의 클럭 속도로 전송한다. 24bit보다 높은 색심도는 이에 상응하는 TMDS
클럭 속도로 변환하여 전송한다. TMDS의 속도가 25MHz 보다 낮은 비디오 포맷은 픽셀 반복 방식(Pixel repetition scheme)을
이용하여 전송한다. 픽셀 반복 방식은 대역폭 제한이 있는 픽셀을 필요한 용량으로 반복하여 전송하는 기술이다. 비디오 픽셀은 RGB, YCbCr 4:4:4,
YCbCr 4:2:2 방식(Format)중 하나로 암호화한다. TMDS 채널을 통해 오디오 데이터와 보조 데이터를 전송하기 위해 HDMI는 패킷 구조를
사용한다. 데이터의 신뢰성 확보를 위해 BCH (Bose Chaudhuri Hocquenghem) 오류 정정 코드로 보호하며, 오류 감쇠 코딩을 통해
부호화 10bit 워드로 생성한 후 전송한다. HDMI의 오디오는 32kHz, 44.1kHz, 48kHz의 샘플링 속도에서 IEC 60958 L-PCM의
오디오 스트림을 기반으로 동작한다. 일반 표준 스테레오 스트림을 활용하며, HDMI는 이러한 오디오의 3~8개 채널을 최대 192kHz 샘플링 속도까지
전송한다. 또한 IEC 61937 압축 오디오 스트림을 24.576Mbps 속도까지 지원 가능하며, 2~8채널의 1bit 오디오 DSD (Direct
Stream Digital)의 압축 오디오 신호도 전송한다. DDC 포트는 소스 기기에서 싱크 기기의 E-EDID (Enhanced-Extended
Display Identification Data)의 정보 교환과 HDCP 인증 등 제어 신호의 송수신에 사용한다[2,7].
2.2. HDMI의 물리적 계층(Physical Layer)
HDMI의 입출력단에는 커넥터를 장착한다. HDMI의 커넥터를 통해 다양한 신호를 HDMI 리피터(Repeater) IC로 입력하며, IC는 각 회로에
오디오, 비디오, 제어 신호로 변환하여 전송한다. HDMI의 표준 커넥터는 5종이며 기기의 구조와 기능에 따라 선택하여 사용한다.
Table 1은 A 타입 커넥터의 핀 사양을 정의하고 있으며, 각 핀에 할당된 신호명을 명시한다. TMDS Data, TMDS Clock, CEC, DDC, Hot
Plug Detect 등의 신호가 순차적으로 배치된다. TMDS의 신호 간에 그라운드 차폐(Shield) 핀이 추가되어 채널 간 신호 간섭을 최소화한다.
14번 핀은 유틸리티 전용 핀으로, 이더넷 또는 ARC 통신 라인으로 활용한다[2].
Table 1. Type A connector pin assignments
|
핀번호
|
신호명
|
핀번호
|
신호명
|
|
1
|
TMDS Data2+
|
2
|
TMDS Data2 Shield
|
|
3
|
TMDS Data2-
|
4
|
TMDS Data1+
|
|
5
|
TMDS Data1 Shield
|
6
|
TMDS Data1
|
|
7
|
TMDS Data0+
|
8
|
TMDS Data0 Shield
|
|
9
|
TMDS Data0-
|
10
|
TDMS Clock+
|
|
11
|
TDMS Clock Shield
|
12
|
TDMS Clock-
|
|
13
|
CEC
|
14
|
Utility
|
|
15
|
SCL
|
16
|
SDA
|
|
17
|
DDC/CEC Ground
|
18
|
+5V Power
|
|
19
|
Hot Plug Detect
|
|
|
Fig. 3. Type A HDMI connector
Fig. 4. Type A-E connectors
Fig. 3은 HDMI의 A 타입 커넥터의 구조를 나타내며 TV, 셋탑박스, BD 플레이어, 노트북 등 다양한 기기에 적용한다. 외부 노이즈의 유입을 차단하기
위해 커넥터 외관은 금속 재질로 제작되며, PCB의 그라운드와 연결되도록 설계한다. HDMI의 커넥터의 외관 금속 그라운드부는 노이즈 차폐의 대응
설계가 되어 있지만, 커넥터의 핀들과 HDMI IC에 연결되는 패턴들에서 발생하는 노이즈의 저감 대책이 필요하다.
Fig. 4는 HDMI의 규격서에 정의된 A-E 타입의 5종 커넥터를 나타내며, 다양한 분야에서 설계 목적에 따라 적용한다. 표준 A 타입 커넥터는 19핀으로
SDTV (Standard- Definition Television), EDTV (Enhance-Definition Television), HDTV(High-Definition
Television)의 대역폭을 지원한다. 크기는 폭 13.9mm, 높이 4.45mm이며, 표준 커넥터로 광범위한 분야에서 사용한다. 듀얼-링크 B
타입 커넥터는 29핀으로 HDMI 초기 버전에서 정의된 고해상도 커넥터이다. 외관 크기는 폭 21.2mm, 높이 4.45mm이며, 고해상도 디스플레이
장치로 확장이 가능하다. 듀얼 링크 DVI-D (Digital Visual Interface-Digital)와 호환되며, 적용 기기의 감소로 현재는
사용하지 않는다. 미니 C 타입 커넥터는 19핀으로 소형 휴대용 기기에 사용한다. 외관 크기는 폭 10.42mm, 높이 2.42mm이다. 마이크로
D 타입 커넥터는 19핀으로 구성되며, 극소형 HDMI 커넥터로 타입 C와 같이 포터블 기기에 사용한다. 크기는 폭 6.4mm, 높이 2.8mm이다.
자동차용 E 타입 커넥터는 19핀으로 자동차 시스템의 접속 용도로 활용한다. 고정용 탭을 사용하여 진동으로부터 단자가 분리되는 것을 방지하고 습기와
먼지로부터 보호한다. 외관 크기는 폭 22.9mm, 높이 9.8mm이다.
2.3. HDMI IC의 내부 블록도
Fig. 5는 Explore사 HDMI IC의 내부 블록도를 나타낸다. 세 개의 HDMI 입력과 한 개의 HDMI 출력으로 구성되어 있으며, TMDS 신호를
입력 받아 동일한 신호를 전달하고 동시에 디지털 오디오 신호인 I2S (Inter-IC-Sound), SPDIF (Sony/Philips Digital
Interface) 신호로 변환하여 DSP (Digital Signal Processor) IC로 전송한다. HDCP (High-bandwidth
Digital Content Protection)는 디지털 전송 신호에 암호를 추가한 기술로 디지털 콘텐츠의 복제 방지를 위해 인텔에서 개발하였다.
디지털 콘텐츠를 전송할 때 사용되며 HDCP 기술로 보호된 콘텐츠만 출력한다.
Fig. 5. Block diagram of the HDMI IC
2.4. HDMI PCB의 연결 커넥터 회로도
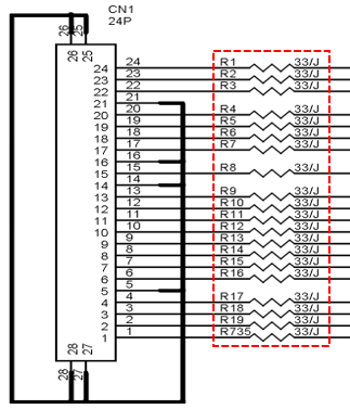
Fig. 6은 사운드바의 HDMI PCB의 연결용 커넥터 회로도를 나타낸다. 메인 PCB와 분리된 HDMI PCB를 FFC (Flat Flexible Cable)
케이블로 연결한다. 각 전송 신호들은 다양한 통신 방식에 따라 서로 다른 주파수로 동작한다. 고주파 통신 신호 라인에서 발생한 노이즈는 주변의 저주파
신호 라인에 전달한다. HDMI의 비디오 픽셀 클럭은
Fig. 6. Connection connector circuit on HDMI PCB
고주파 신호로 동작하며, 디지털 오디오 신호와 주변기기에 노이즈를 전달한다. 신호선에 유기된 노이즈의 저감을 위해 댐핑(Damping) 저항을 추가한다.
EMI 노이즈의 주파수와 전압 레벨에 따라 저항 값을 조정한다. 저항값에 의해 통신 신호의 왜곡이 발생하거나 또는 노이즈 저감 효과가 저하되면, 칩
페라이트 비드로 교체하여 노이즈 저감 효과를 높인다.
2.5. 사운드바의 HDMI PCB (Printed Circuit Board)
사운드바는 다양한 디자인으로 설계하며, 내부 공간이 넓은 기기는 HDMI 회로를 메인 PCB에 탑재한다. PCB의 메인 그라운드를 다양한 회로의 그라운드로
사용하여 회로간 그라운드는 낮은 전위차를 갖는다. 내부가 좁은 기기는 공간 활용을 위해 메인 PCB와 HDMI 회로를 분리하여 설계한다. 메인 PCB와
분리된 HDMI PCB의 그라운드는 높은 전위차로 고주파 노이즈가 케이블을 통해 접속기기와 주변기기로 전달한다. Fig. 7은 HDMI 회로를 분리하여 설계한 PCB를 나타낸다. HDMI 입력 커넥터와 출력 커넥터의 주변에 정전기(ESD) 보호용 TVS 다이오드를 추가하였다.
TVS 다이오드는 외부에서 유입되는 정전기로부터 HDMI IC를 보호한다. TVS 다이오드의 그라운드 패턴이 좁으면 노이즈가 쉽게 빠져나가지 못하여
HDMI IC의 보호 효과는 저하된다. TMDS 패턴의 임피던스는 100Ω으로 정합(Matching)한다[8]. 패턴의 임피던스 정합을 위해 패턴 간 이격 거리와 두께는 시뮬레이션 프로그램을 활용하여 선정한다. TMDS는 고속 신호로 신호 라인의 임피던스
정합이 되지 않으면 리턴 로스가 상승하여 신호의 흐름에 방해를 주어 기기의 오동작을 유발한다. TMDS의 패턴 간 임피던스의 관리 기준은 100Ω±25Ω이다.
PCB의 그라운드는 면(Plane)으로 설계한다. 면으로 넓게 설계된 그라운드는 저항과 인덕턴스 성분이 감소하여 안정적으로 전류가 흐르며, 회로에서
발생하는 노이즈를 차폐한다[9,10]. 넓은 그라운드는 고주파 신호에서 낮은 임피던스로 신호의 왜곡을 줄이며, 발열 부품의 열을 분산하여 방열 효과를 높인다[3].
Fig. 7. HDMI PCB of the soundbar
다층(Multi layer) PCB는 각 층의 그라운드가 연결되도록 다 수의 비아 홀(Via hole)을 추가한다. 서로 다른 층의 그라운드를 비아
홀로 연결하여 층간 그라운드의 전위차를 낮춘다. 비아 홀은 PCB 그라운드의 빈 공간에 다수를 배치한다. PCB를 분리하여 설계하면 PCB 사이의
그라운드 전위차를 줄이기 위해 커넥터는 다수의 핀을 사용한다. 다수의 핀을 연결하면 일부 핀에서 접속 불량이 발생하여도 그라운드의 개방 문제는 발생하지
않는다.
3. EMI 저감 방법 분석
EMI 노이즈의 주요 발생 원인은 통신 신호의 고주파 노이즈와 전원 공급 장치의 고속 스위칭 노이즈이다. HDMI 모드에서 EMI의 노이즈는 TMDS의
통신용으로 사용되는 픽셀 클럭의 고주파 노이즈이다. 본 장에서는 EMI의 저감 방법으로 저항과 칩 페라이트 비드를 적용할 때에 파형의 변화를 비교
분석한다. 케이블의 EMI 노이즈를 저감하는 방법으로 페라이트 코어와 차폐 FFC 케이블을 활용한 방법도 조사한다. 전체 주파수 대역의 EMI 노이즈의
저감 효과를 확인하기 위해 스펙트럼 분석기로 FFT를 측정한다. 정확한 EMI 노이즈의 주파수와 크기를 분석하기 위해 외부 노이즈로부터 차폐된 챔버의
내부에서 EMI 테스트를 진행한다.
3.1. HDMI 모드에서 EMI 저감 방법
HDMI 케이블은 차폐 그라운드가 내장된 것을 사용하며, 차폐 그라운드는 EMI 노이즈를 차폐하는 역할을 한다. EMI 시험에 적용하는 HDMI 케이블은
외부 영향을 줄이기 위해 HDMI 규격과 EMI 인증을 통과한 것을 사용한다.
Fig. 8은 금속 후면 판넬과 HDMI 커넥터의 나사 타입을 나타낸다. 그라운드의 안정화를 위해 금속 후면 판넬과 HDMI 커넥터를 나사로 체결한다. 금속
후면 판넬은 메인 금속 샤시와 연결되어야 기기의 그라운드가 안정화된다[8,9]. 외관 디자인 문제로 나사가 없는 HDMI 커넥터를 사용하면 그라운드의 안정화를 위해 Fig. 9와 같이 PCB의 그라운드 면과 금속 브라켓 샤시를 EMI 가스켓으로 연결한다.
Fig. 8. Metal rear panel / Screw type connector
Fig. 10. Power line with chip ferrite beads
Fig. 10은 칩 페라이트 비드를 사용하여 전원라인을 분리한 회로를 나타낸다. 각 전원라인에 칩 페라이트 비드를 추가하여 전원간 유기되는 노이즈를 차단한다.
부하 전류에 따라 칩 페라이트 비드의 사양을 변경한다. Fig. 11은 디지털 오디오 신호선에 EMI 노이즈를 저감하기 위해 칩 페라이트 비드를 적용한 회로이다. HDMI PCB에 주로 발생하는 EMI 노이즈는 HDMI
픽셀 클럭 주파수의 체배 주파수로 고주파 노이즈이다.
칩 페라이트 비드의 특성은 100MHz의 주파수 대역에서 부품의 고유 임피던스값을 갖으며, 주파수에 따라 임피던스값도 변한다. Fig. 12는 임피던스 220Ω의 칩 페라이트 비드의 특성 곡선이다. 주파수에 따라 Z(임피던스), R(레지스턴스), X(리액턴스)값의 변화를 나타낸다. 1GHz
이상의 주파수 대역부터 임피던스값이 선형적으로 감소하는 특징을 갖는다. 칩 페라이트 비드는 통신 신호의 주파수가 100MHz 미만의 신호에는 영향을
주지 않고 100MHz 이상의 노이즈만 선택하여 저감 시키는 특성을 갖는다. 전류 용량에 따라 전원용과 신호용으로 구분하며, 본 논문에서는 전원용을
적용하여 시험을 수행하였다.
Fig. 11. Circuit design using chip ferrite beads
Fig. 12. Characteristic curve of a 220Ω chip ferrite bead
사운드바는 높이가 낮은 구조로 되어 있으며, 각 스피커의 음향 특성을 높이기 위해 차단벽을 설치한 밀폐된 구조이다. EMI 노이즈의 저감을 위해 페라이트
코어를 케이블에 사용하면 밀폐된 구조로 인해 사용 공간의 제약이 있다. Fig. 13은 다양한 페라이트 코어를 보여준다. 페라이트 코어는 케이블과 접촉되지 않으면 노이즈의 저감 효과는 감소된다[5]. 페라이트 코어는 외부 충격으로부터 쉽게 파손된다. 사운드바는 다수의 스피커가 장착되어 내부에 지속적인 진동을 발생한다. 이러한 진동은 페라이트
코어에 충격을 주어 파손의 원인이 되며, 진동으로부터 페라이트 코어를 보호하기 위해 외부에 보호용 스폰지를 부착한다. 공간의 문제로 페라이트 코어를
적용하기 어려운 경우 칩 페라이트 비드를 활용한다. 칩 페라이트 비드의 크기는 소형으로 슬림한 디자인의 기기에 사용이 용이하다. 칩 페라이트 비드는
PCB에 실장되며 외부의 충격에도 쉽게 파손되지 않는다.
FFC 케이블을 통해 EMI 노이즈가 외부로 방사되면, 케이블 표면에 차폐 테이프를 부착하여 노이즈를 차폐시킨다. Fig. 14는 차폐 테이프를 부착한 FFC 케이블을 나타낸다. FFC 케이블의 그라운드 핀과 차폐 테이프는 전기적으로 연결되어야 차폐 효과가 증가한다. 차폐
테이프로 차폐된 고주파 노이즈는 케이블 내부 신호 라인에 영향을 주어 오동작을 유발한다. FFC 케이블의 차폐 테이프 부착은 전송되는 신호 라인의
주파수에 따라 제한적으로 사용한다. 차폐 FFC 케이블의 사용이 어려운 경우에 대처 방법으로 EMI 노이즈의 신호 라인에 칩 페라이트 비드를 추가하여
EMI 노이즈의 저감 효과를 높일 수 있다.
Fig. 14. Shield FFC cable
3.2. 저항과 칩 페라이트 비드 적용 파형 비교 분석
디지털 오디오 신호인 I2S의 BCLK와 SPDIF 라인에 저항과 칩 페라이트 비드를 적용하여 오실로스코프로 파형을 측정하였다. Fig. 15는 I2S의 BCLK 라인에 저항 220Ω을 삽입한 후 측정한 파형이며, 상승 구간에서 54.6ns, 하강 구간에서 56.4ns의 지연이 관찰되었다.
급격한 파형의 하강 구간의 기울기로 인하여 오디오 신호에 미치는 영향을 평가하기 위해 청음 시험을 실시하였으며, 음 끊김 현상은 발생하지 않았다.
Fig. 16은 I2S의 BCLK 신호 라인에 칩 페라이트 비드 220Ω을 적용한 후 측정한 파형을 나타낸다. 파형의 순간적인 맥동으로 인한 영향을 검증하기 위해
청음 시험을 실시하였으며, 이 과정에서 이상 현상은 관측되지 않았다. 저항 220Ω을 적용한 파형과 비교하면 상승 구간의 지연은 16.7ns, 하강
구간의 지연은 18.1ns가 개선되었다.
Fig. 17은 SPDIF 라인에 저항 220Ω을 적용하여 측정한 파형을 보여준다. 파형의 상승 과정에서는 15.7ns, 하강 과정에서는 14.9ns의 지연이
각각 측정되었으나, 파형의 왜곡은 관찰되지 않았으며, 순간적인 음 끊김 현상도 검출되지 않았다.
Fig. 15. I2S BCLK waveform with a resistor
Fig. 16. I2S BCLK waveform with a chip ferrite bead
Fig. 17. SPDIF waveform with a resistor
Fig. 18. SPDIF waveform with a chip ferrite bead
Fig. 18은 SPDIF 신호 라인에 칩 페라이트 비드 220Ω을 장착한 후 측정한 파형을 나타낸다. 파형은 구형파와 유사한 안정적인 형태를 보였으며, 오디오
드롭 검증 시험에서도 순간적인 음 끊김 현상은 관찰되지 않았다. 저항 220Ω을 적용한 경우와 비교하였을 때 지연 시간의 차이는 나타나지 않았다.
Fig. 19는 I2S의 BCLK와 SPDIF에 저항 220Ω을 적용하여 측정한 FFT 테스트 결과를 보여준다. 500MHz~600MHz 와 800MHz~1GHz
대역에서 약 -53dBm에서 –57dBm의 노이즈가 측정되었다.
Fig. 19. FFT waveform with a resistor
Fig. 20은 I2S의 BCLK와 SPDIF에 칩 페라이트 비드를 적용하여 측정한 FFT 테스트 결과로 500MHz~600MHz와 800MHz~1GHz 대역에서
약 –60dBm의 노이즈가 관찰되었다. 저항을 적용할 때와 비교하여 최대 -7dBm의 노이즈 감쇠 효과를 확인하였다. FFT 테스트는 개방된 환경에서
EMI 노이즈의 주파수와 크기를 간이로 예측하는 용도로 활용한다. 노이즈의 정확한 레벨을 측정하기 위해 추가적으로 EMI 테스트를 수행하였다. EMI
노이즈를 주파수별로 정확히 측정하기 위하여 외부 노이즈와 완벽히 차폐된 EMI 챔버에서 시험을 수행하였다.
Fig. 20. FFT waveform with a chip ferrite bead
4. EMI 노이즈의 저감 검증 시험
디지털 오디오 신호 라인에 저항과 칩 페라이트 비드의 적용에 의한 EMI 노이즈의 저감 효과를 정확히 비교 분석하기 위해 EMI 테스트를 진행하였다.
Fig. 21은 사운드바의 HDMI 모드에서 EMI 테스트가 진행된 시험 환경을 나타낸다. HDMI 입력 커넥터에 노트북 또는 BD 플레이어와 같은 HDMI 출력
기기를 연결하고, HDMI 출력 커넥터에는 TV 또는 모니터와 같은 HDMI 입력 기기를 접속하여 시험을 진행하였다. EMI 테스트에 사용되는 각
기기의 전원들은 상호 전원 노이즈의 간섭을 최소화하기 위해 노이즈 감쇠용 필터로 분리하여 사용하였다.
Fig. 21. Setup for measuring radiated EMI emissions
Fig. 22는 I2S의 BCLK와 SPDIF 신호 라인에 저항 220Ω을 적용하여 수행한 EMI 테스트 결과를 나타낸다. 안테나의 수직 방향 측정 조건에서 52.2MHz,
58.36MHz, 478MHz 주파수 대역에서의 마진은 1.03dB~6.36dB로 측정되었으며, 두 주파수 대역에서 규정 제한값 대비 4dB 이상의
마진을 확보하지 못하였다. 안테나의 수평 방향 측정 조건에서는 891MHz 대역에서 제한값을 1.32dB 초과하였다. 기기별 EMI 측정값의 편차를
고려하여 마진은 4dB 이상으로 관리한다. 마진이 부족한 기기의 경우 테스트 샘플 수를 추가하여 측정하며, 측정값들의 평균을 산출하여 판정한다. 측정된
샘플들의 EMI 노이즈의 주파수 대역들이 유사하고 크기가 일정하면 기기의 EMI 특성이 균일한 것으로 판단한다.
Fig. 22. EMI test result with resistors
Fig. 23은 I2S의 BCLK와 SPDIF 신호 라인에 칩 페라이트 비드 220Ω을 적용하여 측정한 EMI 테스트 결과를 나타낸다. 저항을 적용한 경우와 비교하였을
때, 전 주파수 대역에서 EMI 노이즈가 저감되었으며, 제한 값 대비 4dB 이상의 마진을 확보하였다. 100MHz 이상의 주파수 대역에서 노이즈의
저감 효과가 현저하게 개선되었다.
Fig. 23. EMI test result with chip ferrite beads
5. 결 론
본 논문에서는 사운드바의 HDMI 모드에서 디지털 오디오 신호에 발생하는 EMI 노이즈의 저감 방법을 분석하였다. 신호 라인에 저항과 칩 페라이트
비드를 각각 적용하여 파형의 변화와 EMI 노이즈 감쇠 효과를 비교 검증하였다. 실험 결과에서 디지털 오디오 신호선에 발생한 고주파 EMI 노이즈의
저감 효과는 저항을 적용할 때 보다 칩 페라이트 비드를 적용할 때에 우수하였다. 칩 페라이트 비드는 저항을 적용할 때에 제한 값을 초과하였던 주파수
대역에서 노이즈를 효과적으로 저감하였으며, 관리 기준 이상의 마진을 확보하였다. 사운드바의 HDMI 모드에서 디지털 오디오 신호에 발생하는 고주파
EMI 노이즈의 저감을 위한 방안으로 칩 페라이트 비드 적용을 제시한다. USB, Ethernet, MIPI와 같은 고속 인터페이스의 EMI 노이즈
감쇠 방법으로 칩 페라이트 비드 활용을 제안한다.
Reference
Kim S.-W., Lee S.-H., Choi S.-J., 2016, Implementation of FPGA-based SoC design verification
system for a soundbar with embedded processor, Journal of Broadcast Engineering, Vol.
21, No. 5, pp. 792-802

2021, High-Definition Multimedia Interface Specification Version 2.1b, HDMI Forum

Park K.-J., 2013, Analysis and reduction of radiated EMI at USB and HDMI interface,
Ph.D. Thesis, School of Electronics Engineering, Kwangwoon University

Choi B.-I., 2021, EMI reduction design for ethernet-based communi- cation devices,
Ph.D. Thesis, Graduate School of Nano IT Fusion Engineering, Seoul National University
of Science and Technology

Jeong H.-K., 2018, Method of electromagnetic interference reduction for satisfying
EN55032 standard in audio/video equipments, Journal of the Institute of Electronics
and Information Engineers, Vol. 55, No. 6, pp. 3-10

Kang S.-J., 2019, High dynamic range imaging technology and recent trends, Journal
of Information Display, Vol. 20, No. 3, pp. 3-9

Moon Y.-H., 2019, Design of clock and data recovery circuit for ultra high definition
display, Ph.D. Thesis, School of Electronics Engineering, Inha University

Jeon Y.-S., 2020, A study on the design of ultra high resolution multi-channel signal
generation system, Ph.D. Thesis, School of Information and Communication Engineering,
Soongsil University

Choi W., Kim Y.-K., Kim Y.-S., 2009, Analysis of coupling parameter characteristics
due to ground slot structure on PCB, Journal of the Institute of Electronics and Information
Engineers, Vol. 32, No. 1, pp. 34-35

Lee K.-B., 2019, Advanced power electronics, pp. 1-450, Munundang

Biography
He received his B.S. degree from the School of Electronics Engineering, Hanbat National
University, Daejeon, South Korea, in Feb. 1998. He is pursuing the master’s degree
in IT Convergence Engineering, Ajou University, Suwon, South Korea, and is interested
in automation control and automation equipment.
He received a B.S. and M.S. degrees in Electrical and Electronic Engineering from
Ajou University, Suwon, Korea, in 1997 and 1999, respectively. He received a Ph.D.
degree in Electrical Engineering from the Korea University, Seoul, Korea, in 2003.
From 2003 to 2006, he was with the Institute of Energy Technology, Aalborg University,
Aalborg, Denmark. From 2006 to 2007, he was with the Division of Electronics and Information
Engineering, Jeonbuk National University, Jeonju, Korea.
In 2007, he joined the Department of Electrical and Computer Engineering, Ajou University,
Suwon, Korea. He is an associated editor of the IEEE Transactions on Power Electronics.
His research interests include electric machine drives, renewable power generations,
and electric vehicle applications.