문의창
(Ui-Chang Mun)
*iD
송승호
(Seung-Ho Song)
†iD
-
(M.S. course, Department of Electronic Engineering, Korea National University of Transportation,
Korea)
Copyright © 2026 KIIEE All right's reserved
Key Words
High-voltage DC power supply, LCC resonant converter, Output estimation method, Parasitic resistance
1. 서 론
일반적으로 펄스 파워 시스템에서 높은 전압을 출력하기 위해 대용량 커패시터를 수 십 kV까지 빠르게 충전한다. 또한 고전압으로 충전된 커패시터를 $ns
\sim \mu s$의 짧은 시간동안 방전시켜서 펄스 형태의 전력을 생성한다. 펄스 파워 시스템은 입자 가속기, 마그네트론, 레이더 시스템 등 다양한
분야에서 활용되고 있다[1-
6].
대용량 커패시터를 빠르게 충전하기 위해선 높은 턴 수비의 변압기를 수반한 고전압 DC 전원 장치가 요구된다. 이 때 펄스 파워 시스템의 높은 전력으로
인해 변압기에 큰 전류가 흐르게 되고, 변압기 권선 사이로 큰 누설 인덕턴스가 발생한다. 또한 DC 출력을 위한 Full-Bridge 다이오드 정류기에
수 십 kV의 높은 내전압이 적용되어 정류기의 각 레그에 수 십개의 다이오드를 직렬로 연결한다. 이 때, 정류기의 고장을 방지하기 위해선 각 다이오드에
적용되는 역전압을 동일하게 유지해야 하며 이를 위해선 각 다이오드에 커패시터가 병렬로 연결되어야 한다. LCC 공진형 컨버터는 위 특징을 활용하여
공진 회로 부피를 저감할 수 있다. 또한 영전압 스위칭이 가능하여 손실 또한 효과적으로 저감하여 고전압 응용분야에서 널리 활용되고 있다[7-
9].
한편, 고전압 DC 전원장치는 고전압 측에 높은 전위차가 적용되며, 제어를 위한 출력 센싱 회로에 높은 전력 스트레스가 적용된다. 이 경우, 센싱
및 제어 회로에 지속적인 신뢰성 확보가 어렵다. 또한 고전압 센싱이 요구되므로 센서를 구성하는 저항이나 커패시턴스 등의 사양이 커져야 하며, 이 경우
전력 손실 및 비용이 증가하는 단점이 있다[10,
11].
이러한 단점을 극복하기 위해 주 변압기에 보조 권선을 연결하여 출력 전압을 제어하는 방안이 제안되었다[12]. 위 방식은 변압기 코어와 1차 측 간의 절연이 가능하고, 높은 출력 단 전압과 무관하게 센싱 및 제어가 가능하다. 그러나 변압기 측에 코어 및
권선이 추가로 연결되어 시스템 부피가 증가하는 단점이 있다.
또 다른 방안으로는 변압기 저압 측 전압 및 전류 정보를 이용하여 수식기반으로 출력을 추정하는 연구가 진행되었다[13]. 위 방식은 고전압 센싱이 요구되지 않고, 센서의 지속적인 신뢰성 확보가 가능하며 전력 손실을 저감 할 수 있다. 하지만 변압기 권선 및 스위치
내부 저항 성분에 대한 고려가 없어 실제 시스템 적용 시 추정 오차가 증가할 수 있다.
본 논문에서는 기생 저항을 고려한 LCC 공진형 컨버터의 저압 측 전압 및 전류로 출력 전압 및 전류를 추정하는 기법을 제안한다. 누설 인덕턴스,
기생 커패시턴스, 기생 저항 등 고 턴 수비 변압기에서 발생하는 모든 기생 성분을 고려한 출력 추정 수식을 도출하였다. 제안한 출력 추정 기법은 20kV/30kW
정격 출력의 LCC 공진형 컨버터를 설계하여 시뮬레이션으로 타당성을 검증했다.
2. LCC 공진형 컨버터
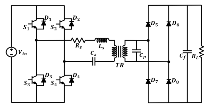
기생 DC 저항을 포함한 LCC 공진형 컨버터의 회로도를 Fig. 1에 나타내었다. LCC 공진형 컨버터는 S1과 S3, S2와 S4이 상보적으로 동작하며 한 주기를 이룬다. 이 때, 스위치의 On/Off 시비율은
0.5로 고정한다. DC 입력 전압을 받는 인버터는 스위치는 $\pm V_{in}$ 구형파 전압을 생성하며, 직렬 연결 인덕터 및 직⋅병렬 연결 커패시터를
통해 공진 전류를 생성한다. 본 논문에서는 LCC 공진형 컨버터의 변압기에서 발생하는 자화 인덕턴스는 누설 인덕턴스에 비해 매우 크다고 가정하여 자화
인덕턴스에 대한 영향을 고려하지 않는다. LCC 공진형 컨버터의 스위칭 한 주기에서의 저압 측 전압/전류 파형을 Fig. 2에 나타내었다.
Fig. 1. Circuit diagram of LCC resonant converter with parasitic resistor
Fig. 2. Waveforms of resonant current and parallel resonant capacitor voltage by switching
signal
2.1. LCC 공진형 컨버터 동작 모드
LCC 공진형 컨버터는 동작 특성에 따라 6개의 모드로 구분할 수 있다.
Mode 1($t_0 \sim t_1$) : Mode 1은 병렬 공진 커패시터 $C_p$로 전류가 흘러 $C_p$의 전압을 충전하는 구간이다. Mode
1에서 병렬 공진 커패시터 전압 $v_{Cp}$는 충분히 충전되지 않아 정류 단 다이오드가 도통되지 않으며 부하 측으로 전력이 전달되지 않는 구간이다.
이 때 스위치 S1, S4는 이미 턴 온 되어있다. Mode 1 구간에서 $C_p$가 공진에 관여하므로 병렬 공진 전류가 흐르게 된다. 병렬 공진
커패시터 $C_p$를 빠르게 충전해야 하므로 병렬 공진 주파수 $f_{op}$는 스위칭 주파수 $f_{sw}$에 비해 매우 크게 설계된다.
Mode 2($t_1 \sim t_2$) : Mode 2는 $C_p$가 충분히 충전되어 출력 전압 $V_o$와 변압기 턴 수비 n의 역수의 곱($=
\frac{V_o}{n}$) 과 같아질 때 시작된다. Mode 2 구간에서 정류 단 다이오드($D_5, D_8$)가 도통 되어 부하 측으로 전력이
전달된다. 이 때 $v_{cp}$는 $\frac{V_o}{n}$로 유지되므로 공진 등가회로 상 $C_p$를 DC 전압원으로 치환할 수 있다. 또한
$C_p$가 공진에 관여하지 않기 때문에 직렬 공진 전류가 흐르게된다.
Fig. 3. Equvalent circuit of resonant tank
공진 전류의 RMS 값을 낮춰서 전도 손실을 최소화하기 위해서 직렬 공진 주파수 $f_{os}$는 스위칭 주파수 $f_{sw}$에 비해 매우 크게
설계한다.
Mode 3($t_2 \sim t_3$) : Mode 3에서 스위치 S1, S4가 Off 되며 S1, S4 통해 흐르던 공진 전류가 스위치 역병렬
다이오드 $D_2, D_3$ 를 통해 흐르게 된다. 이 때 공진 전류 방향은 유지되지만 인버터 단에서 $-V_{in}$이 출력되여 직렬 공진 인덕터
$L_s$의 양 단 전위 차는 음의 값을 가진다. 따라서 공진 전류는 빠르게 0으로 감소한다. Mode 3에서 $D_5, D_8$는 여전히 도통 되어있어
이 구간에서 전력은 부하 측으로 전달된다. 이 때 S2와 S3의 턴 온 시점에서 스위치 양단 전압은 0이므로 ZVS를 달성하여 스위칭 손실이 최소화된다.
Mode 4-6($t_3 \sim t_6$) : Mode 4, Mode 5, Mode 6은 Mode 1, Mode 2, Mode 3의 스위치 상보적
동작으로 이루어져 공진 전류 파형은 Mode 1, Mode 2, Mode 3의 음 전류 형태로 나타난다. 따라서 본 논문에서는자세한 설명을 생략한다.
Fig. 3(a), 3(b), 3(c)는 각각 Mode 1, Mode 2, Mode 3에서의 공진 탱크 등가회로를 나타낸 것이다. 각 Mode에서 공진 전류의 기울기는 인덕터 양 단의
전위차와 같다. Mode 1-2 설명 단락에서 언급했듯이 설계 과정에서 $f_{os} \ll f_{sw} \ll f_{op}$의 관계가 성립하므로
$C_p \ll C_s$의 관계 또한 성립한다. 따라서 직렬 공진 커패시터에 걸리는 전압 $v_{Cs}$는 입력 및 출력 전압에 비해 매우 작아 그
영향을 무시할 수 있다.
Fig. 4(a), 4(b), 4(c)는 각각 입력 전압 대비 출력 전압이 클 때, 같을 때, 그리고 작을 때의 변압기 1차 측 공진 전류 파형을 나타낸 것이다. 일반적으로 펄스 파워
시스템에서의 커패시터 충전부는 부하 커패시터 전압이 정격 수준으로 충전되어 정상 상태에 도달하면 커패시터 충전을 멈춘다. 또한 커패시터를 방전시켜
펄스를 출력할 때 대용량 커패시터의 전압이 소폭 감소하며, 요구되는 재충전 전압이 작다. 또한 Fig. 4(a)의 $V_{in} > V_o/n$ 조건에서는 스위치의 턴-오프 시점에서의 전류가 크므로 스위칭 손실이 비교적 크다. 따라서 펄스 파워 시스템에서 $V_{in}
> V_o/n$ 조건은 거의 사용하지 않는다. 본 논문에서는 Fig. 4(b)와 4(c)에 적용된 $V_{in} \approx V_o/n$와 $V_{in} < V_o/n$ 조건에서의 출력 전압 및 전류 추정 기법을 제안한다.
Fig. 4. Waveforms of resonant current according to input and output voltage relationship
3. 제안하는 출력 추정 기법
Fig. 2의 스위칭 한 주기 공진 전류에서 파형에서, 공진 전류의 피크 값을 $I_{Ls,peak}$라 표현하고, 스위칭 시점에서의 공진 전류 크기를 $I_{Ls,Switching}$이라
표현한다. 또한, 병렬 공진 구간에서 $C_p$와 $C_s$가 직렬 연결된 등가 커패시턴스를 $C_{eq} (= \frac{C_s * C_p}{C_s
+ C_p})$로 표현한다. 기존 연구를 통해 도출된 이상적인 조건에서의 출력 전압 및 출력 전류 수식을 각각 식(1), 식(2)에 나타내었다[13].
여기서 $T_{sw}$는 스위칭 주기를 의미하며, $T_{op}$는 병렬 공진 주기를 의미한다.
식 (1)은 LCC 공진형 컨버터의 정상 상태 해석을 기반으로 도출한 출력 전압 추정 수식이며, 식 (2)는 직렬 공진 인덕터의 양 단 전압을 기반으로 도출한 출력 전류 추정 수식이다. 그러나 기생 저항을 고려할 시, 기생 직렬 저항 $R_s$가 공진
탱크에 추가되어 공진 탱크 회로 해석에 영향을 준다. 또한 정상 상태 동작에서 $R_s$에 걸리는 전압 $v_{Rs}$가 존재하여 직렬 공진 인덕터
양 단 전압에 오차를 발생시킨다. 따라서 기생 저항을 고려하게 되면 출력 전압 및 전류 모두 추정 오차가 증가하여 기생 저항에 대한 해석이 요구된다.
3.1. 출력 전압 추정 기법
Mode 1의 등가회로 상 병렬 공진이 발생할 때의 공진 주파수 $f_{op}$는 $\frac{1}{2\pi \sqrt{L_s C_{eq}}}$로
나타낼 수 있다. 공진 탱크에 키르히호프 전압/전류 법칙을 적용하면 Mode 1에서 흐르는 공진 전류의 라플라스 변환을 식 (3)으로 나타낼 수 있다.
식 (3) 분모의 s항 계수의 절반 $\frac{R_s}{2L_s}$을 변수 $\alpha$로 정의하면, 공진 전류의 라플라스 변환은 식 (4)로 표현할 수 있다.
이 때 $\omega_{op}$는 병렬 공진 각주파수로 $\frac{1}{\sqrt{L_s C_{eq}}}$의 크기를 갖는다. 고전압 회로 특성 상,
$L_s$는 큰 누설 자속으로 인한 $\mu H(= 10^{-6}H)$ 단위의 인덕턴스를 갖는다. 또한 $C_p$는 변압기 2차 측 권선간 기생 커패시턴스와
정류 단 다이오드 전압 밸런싱 커패시터의 합으로, $nF(= 10^{-9}F)$ 단위의 커패시턴스를 갖는다. $\omega_{op}$와 $\alpha$의
크기를 비교했을 때, $\omega_{op}$는 $\alpha$의 1000배 이상의 크기를 가지므로 $\omega_{op}^2 - \alpha^2
\approx \omega_{op}^2$를 가정할 수 있다. 따라서 대입 후, 역 라플라스 변환한 공진 전류 수식은 식 (5)과 같다.
이 때, $Z_{op}$는 병렬 공진 회로의 특성 임피던스로 $Z_{op} = \sqrt{\frac{L_s}{C_{eq}}}$ 이다.
$t_1$ 시점은 병렬 공진 전류가 피크 값에 도달하는 시점으로 병렬 공진 주기의 $\frac{\pi}{4}$ 시점에 해당한다. 따라서 $t_1$
시점에서 병렬 공진 전류의 피크 값 수식을 식 (6)으로 나타낼 수 있다.
$t_0$ 시점은 직렬 공진에서 병렬 공진으로 전환되는 시점으로 $-V_o/n$으로 충전된 $C_p$의 전압이 $V_o/n$로 변동하기 시작하는 시점이다.
따라서 $V_{Cp}(t_0) = -\frac{V_o}{n}$ 식이 성립한다. 따라서 $V_{Cs}(t_0)$를 무시했을 때, 식 (6)을 출력 전압에 대해 변환한 식은 식(7)과 같다.
이 때, $T_{op}$는 병렬 공진 주기로 $\frac{1}{f_{op}}$의 크기를 갖는다.
식 (7)의 $V_{in}$, $I_{Ls,peak}$는 변압기 저압 측에서 센싱 가능한 변수이며, $\alpha, n, T_{op}, Z_{op}$은 모두
설계 시 정해지는 값들로 상수로 취급할 수 있다. 따라서 저압 측 정보만으로 출력 전압을 추정할 수 있다.
3.2. 출력 전류 추정 기법
LCC 공진형 컨버터는 구조 특성에 의해 직렬 공진이 발생하는 구간에서만 부하 측으로 전력이 전달된다. 따라서 출력 전류는 Fig. 2의 공진 전류 파형에서 Mode 2-3 공진 전류 적분 값을 스위칭 반 주기로 나눈 값으로 나타난다. Fig. 3에서 Mode 2와 Mode 3의 공진 전류 기울기는 입력 전압과 출력 전압의 합 차에 따라 달라진다. 또한 직렬 공진 주파수는 스위칭 주파수에 비해
매우 낮으므로 직렬 공진 전류는 선형적으로 변화한다. 이를 전제로 두고 공진 전류를 해석했을 때, Fig. 3의 Mode 2와 Mode 3의 전류 적분 값 $Q_{M2}$, $Q_{M3}$는 각각 사다리꼴과 직각 삼각형과 같은 도형으로 근사화된다. 따라서
$Q_{M2}$와 $Q_{M3}$의 넓이는 도형 면적 넓이에 따라 각각 식 (8)과 식 (9)로 근사화할 수 있다.
여기서 $t_{Mode2}$와 $t_{Mode3}$는 Mode 2와 Mode 3 구간에서의 시간이다.
Fig. 5. Comparison of resonant current waveform
Fig. 5는 $V_{in} \approx V_o/n$와 $V_{in} < V_o/n$ 두 가지 조건에서의 공진 전류 파형과 공진 전류 적분 면적을 나타낸 것이다.
$Q_{M1}'$은 $Q_{M1}$과 비교했을 때 매우 작아 무시했을 때, 각 모드의 전류 적분 값은 삼각형 및 사각형으로 근사화할 수 있다. $V_{in}
\approx V_o/n$ 조건에선 입력 전압과 출력 전압이 같으므로 Mode 2에서 공진 전류의 기울기가 0이다. 따라서 $I_{Ls,peak}
= I_{Ls,Switching}$ 의 관계가 성립한다. 또한 전력 손실이 없는 조건에서 입력 측과 변압기 측 전력이 같으므로 Mode 1과 Mode
3의 시간을 각각 $t_{Mode1} = \frac{T_{op}}{4}$, $t_{Mode3} = \frac{T_{op}}{8}$ 로 근사화할 수
있다[7].
$V_{in} < V_o/n$ 조건에서 입력 전압과 출력 전압이 같지 않으므로 공진 전류는 선형적으로 감소한다. 설계 과정에서 $C_s \gg C_p$
관계로 인해 직렬 및 병렬 특성 임피던스는 $Z_{os} \ll Z_{op}$ 관계로 나타난다. Fig. 2의 공진 전류 파형에서 $I_{Ls,peak}$는 병렬 공진의 종료 시점에서의 전류 크기로 병렬 공진에 의해 정해지는 값이다. 또한 $I_{Ls,Switching}$은
직렬 공진의 중간 시점에서의 전류 크기 로 직렬 공진에 의해 정해지는 값이다. $\Delta i = \frac{\Delta v}{z}$ 관계에 따라
인덕터 양 단 전압 차에 의한 공진 전류 감소는 $Z_{os}$에 의해 결정되는 $I_{Ls,Switching}$ 크기가 $Z_{op}$에 의해 결정되는
$I_{Ls,peak}$보다 더 크게 나타난다. 따라서 입력 및 출력 전압 변동에 따른 전류 값 변동은 $I_{Ls,Switching}$에서 나타나고,
$I_{Ls,Switching}$의 감소로 인한 $t_{Mode3}$의 감소 또한 이에 비례하여 나타난다. $V_{in}$과 $V_o/n$의 차이가
반영된 $t_{Mode3}$는 식 (10)과 같이 근사화 할 수 있다[10].
Mode2 구간 공진 전류 파형을 일차 함수로 가정하면, Mode2 구간 전류를 식 (11)로 표현할 수 있다.
여기서 $V_{Rs,Mode2,avg}$는 Mode 2 구간에서 기생 직렬 저항 $R_s$에 걸리는 전압의 평균이다. 이를 $t_{Mode2}$에
대한 수식으로 변환하면, $V_{in} - V_o/n$이 반영된 $t_{Mode2}$는 식 (12)과 같이 근사화할 수 있다.
Table 1. Specification of rated simulation parameter
|
Parameter
|
Mark
|
Value
|
Unit
|
|
Rated Output Power
|
$P_o$
|
30
|
$kW$
|
|
Rated Output Voltage
|
$V_o$
|
20
|
$kV$
|
|
Input Voltage
|
$V_{in}$
|
510
|
$V$
|
|
Turn Ratio($N_2/N_1$)
|
$n$
|
35
|
-
|
|
Series Resonant Inductance
|
$L_s$
|
14
|
$\mu H$
|
|
Series Resonant Capacitance
|
$C_s$
|
8
|
$\mu F$
|
|
Parallel Resonant Capacitance
|
$C_p$
|
75
|
$nF$
|
|
Parasitic Resistance
|
$R_s$
|
0.2
|
$\Omega$
|
|
Switching Frequency (Rated)
|
$f_{sw}$
|
45
|
$kHz$
|
|
Parallel Resonant Frequency
|
$f_{op}$
|
135
|
$kHz$
|
|
Series Resonant Frequency
|
$f_{os}$
|
13
|
$kHz$
|
이 때 기생 직렬 저항에 걸리는 전압의 파형은 공진 전류 파형과 동일하다. 따라서 Mode 2에서 기생 직렬 저항의 전압 역시 선형적으로 감소하므로
$V_{Rs,Mode2,avg}$는 $t_1$과 $t_2$ 시점에서의 기생 직렬 저항의 전압의 합의 절반으로 근사화 할 수 있다.
식 (8), 식 (9), 식 (10), 식(12)에 따라 출력 전류는 식 (13)와 같이 추정할 수 있다.
식 (13)의 $V_{in}$, $I_{Ls,peak}$, $I_{Ls,Switching}$, $T_{sw}$는 변압기 저압 측에서 센싱 가능한 변수이며, $n,
L_s, T_{op}$은 모두 설계 시 정해지는 값들로 상수로 취급할 수 있다. 또한 식 (7)을 이용하여 $V_o$를 추정할 수 있으므로 출력 전류 또한 저압 측 정보만으로 추정이 가능하다.
4. 시뮬레이션 결과
본 논문에서 PLECS 시뮬레이션을 사용하여 출력 추정 기법의 타당성을 검증하였다. LCC 공진형 컨버터의 시뮬레이션 정격 파라미터를 Table 1에 정리 하였다. $f_{os} < f_{sw} < f_{op}$를 만족하도록 L, C 파라미터를 설계하였으며, 스위치 및 권선 저항을 등가화한 $R_s$은
0.2$\Omega$으로 모델링하였다. 이 때, 파라미터에 따른 LCC 공진형 컨버터의 출력 추정 기법에 요구되는 $V_{in}$은 입력 단 DC
전압을 센싱하였다. 아날로그 전류 신호 $i_{Ls}$를 센싱하여 피크 감지회로를 이용하여 공진 전류의 피크 값 $I_{Ls,peak}$를 검출하였다.
또한 S1 스위치 On/Off 신호를 이용하여 스위칭 시점에서의 공진 전류 크기 $I_{Ls,Switching}$과 스위칭 주기 $T_{sw}$를
검출하였다.
Fig. 6. Simulation result
정격 출력 조건에서의 스위치 신호에 따른 공진 전류 파형 및 출력 추정 결과를 Fig. 6에 나타냈다. Fig. 6의 빨간색 파형과 파란색 파형은 각각 스위치 신호와 공진 전류를 나타내었다. 또한 초록색 실선 파형과 보라색 점선 파형은 각각 실제 출력과 추정하는
출력을 나타내었다. S1, S4 스위치가 턴-온 되면 병렬 공진이 시작되어 공진 전류가 빠르게 상승하는 것을 확인하였다. 공진 전류가 상승 후에 입력
및 출력 전압이 동일해지는 시점에서 직렬 공진으로 전환되어 전류가 하강하고, S1. S4 스위치 턴-오프 시 전류가 0으로 빠르게감소하는 것을 확인하였다.
Fig. 6의 공진 전류의 한주기 RMS 값은 64.7A로 $R_s$에 대한 도통 손실은 837.2W다. 이 도통 손실은 전체 시스템 전력 30kW의 약 2.8%를
차지하므로 0.2$\Omega$의 기생 저항이 충분히 큰 값임을 보인다. 이 때, 출력은 정격 입력 조건에서 20kV, 30kW 출력을 확인하였다.
정격 출력에 대한 출력 추정 기법 오차율은 출력 전압 0.25%, 출력 전류 3.33%를 확인하였다. 다양한 조건에서의 출력 추정 오차를 확인하기
위하여 출력 조건을 변동시키고 출력을 추정한 결과를 Fig. 7에 나타내었다. 출력 전압은 입력 전압 및 출력 전류를정격 수준으로 고정시키고 스위칭 주파수에 따라 변동하는 출력을 추정하였다. 또한 출력 전류는
입력 전압 및 출력 전압을 정격 수준으로 고정시키고 스위칭 주파수에 따라 변동되는 출력전류를 추정하였다. 출력 전압 추정 시뮬레이션은 고전압 DC
전원장치의 정상 상태 도달 조건 $V_{in} \le V_o/n$로 설정하였다. 또한 수 십 kV의 전압으로 충전된 커패시터를 수 $\mu s$ 동안
방전시켜도 전압 변동이 크지 않은 특성으로 출력 전류 추정 시뮬레이션은 1A 이하의 경부하 출력을 제외한 1.5A~1A로 선정하였다. Fig. 7의 빨간 색 그래프는 기생 저항을 보정하기 전의 오차율로 각각 식 (1), 식 (2) 수식에 대한 추정 오차를 나타내었다. 또한 Fig. 7의 파란 색 그래프는 기생 저항을 보정한 뒤의 오차율로 각각 식 (7), 식 (13) 수식에 대한 추정 오차를 나타내었다. 서로 다른 전압 및 전류 출력 조건에서 제안하는 출력 전압 추정 방식의 오차는 최대 0.25%로 기존 추정
기법의 오차율에서 약 19.35% 개선되었다. 또한 제안하는 출력 전류 추정 방식의 오차는 최대 3.3%로 기존 추정 기법의 오차율에서 약 27.9%
개선되었다. 개선 후 오차 발생의 주된 원인은 직렬 공진 커패시터의 영향을 무시하여 $v_{Cs} = 0$을 가정하고 출력 추정 수식을 도출한 점이다.
공진 회로의 정상 상태 해석 과정에서 $v_{Cs}$의 영향을 고려하면 출력 전압 및 출력 전류 추정 과정에서 오차를 저감할 수 있다. 그러나 이를
구현할 시 실제 출력 단의 전압 및 전류를 센싱하는 방법 대비 전압 센서가 추가로 사용된다는 단점이 있다. 시뮬레이션 결과, 직렬 공진 커패시터의
영향을 고려하지 않은 출력 추정 결과에서 출력 전압 및 전류 모두 낮은 오차율을 달성하였다. 따라서 실제 출력 단에서 전압 및 전류를 센싱하는 방법과
동일한 센서 개수를 적용하여도 센싱 및 제어 회로의 신뢰성을 확보할 수 있음을 검증하였다. 저항을 무시한 기존 추정 기법을 적용하면 실제 펄스 파워
시스템에서 기생 저항 성분이 회로에 추가될 때 전압 19.6%, 전류 31.2%의 큰 최대 오차가 발생한다. 그러나 본 논문에서 제안한 기생 저항이
고려된 추정 기법을 적용하면 기생 저항이 추가되어도 전압 0.25%, 전류 3.33%의 낮은 최대 오차가 발생한다. 따라서 본 논문에서 제안한 출력
추정 기법을 실제 펄스 파워 시스템에 적용할 수 있음을 증명하였다.
Fig. 7. Error rate of output estimation result
5. 결 론
본 논문에서는 펄스 파워 시스템에 적용되는 고전압 DC 전원장치의 저압 측 전압 및 전류 정보를 통해 출력을 추정하는 기법을 제안하였다. 기존 추정
기법에서는 고려하지 않은 변압기 기생 성분을 추가하기 위해, 기생 저항을 포함한 LCC 공진형 컨버터의 동작 모드를 해석하여 출력 추정 수식을 도출하였다.
제안하는 추정 수식은 제한된 입출력 전압 범위 조건에서 적용 가능하므로 정격 전압 부근을 사용하는 커패시터 충전기 및 마그네트론 전원 장치에 적합하다.
도출된 기법의 타당성 검증을 위해 20kV, 30kW 사양의 LCC 공진형 컨버터의 출력 추정 모의실험을 수행하였으며, 기생 저항 성분은 0.2$\Omega$으로
모델링 하였다. 시뮬레이션 결과 기존 추정 방법 대비 출력 전압 추정 오차는 최대 19.35%, 출력 전류 추정 오차는 27.9% 개선되었다. 이를
통해 제안하는 출력 추정 기법의 타당성을 검증하였다.
Acknowledgements
본 과제는 2025년도 교육부 및 충청북도의 재원으로 충북 RISE센터의 지원을 받아 수행된 지역혁신중심 대학지원체계(RISE)의 결과이며 (2025-RISE-11-004-05),
본 연구는 2026년도 정부(산업통상자원부)의 재원으로 한국에너지기술평가원(KETEP)의 지원을 받아 수행한 연구 과제임. (No. 20224000000070)
References
H. Akiyama, et al., "Industrial applications of pulsed power technology", IEEE Transactions
on Dielectrics and Electrical Insulation, vol. 14, no. 5, pp. 1051-1064, 2007.

H. J. Ryoo, et al., "Design of high voltage capacitor charger with improved efficiency,
power density and reliability", IEEE Transactions on Dielectrics and Electrical Insulation,
vol. 20, no. 4, pp. 1076-1084, 2013.

Jianjun Deng, et al., "Overview of pulsed power research at CAEP", IEEE Transactions
on Plasma Science, vol. 43, no. 8, pp. 2760-2765, 2015.

S. Kim, S. R. Jang, H. S. Kim, "A study on the capacitor charger for solid state marx
modulator", Journal of the Korean Institute of Illuminating and Electrical Installation
Engineers, vol. 32, no. 11, pp. 54-59, 2018.

S. R. Jang, "Research trends of high voltage pulsed power modulator based on semiconductor
switch", Journal of the Korean Institute of Illuminating and Electrical Installation
Engineers, vol. 35, no. 9, pp. 50-56, 2021.

H. B. Jo, et al., "Compact design of 40kV 100 A high-voltage pulsed-power modulator
for driving X-band magnetrons", IEEE Transactions on Power Electronics, vol. 38, no.
6, pp. 7598-7609, 2023.

S. R. Jang, C. H. Yu, H. J. Ryoo, "Trapezoidal approximation of LCC resonant converter
and design of a multistage capacitor charger of a solid-state marx modulator", IEEE
Transaction on Power Electronics, vol. 33, no. 5, pp. 3816-3825, 2018.

Saijun Mao, et al., "Unified equivalent steady-state circuit model and comprehensive
design of the LCC resonant converter for HV generation architectures", IEEE Transaction
on Power Electronics, vol. 33, no. 9, pp. 7531-7544, 2018.

W. C. Jeong, S. M. Park, H. J. Ryoo, "Observation of the variation of frequency-output
characteristic of step-down LCC resonant converter caused by parasitic inductance",
Journal of the Korean Institute of Illuminating and Electrical Installation Engineers,
vol. 35, no. 2, pp. 16-21, 2021.

Dimitrios Tzelepis, et al., "Voltage and current measuring technologies for high voltage
direct current supergrids: A technology review identifying the options for protection,
fault location and automation applications", IEEE Access, vol. 33, no. 5, pp. 203398-203428,
2020.

W. C. Jeong, J. Y. Lee, M. K. Choi, H. J. Ryoo, "Implementation of the 160kV high
voltage DC/DC converter", 11th International Conference on Power Electronics and ECCE
Asia, 2023.

Y. S. Yu, et al., "Development of an isolated converter module for a high-voltage
pulsed power modulator", Journal of the Korean Institute Illumination and Electrical
Installation Engineers, vol. 39, no. 4, pp. 313-318, 2025.

U. C. Mun, S. H. Song, "Output estimation method for LCC resonant converters with
high voltage capacitor chargers", Journal of the Korean Institute Illumination and
Electrical Installation Engineers, vol. 39, no. 6, pp. 442-447, 2025.

Biography
He received the B.S. degree in Electrical Engineering from Korea National University
of Transportation, Chungju, South Korea, in 2025. He is currently pursuing the M.S.
degree in Electrical Engineering, Korea National University of Transportation. His
research interests include soft-switched resonant converter applications and high-voltage
capacitor charger
He received his B.S. degree in electrical engineering from the Kwang-Woon University,
Seoul, South Korea, in 2016 and his M.S. and Ph.D. degrees from the Department of
Energy Engineering, Chung-Ang University, Seoul, in 2021. He worked as a Senior Researcher
in the Smart Electrical and Signaling Division of the Korea Railroad Research Institute
(KRRI), Uiwang, South Korea. In 2024, he joined Korea National University of Transportation,
Chungju, South Korea, where he is currently a professor of the School of Electronic
Engineering. His research interests include soft-switched resonant converter applications
and high-voltage solid-state transformers.